Гидростанции подъемных столов, ножничных подъемников 0,55-4 кВт
0,55-4 кВт

Привод насосов данных гидростанций осуществляется либо от асинхронных моторов (380В 3 фазы, 220В 1 фаза) мощностью 0,55-4 кВт, либо от моторов постоянного тока 12В, 24В, мощностью 0,5-2,2 кВт.
Мы поможем подобрать гидростанцию для каждого конкретного применения индивидуально. В наличии широкий выбор баков. Если пространство не позволяет применить стандартный бак, можем изготовить специальное исполнение, либо предоставим монтажный комплект для специального бака.
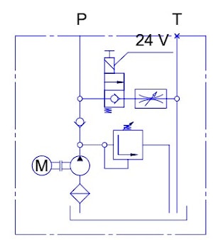
Типичная гидравлическая схема гидростанции ножничного подъемника с клапаном без ручного дублирования и дросселем:

Гидравлическая схема гидростанции ножничного подъемника с клапаном с ручным дублированием и дросселем, компенсированным по давлению:

Ниже приведены некоторые исполнения гидростанций ножничных подъемников.
Гидростанция подъемного стола, с мотором мощностью 1,1 кВт, горизонтальное исполнение, бак 6 литров:

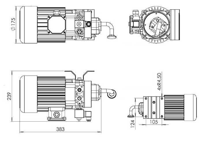
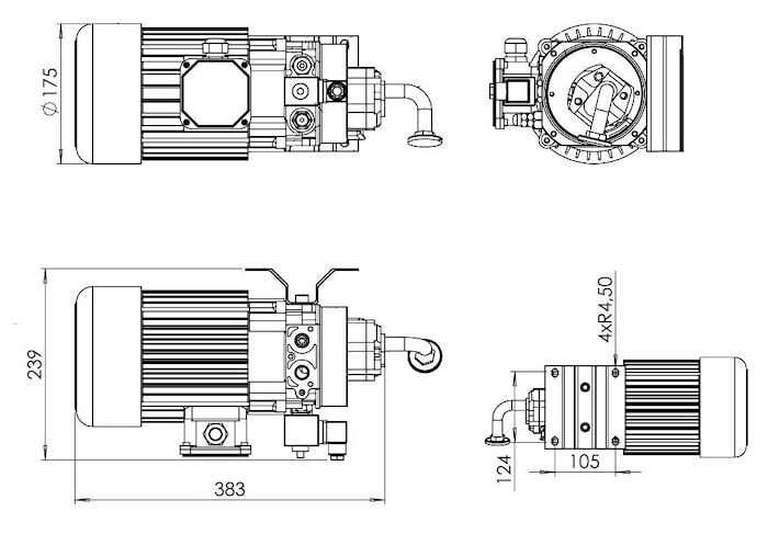
Гидростанция подъемного стола, с мотором мощностью 1,1 кВт, горизонтальное исполнение, бак 4 литров MPP-469:

Гидростанция грузового подъемника, с мотором мощностью 1.5 кВт, горизонтальное исполнение, бак 12 литров, MPP-468:

Гидростанция грузового подъемника, с мотором мощностью 2,2 кВт, горизонтальное исполнение, бак 6 литров:

Гидростанция грузового подъемника, с мотором мощностью 2,2 кВт, горизонтальное исполнение, бак 20 литров, MPP-470:

Гидростанция грузового подъемника, с мотором мощностью 3 кВт, горизонтальное исполнение, бак 10 литров:

Гидростанция грузового подъемника, с мотором мощностью 3 кВт, горизонтальное исполнение, бак 120 литров

Гидростанция грузового подъемника, с мотором мощностью 3 кВт, горизонтальное исполнение, бак 30 литров, MPP-471:

Гидростанция подъемного стола 1,1 кВт, без бака, с приварным адаптером для установки на нестандартный бак.

производитель
GPA
Если вы хотите купить гидростанции подъемных столов, ножничных подъемников , вы можете:
Позвонить: