Пневмоцилиндры ISO 6431 SHAKO
Поршневые стационарные пневмоцилиндры ISO используются для преобразования энергии сжатого воздуха в возвратно-поступательное движение штока.
Принцип работы пневмоцилиндра:
поршень пневмоцилиндра создает тянущее или толкающее движение, перемещаясь вместе со штоком при подаче сжатого воздуха в одну из полостей цилиндра и соединении другой полости с атмосферой.
В наличии пневмоцилиндры ISO с диаметром поршня от 40 до 200 мм, ход штока от 30 до 1500 мм.
Отдельно заказываются элементы крепления цилиндра (фланцы, лапы, проушины, вилки, цапфы) и элементы крепления штока (шарнирная головка, вилкообразная головка, муфта компенсатор).
Рекомендуем для заказа цилиндры серии BY
Скачать каталог, PDF

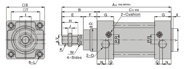
| Диаметр поршня | A | B | C | D | E | F | G | H | I | J | K | L | N |
| 32 | 142 | 48 | 94 | 30 | 29 | 19 | 27.5 | 22 | 17 | 6 | M10x1.25 | M6 | 13 |
| 40 | 159 | 54 | 100 | 35 | 33 | 21 | 32 | 24 | 17 | 7 | M12x1.25 | M6 | 17 |
| 50 | 175 | 69 | 100 | 40 | 42 | 27 | 31 | 32 | 23 | 8 | M16x1.5 | M8 | 15.5 |
| 63 | 190 | 69 | 121 | 45 | 42 | 27 | 33 | 32 | 23 | 8 | M16x1.5 | M8 | 16.5 |
| 80 | 214 | 86 | 128 | 45 | 53 | 33 | 33 | 40 | 26 | 10 | M20x1.5 | M10 | 16.5 |
| 100 | 229 | 91 | 138 | 55 | 55 | 36 | 37 | 40 | 26 | 10 | M20x1.5 | M10 | 18.5 |
| 125 | 279 | 119 | 160 | 60 | 74 | 45 | 46 | 54 | 41 | 13.5 | M27x2 | M12 | 23 |
| 160 | 332 | 152 | 180 | 65 | 94 | 58 | 50 | 72 | 55 | 18 | M36x2 | M16 | 25 |
| 200 | 347 | 167 | 180 | 75 | 100 | 67 | 50 | 72 | 55 | 18 | M36x2 | M16 | 25 |
| Диаметр поршня | O | P | Q | R | S | T | V | W | X | Y |
| 32 | 1/8" | 5.5 | 6 | 6 | 47 | 32.5 | 12 | 10 | 3 | 30 |
| 40 | 1/4" | 6 | 7,5 | 8.5 | 53 | 38 | 6 | 13 | 3.5 | 3b |
| 50 | 1/4" | 7.5 | 6.5 | 9.5 | 65 | 46.5 | 20 | 17 | 3.5 | 40 |
| 63 | 3/8" | 7.5 | 7.5 | 11.5 | 75 | 56.5 | 20 | 17 | 4 | 45 |
| 80 | 3/8" | 9 | 7.5 | 13.5 | 95 | 72 | 25 | 22 | 4 | 45 |
| 100 | 1/2" | 9.5 | 8.5 | 13.5 | 115 | 89 | 25 | 22 | 4 | 55 |
| 125 | 1/2" | 14 | 12 | 14 | 140 | 110 | 32 | 27 | 4 | 60 |
| 160 | 3/4" | 15 | 12 | 20 | 180 | 140 | 40 | 36 | 4 | 65 |
| 200 | 3/4" | 15 | 12 | 20 | 220 | 175 | 40 | 36 | 5 | 75 |
Таблица стандартных ходов пневмоцилиндра
| Диаметр поршня, мм | Ход штока, мм | Макс. ход штока ,мм |
| 32 | 25 50 75 80 100 125 150 160 175 200 250 300 350 400 450 500 | 1000 |
| 40 | 25 50 75 80 100 125 150 160 175 200 250 300 350 400 450 500 600 700 800 | 1200 |
| 50 | 25 50 75 80 100 125 150 160 175 200 250 300 350 400 450 500 600 700 800 900 1000 | 1200 |
| 63 | 25 50 75 80 100 125 150 160 175 200 250 300 350 400 450 500 600 700 800 900 1000 | 1500 |
| 80 | 25 50 75 80 100 125 150 160 175 200 250 300 350 400 450 500 600 700 800 900 1000 | 1500 |
| 100 | 25 50 75 80 100 125 150 160 175 200 250 300 350 400 450 500 600 700 800 900 1000 | 1500 |
| 125 | 25 50 75 80 100 125 150 160 175 200 250 300 350 400 450 500 600 700 800 900 1000 | 1500 |
| 160 | 25 50 75 80 100 125 150 160 175 200 250 300 350 400 450 500 600 700 800 900 1000 | 1500 |
| 200 | 25 50 75 80 100 125 150 160 175 200 250 300 350 400 450 500 600 700 800 900 1000 | 1500 |
производитель
SHAKO
Если вы хотите купить пневмоцилиндры ISO 6431 SHAKO , вы можете:
Позвонить:

