Компактные пневмоцилиндры по стандарту UNITOP
..
.
.
.
.
.
.
.
.
.
| Технические характеристики | |
| Рабочее давление | 1 ÷ 10 bar (цилиндры двойного действия) 2 ÷ 10 bar (односторонние цилиндры) |
| Рабочая температура | -20 ÷ +80°C (сухой воздух) -10 ÷ +150°C (сухой воздух и VITON уплотнения) |
| Исполнения | Одностороннего действия (на растяжение либо на сжатие, обратный ход пружина) Двойного действия; С защитой от вращения; С двойным штоком; С двойным штоком и защитой от вращения |
| Диаметр поршня | Ø 012-016-020-025-032-040-050-063-080-100 |
| Ход поршня | см. таблицу стандартных ходов |
| рабочая среда | сжатый воздух, очищенный, без смазки. |
| Материалы | |
| Крышки | Анодированный алюминий |
| Гильза | Анодированный алюминий |
| Шток | наржавеющая сталь AISI 303 |
| Поршень | Алюминий, литье под давлением |
| Магнит | Ø 012 ÷ 050 неодимовый магнит, Ø 063 ÷ 100 пластоферрит, эластичный магнит |
| Уплотнения | полиуретан (поршень+шток) nbr (остальные уплотнения) |
| Втулка | сталь + флоропласт (PTFE) |
| Винты | сталь |
| Пружина | сталь |
| Демпфирование | упругий демпфер (каучук, резина) |

Примеры монтажа

Крепление на заднюю крышку....................Сквозное крепление
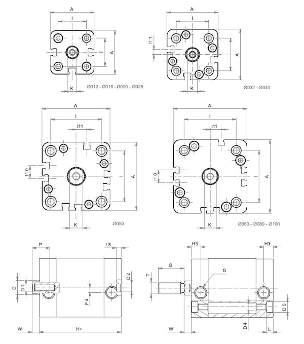
Пневмоцилиндр одностороннего действия с магнитом


| Размеры | ||||||||||
| Ø | 012 | 016 | 020 | 025 | 032 | 040 | 050 | 063 | 080 | 100 |
| A | 29 | 29 | 36 | 40 | 50 | 58 | 67 | 80 | 100 | 124 |
| ØD | 6 | 8 | 10 | 10 | 12 | 12 | 16 | 16 | 20 | 25 |
| D1 | M3 | M4 | M5 | M5 | M6 | M6 | M8 | M8 | M10 | M12 |
| ØD2 | 6 | 6 | 6 | 6 | 6 | 6 | 6 | 8 | 8 | 8 |
| D4 | M4 | M4 | M5 | M5 | M6 | M6 | M8 | M10 | M10 | M10 |
| ØD5 | 6 | 6 | 7,5 | 7,5 | 9 | 9 | 10,5 | 13,5 | 13,5 | 13,5 |
| F4 | - | - | - | - | 4 | 3 | - | - | - | - |
| G | M5 | M5 | M5 | M5 | G1/8 | G1/8 | G1/8 | G1/8 | G1/8 | G1/4 |
| H+ | 38* | 38* | 38* | 39,5* | 44,5* | 45,5* | 45,5* | 50* | 56* | 66,5* |
| H3 | 8 | 8 | 8 | 8 | 8 | 8 | 8 | 8 | 8,5 | 10,5 |
| I | 18 | 18 | 22 | 26 | 32 | 42 | 50 | 62 | 82 | 103 |
| I10 | - | - | - | - | - | - | 12,5 | 14 | 18 | 35 |
| I11 | - | - | - | - | 5 | 3 | 10,5 | 12 | 12 | 17,5 |
| K | 5 | 6 | 8 | 8 | 10 | 10 | 13 | 13 | 17 | 22 |
| L | 3,5 | 3,5 | 4,5 | 4,5 | 5,5 | 5,5 | 6,5 | 8,5 | 8,5 | 8,5 |
| L3 | 4 | 4 | 4 | 4 | 4 | 4 | 4 | 4 | 4 | 4 |
| P | 6 | 8 | 10 | 10 | 12 | 12 | 12 | 14 | 15 | 20 |
| S | 16 | 20 | 22 | 22 | 22 | 22 | 24 | 24 | 32 | 40 |
| T | M6 | M8 | M10x1,25 | M10x1,25 | M10x1,25 | M10x1,25 | M12x1,25 | M12x1,25 | M16x1.5 | M20x1.5 |
| W | 4,5 | 4,5 | 4,5 | 5,5 | 6 | 6,5 | 7,5 | 7,5 | 8 | 10 |
+= добавить ход штока (мм)
*для штока 035-040-050-060
для ASM 012-016-020 добавить +10 мм
для ASM 025-032-040-050-063 добавить +20 мм
для ASM 080-100 добавить +30 мм
| Стандартные длинны хода штока | ||||||||||
| Ø | 012 | 016 | 020 | 025 | 032 | 040 | 050 | 063 | 080 | 100 |
| 005 | x | x | x | x | x | x | x | x | x | x |
| 010 | x | x | x | x | x | x | x | x | x | x |
| 015 | x | x | x | x | x | x | x | x | x | x |
| 020 | x | x | x | x | x | x | x | x | x | x |
| 025 | x | x | x | x | x | x | x | x | x | x |
| 030 | x | x | x | x | x | x | x | x | x | x |
| 035 | x | x | x | x | x | x | x | x | x | x |
| 040 | x | x | x | x | x | x | x | x | x | x |
| 050 | x | x | x | x | x | x | x | x | x | x |
| 060 | x | x | x | x | x | x | x | x | x | x |
Пневмоцилиндр одностороннего действия с увеличенным штоком с магнитом


| Размеры | ||||||||||
| Ø | 012 | 016 | 020 | 025 | 032 | 040 | 050 | 063 | 080 | 100 |
| A | 29 | 29 | 36 | 40 | 50 | 58 | 67 | 80 | 100 | 124 |
| ØD | 6 | 8 | 10 | 10 | 12 | 12 | 16 | 16 | 20 | 25 |
| D1 | M3 | M4 | M5 | M5 | M6 | M6 | M8 | M8 | M10 | M12 |
| ØD2 | 6 | 6 | 6 | 6 | 6 | 6 | 6 | 8 | 8 | 8 |
| D4 | M4 | M4 | M5 | M5 | M6 | M6 | M8 | M10 | M10 | M10 |
| ØD5 | 6 | 6 | 7,5 | 7,5 | 9 | 9 | 10,5 | 13,5 | 13,5 | 13,5 |
| F4 | - | - | - | - | 4 | 3 | - | - | - | - |
| G | M5 | M5 | M5 | M5 | G1/8 | G1/8 | G1/8 | G1/8 | G1/8 | G1/4 |
| H+ | 38* | 38* | 38* | 39,5* | 44,5* | 45,5* | 45,5* | 50* | 56* | 66,5* |
| H3 | 8 | 8 | 8 | 8 | 8 | 8 | 8 | 8 | 8,5 | 10,5 |
| I | 18 | 18 | 22 | 26 | 32 | 42 | 50 | 62 | 82 | 103 |
| I10 | - | - | - | - | - | - | 12,5 | 14 | 18 | 35 |
| I11 | - | - | - | - | 5 | 3 | 10,5 | 12 | 12 | 17,5 |
| K | 5 | 6 | 8 | 8 | 10 | 10 | 13 | 13 | 17 | 22 |
| L | 3,5 | 3,5 | 4,5 | 4,5 | 5,5 | 5,5 | 6,5 | 8,5 | 8,5 | 8,5 |
| L3 | 4 | 4 | 4 | 4 | 4 | 4 | 4 | 4 | 4 | 4 |
| P | 6 | 8 | 10 | 10 | 12 | 12 | 12 | 14 | 15 | 20 |
| S | 16 | 20 | 22 | 22 | 22 | 22 | 24 | 24 | 32 | 40 |
| T | M6 | M8 | M10x1,25 | M10x1,25 | M10x1,25 | M10x1,25 | M12x1,25 | M12x1,25 | M16x1.5 | M20x1.5 |
| W+ | 4,5 | 4,5 | 4,5 | 5,5 | 6 | 6,5 | 7,5 | 7,5 | 8 | 10 |
+= добавить ход штока (мм)
*для штока 035-040-050-060
для ASEM 012-016-020-025-032-040-050-063 добавить +10 мм
для ASEM 080-100 добавить +20 мм
| Стандартные длинны хода штока | ||||||||||
| Ø | 012 | 016 | 020 | 025 | 032 | 040 | 050 | 063 | 080 | 100 |
| 005 | x | x | x | x | x | x | x | x | x | x |
| 010 | x | x | x | x | x | x | x | x | x | x |
| 015 | x | x | x | x | x | x | x | x | x | x |
| 020 | x | x | x | x | x | x | x | x | x | x |
| 025 | x | x | x | x | x | x | x | x | x | x |
| 030 | x | x | x | x | x | x | x | x | x | x |
| 035 | x | x | x | x | x | x | x | x | x | x |
| 040 | x | x | x | x | x | x | x | x | x | x |
| 050 | x | x | x | x | x | x | x | x | x | x |
| 060 | x | x | x | x | x | x | x | x | x | x |
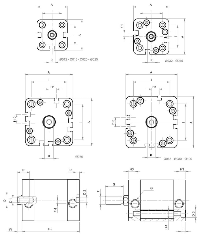
Пневмоцилиндр двойного действия с магнитом


| Размеры | ||||||||||
| Ø | 012 | 016 | 020 | 025 | 032 | 040 | 050 | 063 | 080 | 100 |
| A | 29 | 29 | 36 | 40 | 50 | 58 | 67 | 80 | 100 | 124 |
| ØD | 6 | 8 | 10 | 10 | 12 | 12 | 16 | 16 | 20 | 25 |
| D1 | M3 | M4 | M5 | M5 | M6 | M6 | M8 | M8 | M10 | M12 |
| ØD2 | 6 | 6 | 6 | 6 | 6 | 6 | 6 | 8 | 8 | 8 |
| D4 | M4 | M4 | M5 | M5 | M6 | M6 | M8 | M10 | M10 | M10 |
| ØD5 | 6 | 6 | 7,5 | 7,5 | 9 | 9 | 10,5 | 13,5 | 13,5 | 13,5 |
| F4 | - | - | - | - | 4 | 3 | - | - | - | - |
| G | M5 | M5 | M5 | M5 | G1/8 | G1/8 | G1/8 | G1/8 | G1/8 | G1/4 |
| H+ | 38* | 38* | 38* | 39,5* | 44,5* | 45,5* | 45,5* | 50* | 56* | 66,5* |
| H3 | 8 | 8 | 8 | 8 | 8 | 8 | 8 | 8 | 8,5 | 10,5 |
| I | 18 | 18 | 22 | 26 | 32 | 42 | 50 | 62 | 82 | 103 |
| I10 | - | - | - | - | - | - | 12,5 | 14 | 18 | 35 |
| I11 | - | - | - | - | 5 | 3 | 10,5 | 12 | 12 | 17,5 |
| K | 5 | 6 | 8 | 8 | 10 | 10 | 13 | 13 | 17 | 22 |
| L | 3,5 | 3,5 | 4,5 | 4,5 | 5,5 | 5,5 | 6,5 | 8,5 | 8,5 | 8,5 |
| L3 | 4 | 4 | 4 | 4 | 4 | 4 | 4 | 4 | 4 | 4 |
| P | 6 | 8 | 10 | 10 | 12 | 12 | 12 | 14 | 15 | 20 |
| S | 16 | 20 | 22 | 22 | 22 | 22 | 24 | 24 | 32 | 40 |
| T | M6 | M8 | M10x1,25 | M10x1,25 | M10x1,25 | M10x1,25 | M12x1,25 | M12x1,25 | M16x1.5 | M20x1.5 |
| W | 4,5 | 4,5 | 4,5 | 5,5 | 6 | 6,5 | 7,5 | 7,5 | 8 | 10 |
+= добавить ход штока (мм)
| Стандартные длинны хода штока | ||||||||||
| Ø | 012 | 016 | 020 | 025 | 032 | 040 | 050 | 063 | 080 | 100 |
| 005 | x | x | x | x | x | x | x | x | x | x |
| 010 | x | x | x | x | x | x | x | x | x | x |
| 015 | x | x | x | x | x | x | x | x | x | x |
| 020 | x | x | x | x | x | x | x | x | x | x |
| 025 | x | x | x | x | x | x | x | x | x | x |
| 030 | x | x | x | x | x | x | x | x | x | x |
| 035 | x | x | x | x | x | x | x | x | x | x |
| 040 | x | x | x | x | x | x | x | x | x | x |
| 050 | x | x | x | x | x | x | x | x | x | x |
| 060 | x | x | x | x | x | x | x | x | x | x |
| 070 | x | x | x | x | x | x | x | x | x | x |
| 075 | x | x | x | x | x | x | x | x | x | x |
| 080 | x | x | x | x | x | x | x | x | x | x |
| 090 | x | x | x | x | x | x | x | x | x | x |
| 100 | x | x | x | x | x | x | x | x | x | x |
| 125 | x | x | x | x | x | x | x | x | x | x |
| 160 | x | x | x | x | x | x | x | x | x | x |
| 200 | x | x | x | x | x | x | x | x | x | x |
| 250 | x | x | x | x | x | x | x | x | x | x |
| 300 | x | x | x | x | x | x | ||||
| 350 | x | x | x | x | x | x | ||||
| 400 | x | x | x | x | x | x | ||||
Пневмоцилиндр двойного действия с магнитом с защитой от вращения


| Размеры | |||||||||
| Ø | 016 | 020 | 025 | 032 | 040 | 050 | 063 | 080 | 100 |
| A | 29 | 36 | 40 | 50 | 58 | 67 | 80 | 100 | 124 |
| ØD | 8 | 10 | 10 | 12 | 12 | 16 | 16 | 20 | 25 |
| D1 | M4 | M5 | M5 | M6 | M6 | M8 | M8 | M10 | M12 |
| ØD2 | 6 | 6 | 6 | 6 | 6 | 6 | 8 | 8 | 8 |
| D4 | M4 | M5 | M5 | M6 | M6 | M8 | M10 | M10 | M10 |
| ØD5 | 6 | 7,5 | 7,5 | 9 | 9 | 10,5 | 13,5 | 13,5 | 13,5 |
| ØD6 | 9 | 11 | 14 | 17 | 17 | 22 | 22 | 28 | 30 |
| ØD7 | 5 | 5 | 6 | 8 | 10 | 10 | 10 | 14 | 14 |
| D8 | M3 | M4 | M5 | M5 | M5 | M6 | M6 | M8 | M10 |
| ØD9 | 3 | 4 | 5 | 5 | 5 | 6 | 6 | 8 | 10 |
| F4 | - | - | - | 4 | 3 | - | - | - | - |
| G | M5 | M5 | M5 | G1/8 | G1/8 | G1/8 | G1/8 | G1/8 | G1/4 |
| H+ | 38 | 38 | 39,5 | 44,5 | 45,5 | 45,5 | 50 | 56 | 66,5 |
| H3 | 8 | 8 | 8 | 8 | 8 | 8 | 8 | 8,5 | 10,5 |
| I | 18 | 22 | 26 | 32 | 42 | 50 | 62 | 82 | 103 |
| I4 | 14 | 17 | 22 | 28 | 33 | 42 | 50 | 65 | 80 |
| I10 | - | - | - | - | - | 12,5 | 14 | 18 | 35 |
| I11 | - | - | - | 5 | 3 | 10,5 | 12 | 12 | 17,5 |
| K | 6 | 8 | 8 | 10 | 10 | 13 | 13 | 17 | 22 |
| L | 3,5 | 4,5 | 4,5 | 5,5 | 5,5 | 6,5 | 8,5 | 8,5 | 8,5 |
| L3 | 4 | 4 | 4 | 4 | 4 | 4 | 4 | 4 | 4 |
| L4 | 3,8 | 5 | 5 | 6,5 | 6,5 | 7,5 | 7,5 | 9 | 10 |
| L5 | 1 | 1,5 | 1,5 | 2,5 | 2,5 | 2,5 | 2,5 | 3 | 3 |
| S1 | 6 | 8 | 8 | 10 | 10 | 12 | 12 | 14 | 14 |
| W | 4,5 | 4,5 | 5,5 | 6 | 6,5 | 7,5 | 7,5 | 8 | 10 |
+= добавить ход штока (мм)
| Стандартные длинны хода штока | |||||||||
| Ø | 016 | 020 | 025 | 032 | 040 | 050 | 063 | 080 | 100 |
| 005 | x | x | x | x | x | x | x | x | x |
| 010 | x | x | x | x | x | x | x | x | x |
| 015 | x | x | x | x | x | x | x | x | x |
| 020 | x | x | x | x | x | x | x | x | x |
| 025 | x | x | x | x | x | x | x | x | x |
| 030 | x | x | x | x | x | x | x | x | x |
| 035 | x | x | x | x | x | x | x | x | x |
| 040 | x | x | x | x | x | x | x | x | x |
| 050 | x | x | x | x | x | x | x | x | x |
| 060 | x | x | x | x | x | x | x | x | x |
| 070 | x | x | x | x | x | x | x | x | x |
| 075 | x | x | x | x | x | x | x | x | x |
| 080 | x | x | x | x | x | x | x | x | x |
| 090 | x | x | x | x | x | x | x | x | x |
| 100 | x | x | x | x | x | x | x | x | x |
| 125 | x | x | x | x | x | x | x | x | x |
| 160 | x | x | x | x | x | x | x | x | x |
| 200 | x | x | x | x | x | x | x | x | x |
| 250 | x | x | x | x | x | x | |||
| 300 | x | x | x | x | x | x | |||
| 350 | x | x | x | x | x | x | |||
| 400 | x | x | x | x | x | x | |||
Пневмоцилиндр двойного действия с магнитом с двойным штоком


| Размеры | ||||||||||
| Ø | 012 | 016 | 020 | 025 | 032 | 040 | 050 | 063 | 080 | 100 |
| A | 29 | 29 | 36 | 40 | 50 | 58 | 67 | 80 | 100 | 124 |
| ØD | 6 | 8 | 10 | 10 | 12 | 12 | 16 | 16 | 20 | 25 |
| D1 | M3 | M4 | M5 | M5 | M6 | M6 | M8 | M8 | M10 | M12 |
| ØD2 | 6 | 6 | 6 | 6 | 6 | 6 | 6 | 8 | 8 | 8 |
| D4 | M4 | M4 | M5 | M5 | M6 | M6 | M8 | M10 | M10 | M10 |
| ØD5 | 6 | 6 | 7,5 | 7,5 | 9 | 9 | 10,5 | 13,5 | 13,5 | 13,5 |
| F4 | - | - | - | - | 4 | 3 | - | - | - | - |
| G | M5 | M5 | M5 | M5 | G1/8 | G1/8 | G1/8 | G1/8 | G1/8 | G1/4 |
| H+ | 38 | 38 | 38 | 39,5 | 44,5 | 45,5 | 45,5 | 50 | 56 | 66,5 |
| H3 | 8 | 8 | 8 | 8 | 8 | 8 | 8 | 8 | 8,5 | 10,5 |
| I | 18 | 18 | 22 | 26 | 32 | 42 | 50 | 62 | 82 | 103 |
| I10 | - | - | - | - | - | - | 12,5 | 14 | 18 | 35 |
| I11 | - | - | - | - | 5 | 3 | 10,5 | 12 | 12 | 17,5 |
| K | 5 | 6 | 8 | 8 | 10 | 10 | 13 | 13 | 17 | 22 |
| L | 3,5 | 3,5 | 4,5 | 4,5 | 5,5 | 5,5 | 6,5 | 8,5 | 8,5 | 8,5 |
| P | 6 | 8 | 10 | 10 | 12 | 12 | 12 | 14 | 15 | 20 |
| S | 16 | 20 | 22 | 22 | 22 | 22 | 24 | 24 | 32 | 40 |
| T | M6 | M8 | M10x1,25 | M10x1,25 | M10x1,25 | M10x1,25 | M12x1,25 | M12x1,25 | M16x1.5 | M20x1.5 |
| W | 4,5 | 4,5 | 4,5 | 5,5 | 6 | 6,5 | 7,5 | 7,5 | 8 | 10 |
| W+ | 4,5 | 4,5 | 4,5 | 5,5 | 6 | 6,5 | 7,5 | 7,5 | 8 | 10 |
+= добавить ход штока (мм)
| Стандартные длинны хода штока | ||||||||||
| Ø | 012 | 016 | 020 | 025 | 032 | 040 | 050 | 063 | 080 | 100 |
| 005 | x | x | x | x | x | x | x | x | x | x |
| 010 | x | x | x | x | x | x | x | x | x | x |
| 015 | x | x | x | x | x | x | x | x | x | x |
| 020 | x | x | x | x | x | x | x | x | x | x |
| 025 | x | x | x | x | x | x | x | x | x | x |
| 030 | x | x | x | x | x | x | x | x | x | x |
| 035 | x | x | x | x | x | x | x | x | x | x |
| 040 | x | x | x | x | x | x | x | x | x | x |
| 050 | x | x | x | x | x | x | x | x | x | x |
| 060 | x | x | x | x | x | x | x | x | x | x |
| 070 | x | x | x | x | x | x | x | x | x | x |
| 075 | x | x | x | x | x | x | x | x | x | x |
| 080 | x | x | x | x | x | x | x | x | x | x |
| 090 | x | x | x | x | x | x | x | x | x | x |
| 100 | x | x | x | x | x | x | x | x | x | x |
| 125 | x | x | x | x | x | x | x | x | x | x |
| 160 | x | x | x | x | x | x | x | x | x | x |
| 200 | x | x | x | x | x | x | x | x | x | x |
| 250 | x | x | x | x | x | x | x | x | x | x |
| 300 | x | x | x | x | x | x | ||||
| 350 | x | x | x | x | x | x | ||||
| 400 | x | x | x | x | x | x | ||||
Пневмоцилиндр двойного действия с магнитом с защитой от вращения


| Размеры | |||||||||
| Ø | 016 | 020 | 025 | 032 | 040 | 050 | 063 | 080 | 100 |
| A | 29 | 36 | 40 | 50 | 58 | 67 | 80 | 100 | 124 |
| ØD | 8 | 10 | 10 | 12 | 12 | 16 | 16 | 20 | 25 |
| D1 | M4 | M5 | M5 | M6 | M6 | M8 | M8 | M10 | M12 |
| D4 | M4 | M5 | M5 | M6 | M6 | M8 | M10 | M10 | M10 |
| ØD5 | - | - | - | 9 | 9 | 10,5 | 13,5 | 13,5 | 13,5 |
| ØD6 | 9 | 11 | 14 | 17 | 17 | 22 | 22 | 28 | 30 |
| ØD7 | 5 | 5 | 6 | 8 | 10 | 10 | 10 | 14 | 14 |
| D8 | M3 | M4 | M5 | M5 | M5 | M6 | M6 | M8 | M10 |
| ØD9 | 3 | 4 | 5 | 5 | 5 | 6 | 6 | 8 | 10 |
| F4 | - | - | - | 4 | 3 | - | - | - | - |
| G | M5 | M5 | M5 | G1/8 | G1/8 | G1/8 | G1/8 | G1/8 | G1/4 |
| H+ | 38 | 38 | 39,5 | 44,5 | 45,5 | 45,5 | 50 | 56 | 66,5 |
| H3 | 8 | 8 | 8 | 8 | 8 | 8 | 8 | 8,5 | 10,5 |
| I | 18 | 22 | 26 | 32 | 42 | 50 | 62 | 82 | 103 |
| I4 | 14 | 17 | 22 | 28 | 33 | 42 | 50 | 65 | 80 |
| I10 | - | - | - | - | - | 12,5 | 14 | 18 | 35 |
| I11 | - | - | - | 5 | 3 | 10,5 | 12 | 12 | 17,5 |
| K | 6 | 8 | 8 | 10 | 10 | 13 | 13 | 17 | 22 |
| L | 3,5 | 4,5 | 4,5 | 5,5 | 5,5 | 6,5 | 8,5 | 8,5 | 8,5 |
| S | 20 | 22 | 22 | 22 | 22 | 24 | 24 | 32 | 40 |
| T | M8 | M10x1,25 | M10x1,25 | M10x1,25 | M10x1,25 | M12x1,25 | M12x1,25 | M16x1.5 | M20x1.25 |
| P | 8 | 10 | 10 | 12 | 12 | 12 | 14 | 15 | 20 |
| W | 4,5 | 4,5 | 5,5 | 6 | 6,5 | 7,5 | 7,5 | 8 | 10 |
| W+ | 4,5 | 4,5 | 5,5 | 6 | 6,5 | 7,5 | 7,5 | 8 | 10 |
+= добавить ход штока (мм)
| Стандартные длинны хода штока | |||||||||
| Ø | 016 | 020 | 025 | 032 | 040 | 050 | 063 | 080 | 100 |
| 005 | x | x | x | x | x | x | x | x | x |
| 010 | x | x | x | x | x | x | x | x | x |
| 015 | x | x | x | x | x | x | x | x | x |
| 020 | x | x | x | x | x | x | x | x | x |
| 025 | x | x | x | x | x | x | x | x | x |
| 030 | x | x | x | x | x | x | x | x | x |
| 035 | x | x | x | x | x | x | x | x | x |
| 040 | x | x | x | x | x | x | x | x | x |
| 050 | x | x | x | x | x | x | x | x | x |
| 060 | x | x | x | x | x | x | x | x | x |
| 070 | x | x | x | x | x | x | x | x | x |
| 075 | x | x | x | x | x | x | x | x | x |
| 080 | x | x | x | x | x | x | x | x | x |
| 090 | x | x | x | x | x | x | x | x | x |
| 100 | x | x | x | x | x | x | x | x | x |
| 125 | x | x | x | x | x | x | x | x | x |
| 160 | x | x | x | x | x | x | x | x | x |
| 200 | x | x | x | x | x | x | x | x | x |
| 250 | x | x | x | x | x | x | |||
| 300 | x | x | x | x | x | x | |||
| 350 | x | x | x | x | x | x | |||
| 400 | x | x | x | x | x | x | |||
.
Если вы хотите купить компактные пневмоцилиндры по стандарту UNITOP , вы можете:
Позвонить:

