Пневмоцилиндры сдвоенные стандарта ISO 21287
..
.
.
.
.
.
.
.
.
.
| Технические характеристики | |
| Рабочее давление | 1 ÷ 10 bar (цилиндры двойного действия) 2 ÷ 10 bar (односторонние цилиндры) |
| Рабочая температура | -20 ÷ +80°C (сухой воздух) -10 ÷ +150°C (сухой воздух и VITON уплотнения) |
| Исполнения | Одностороннего действия (на растяжение либо на сжатие, обратный ход пружина) Двойного действия; С защитой от вращения; С двойным штоком; С двойным штоком и защитой от вращения |
| Диаметр поршня | Ø 020-025-032-040-050-063-080-100 |
| Ход поршня | см. таблицу стандартных ходов |
| рабочая среда | сжатый воздух, очищенный, без смазки. |
| Материалы | |
| Крышки | Анодированный алюминий |
| Гильза | Анодированный алюминий |
| Шток | наржавеющая сталь AISI 303 |
| Поршень | Алюминий, литье под давлением |
| Магнит | Ø 020 ÷ 050 неодимовый магнит, Ø 063 ÷ 100 пластоферрит, эластичный магнит |
| Уплотнения | полиуретан (поршень+шток) nbr (остальные уплотнения) |
| Втулка | сталь + флоропласт (PTFE) |
| Винты | сталь |
| Пружина | сталь |
| Демпфирование | упругий демпфер (каучук, резина) |


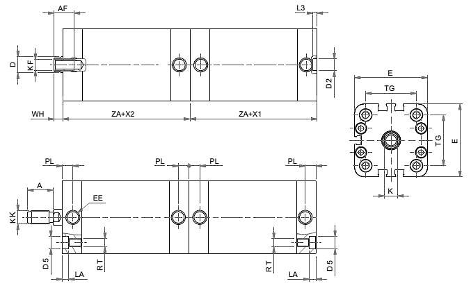
Сдвоенный пневмоцилиндр двойного действия, с двойной тягой, с магнитом


| Размеры | ||||||||
| Ø | 020 | 025 | 032 | 040 | 050 | 063 | 080 | 100 |
| A | 16 | 16 | 19 | 19 | 22 | 22 | 28 | 28 |
| AF | 13 | 13 | 15 | 15 | 17 | 17 | 21 | 22 |
| ØD | 10 | 10 | 12 | 12 | 16 | 16 | 20 | 25 |
| ØD2 | 9 | 9 | 9 | 9 | 12 | 12 | 12 | 12 |
| ØD5 | 7,5 | 7,5 | 9 | 9 | 10,5 | 10,5 | 13,5 | 13,5 |
| E | 36 | 40 | 49 | 54,5 | 65,5 | 77 | 95,5 | 113,5 |
| EE | M5 | M5 | G1/8 | G1/8 | G1/8 | G1/8 | G1/8 | G1/8 |
| K | 8 | 8 | 10 | 10 | 13 | 13 | 17 | 22 |
| KF | M6 | M6 | M8 | M8 | M10 | M10 | M12 | M12 |
| KK | M8 | M8 | M10x1,25 | M10x1,25 | M12x1,25 | M12x1,25 | M16x1,5 | M16x1,5 |
| L3 | 3 | 3 | 3 | 3 | 4 | 4 | 4 | 4 |
| LA | 4,5 | 4,5 | 5 | 5 | 5 | 5 | 3 | 3 |
| PL | 7,5 | 7,5 | 7,5 | 8 | 8 | 7,5 | 8 | 10,5 |
| RT | M5 | M5 | M6 | M6 | M8 | M8 | M10 | M10 |
| TG | 22 | 26 | 32,5 | 38 | 46,5 | 56,5 | 72 | 89 |
| WH | 6,5 | 6 | 6,5 | 7 | 8 | 8 | 9 | 10 |
| X1 | ХОД ШТОКА №1 | |||||||
| X2 | ХОД ШТОКА №2 | |||||||
| ZA+ | 37 | 39 | 44 | 45 | 45 | 49 | 54 | 67 |
Сдвоенный пневмоцилиндр с несколькими положениями, с двойной тягой, с магнитом


| Размеры | ||||||||
| Ø | 020 | 025 | 032 | 040 | 050 | 063 | 080 | 100 |
| A | 16 | 16 | 19 | 19 | 22 | 22 | 28 | 28 |
| AF | 13 | 13 | 15 | 15 | 17 | 17 | 21 | 22 |
| ØD | 10 | 10 | 12 | 12 | 16 | 16 | 20 | 25 |
| ØD2 | 9 | 9 | 9 | 9 | 12 | 12 | 12 | 12 |
| ØD5 | 7,5 | 7,5 | 9 | 9 | 10,5 | 10,5 | 13,5 | 13,5 |
| E | 36 | 40 | 49 | 54,5 | 65,5 | 77 | 95,5 | 113,5 |
| EE | M5 | M5 | G1/8 | G1/8 | G1/8 | G1/8 | G1/8 | G1/8 |
| K | 8 | 8 | 10 | 10 | 13 | 13 | 17 | 22 |
| KF | M6 | M6 | M8 | M8 | M10 | M10 | M12 | M12 |
| KK | M8 | M8 | M10x1,25 | M10x1,25 | M12x1,25 | M12x1,25 | M16x1,5 | M16x1,5 |
| L3 | 3 | 3 | 3 | 3 | 4 | 4 | 4 | 4 |
| LA | 4,5 | 4,5 | 5 | 5 | 5 | 5 | 3 | 3 |
| PL | 7,5 | 7,5 | 7,5 | 8 | 8 | 7,5 | 8 | 10,5 |
| RT | M5 | M5 | M6 | M6 | M8 | M8 | M10 | M10 |
| TG | 22 | 26 | 32,5 | 38 | 46,5 | 56,5 | 72 | 89 |
| WH | 6,5 | 6 | 6,5 | 7 | 8 | 8 | 9 | 10 |
| X1 | ХОД ШТОКА №1 | |||||||
| X2 | ХОД ШТОКА №2 | |||||||
| ZA+ | 37 | 39 | 44 | 45 | 45 | 49 | 54 | 67 |
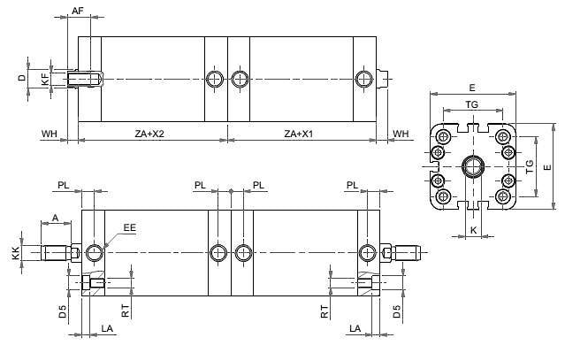
Сдвоенный пневмоцилиндр двойного действия, со штоками в разные стороны, с магнитом


| Размеры | ||||||||
| Ø | 020 | 025 | 032 | 040 | 050 | 063 | 080 | 100 |
| A | 16 | 16 | 19 | 19 | 22 | 22 | 28 | 28 |
| AF | 13 | 13 | 15 | 15 | 17 | 17 | 21 | 22 |
| ØD | 10 | 10 | 12 | 12 | 16 | 16 | 20 | 25 |
| ØD5 | 7,5 | 7,5 | 9 | 9 | 10,5 | 10,5 | 13,5 | 13,5 |
| E | 36 | 40 | 49 | 54,5 | 65,5 | 77 | 95,5 | 113,5 |
| EE | M5 | M5 | G1/8 | G1/8 | G1/8 | G1/8 | G1/8 | G1/8 |
| K | 8 | 8 | 10 | 10 | 13 | 13 | 17 | 22 |
| KF | M6 | M6 | M8 | M8 | M10 | M10 | M12 | M12 |
| KK | M8 | M8 | M10x1,25 | M10x1,25 | M12x1,25 | M12x1,25 | M16x1,5 | M16x1,5 |
| L3 | 3 | 3 | 3 | 3 | 4 | 4 | 4 | 4 |
| LA | 4,5 | 4,5 | 5 | 5 | 5 | 5 | 3 | 3 |
| PL | 7,5 | 7,5 | 7,5 | 8 | 8 | 7,5 | 8 | 10,5 |
| RT | M5 | M5 | M6 | M6 | M8 | M8 | M10 | M10 |
| TG | 22 | 26 | 32,5 | 38 | 46,5 | 56,5 | 72 | 89 |
| WH | 6,5 | 6 | 6,5 | 7 | 8 | 8 | 9 | 10 |
| X1 | ХОД ШТОКА №1 | |||||||
| X2 | ХОД ШТОКА №2 | |||||||
| ZA+ | 37 | 39 | 44 | 45 | 45 | 49 | 54 | 67 |
.
Если вы хотите купить пневмоцилиндры сдвоенные стандарта ISO 21287 , вы можете:
Позвонить:

