Установка гидравлическая многофункциональная с регулируемым пластинчатым насосом 2.2 кВт, 0.9 л/мин, 200 бар
Гидравлическая установка предназначена для питания и управления исполнительными механизмами различного технологического оборудования. Конструкция станции включает регулируемый насос, модульные распределительные блоки, редукционные клапаны, систему охлаждения и контрольно-измерительные приборы. Оборудование обеспечивает регулирование давления и расхода, подключение нескольких независимых линий, а также возможность диагностики и контроля параметров в процессе эксплуатации.
Станция адаптирована для работы в составе металлообрабатывающих и деревообрабатывающих станков, прессового оборудования, испытательных стендов и других гидроприводов. По требованию заказчика возможна индивидуальная комплектация и доработка.
Гидравлическая установка состоит из компактно расположенных компонентов. На крышке гидравлического бака установлены электродвигатель М, плита монтажная ПМ с клапанами редукционными КР1-КР6, реле давления РД1-РД6, гидрораспределителями Р1-Р6, фильтр напорный Фн и теплообменник ТО. С помощью муфты к двигателю крепится гидронасос Н, который установлен также на крышке гидробака. Манометры МН1-МН6 расположены на панели, которая устанавливается отдельно. Спереди бака установлены маслоуказатель МУ и сливная пробка ПС.

| 1. Бак гидравлический Б | 2. Пробка сливная ПС |
| 3. Маслоуказатель МУ | 4. Гидрораспределитель Р1 |
| 5. Реле давления РД | 6. Клапан редукционный КР1 |
| 7. Точка диагностическая ТД1 | 8. Плита монтажная ПМ |
| 9. Быстроразъемное соединение ПН2 | 10 Быстроразъемное соединение ПН1 |
| 11. Клапан давления гидронасоса | 12. Регулируемый гидронасос Н |
| 13. Идентификационная наклейка | 14. Резьбовая пробка с сапуном ФВ |
| 15. Колокол | 16. Электродвигатель М |
| 17. Теплообменник ТО | 18. Манометр МН |

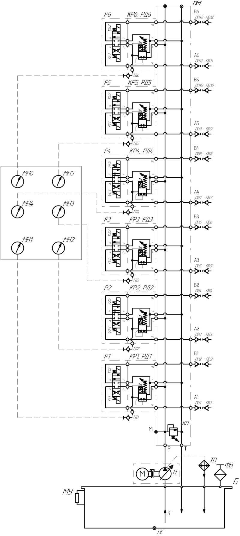
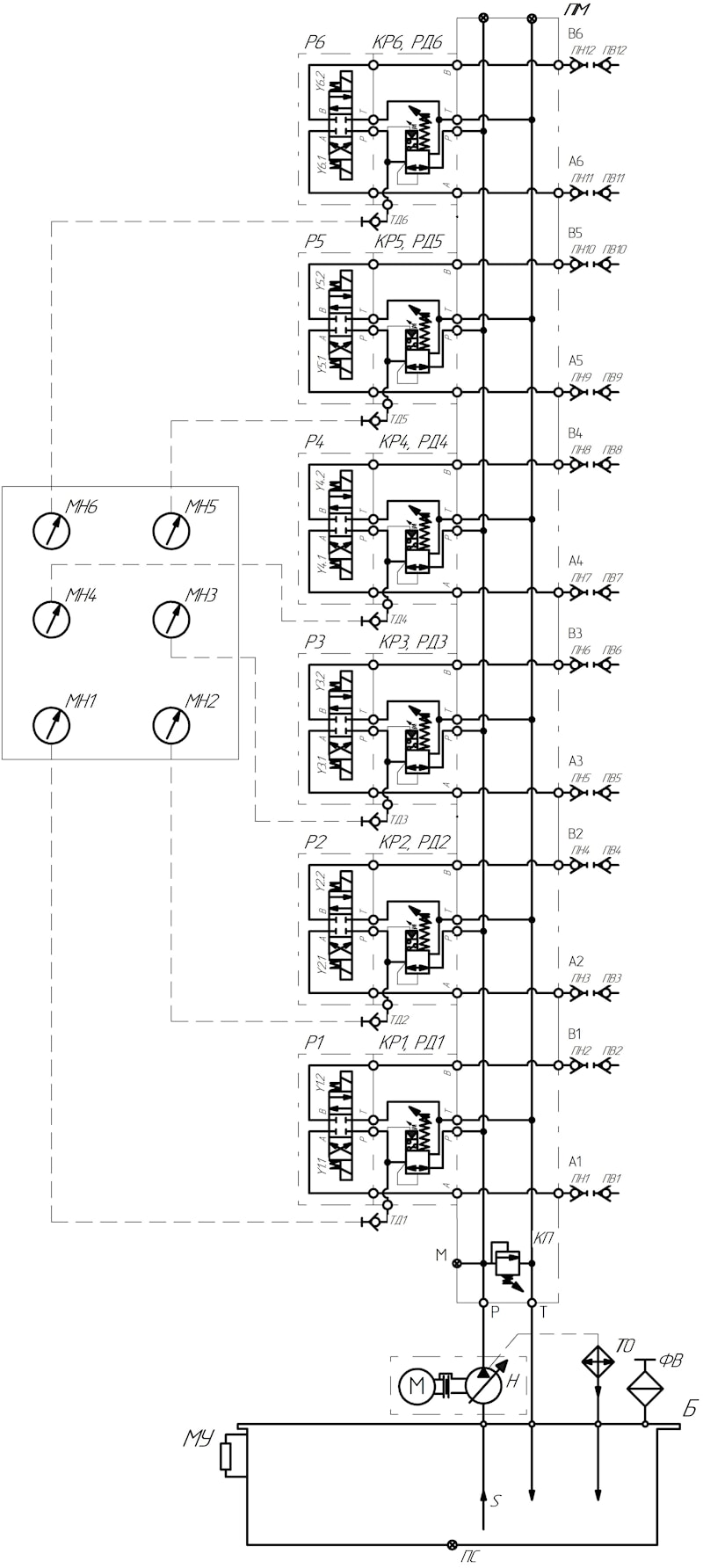
Рис. 2 – Схема гидравлическая принципиальная установки гидравлической
Принцип работы установки гидравлической
Регулируемый пластинчатый насос Н (см. рис. 1), приводимый во вращение электродвигателем М, всасывает из бака Б гидравлическое масло и нагнетает в напорную линию.Далее масло поступает в плиту монтажную ПМ, откуда масло поступает на один из распределителей в зависимости от подаваемого электрического сигнала.
Принцип работы данного регулируемого насоса заключается в следующем:
При имеющейся нагрузке, при увеличении давления посредством управляющей линии и клапана давления гидронасоса уменьшается его подача и наоборот, при уменьшении давления увеличивается подача.
От распределителей Р1-Р6 масло поступает к исполнительным органам. Распределители Р1-Р6 осуществляют управление потоком гидравлической жидкости. Редукционные клапана КР1–КР6 предназначены для снижения давления в соответствующей линии относительно общего давления в гидросистеме. Вместе с клапанами КР1-КР6 установлены реле давления РД1-РД6, которые предназначены для отключения привода гидроустановки при превышении установленного давления на редукционных клапанах КР1-КР6 согласно схемы гидравлической (см. рис. 1).
Для охлаждения рабочей жидкости в гидравлической установке предусмотрен теплообменник ТО, который установлен в дренажной линии регулируемого наоса Н. Для измерения давления в установки гидравлической присутствуют манометры МН1-МН6 (предусмотрены на каждую секцию). Манометры МН1-МН6, установленные отдельно на панели, подключаются к гидравлической установке к точкам диагностическим ТД1-ТД6 соответственно (точки диагностические ТД1-ТД6 установлены в клапана редукционные КР1-КР6 соответственно).
ПН1-ПН12 и ПВ1-ПВ12 – быстроразъемные соединения, ПН1-ПН12 – установлены на плите монтажной ПМ в линии A1-A6 и В1-В6 согласно схемы гидравлической (см. рис. 1). ПВ1-ПВ12 – полумуфты подключаемые с одной стороны к муфтам ПН1-ПН12, а с другой – к рукавам высокого давления, которые непосредственно связаны с исполнительными органами.
Для индикации уровня масла в гидравлическом баке предназначен маслоуказатель МУ. Заливается масло через фильтр заливной с сапуном ФВ. Сливается через пробку сливную ПС (см. рис. 1 и 2).
Технические характеристики
| Наименование параметров | Значение |
| Электродвигатель М | |
| Мощность, кВт | 2,2 |
| Напряжение, В | 380 |
| Частота вращения, об/мин | 1450 |
| Насос регулируемый Н | |
| Максимальное рабочее давление, бар | 200 |
| Подача, л/мин | 0.9 |
| Направление вращения | правое |
| Бак Б | |
| Объем, л | 40 |
| Размещение | горизонтально |
| Гидрораспределители Р1-Р6 | |
| Тип управления | электромагнитный |
| Напряжение, В | 24 |
| Температура окружающей среды, °С: | |
| Минимальная | - 20 |
| Максимальная | +50 |
| Основные марки рабочей жидкости*: | |
| Зимой | МГ-15В ТУ 38.101479-00 |
| Летом | МГЕ-46В ТУ 38.001347-83 |
| Фильтр заливной с сапуном ФВ | |
| Номинальная тонкость фильтрации, мкм | 40 |
| Класс чистоты рабочей жидкости по ГОСТ 17216-71, не ниже | 10 |
| Количество заливаемой раб. жидкости **, л | 29,5 |
| Масса гидроустановки, не более, кг | 100 |
| Масса гидроустановки с раб. жидкостью, не более, кг | 127 |
| Габаритные размеры, не более, мм | |
| а (длина) | 550 |
| b (ширина) | 610 |
| c (высота) | 800 |

