Гидростанция привода рампы с поворотной апарелью (доквеллер) MPP-472 1.1 кВт, 4 л/мин, 160 бар
Гидростанция привода рампы HPP DL-EBZ2,7/055-04D применяется для гидропривода складских платформ (dock leveler) с поворотной апарелью.
Подключение и запуск.
1. Присоединяем рукава высокого давления (2SN не менее 250 бар) и заливаем масло.
2. Подключаем электрику, проверяем фазировку мотора, чтобы направление вращения совпадало со стрелкой.
3. Включаем и выключаем мотор несколько раз, пока не выйдет воздух из системы, при этом проверяем уровень масла, при необходимости доливаем.
Принцип работы.
При включении электродвигателя масло от насоса поступает в канале В и происходит поднятие апарели (козырька). Когда в канале давление достигает значения 120 бар (цилиндр дошел до упора) масло начинает поступать в канал А, С и происходит поднятие рампы.
При выключении мотора апарель останавливается в заданном положении.
При подаче напряжения на клапан без включения мотора происходит слив масла сначала из канала А, С, затем, после прекращения потока слива канала А, С, происходит слив из канала В. Таким образом, осуществляется поочередное опускание сначала рампы, потом апарели. Скорость опускания, при желании, можно изменить дросселями.
Когда рампа опирается на борт автомобиля, напряжение должно подаваться на клапан, чтобы обеспечить «плавающее» положение, т.к. высота борта в процессе загрузки меняется.
См. так же МРР330DL
Гидросхема:
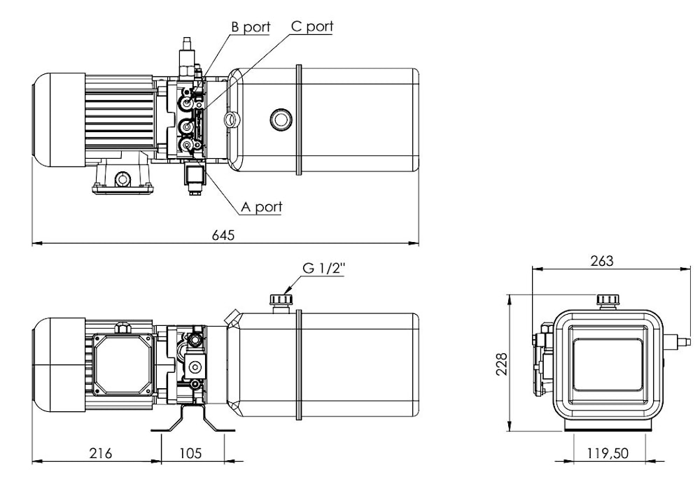
Размеры:


