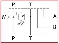
Одноместная монтажная плита с предохранительным клапаном тип BS5
| Вязкость масла | 10-500 мм2/с |
| Требование к чистоте масла | SAE класс 4 и выше |
| Температура рабочей жидкости | от - 20 °С до + 80 °С |
| Температура окружающей среды | от - 20 °С до + 50 °С |

Скачать технические характеристики. размеры плиты BS5

| Технические характеристики | ||||||
| Модель | Порты P-T-A-B | Порт М | Макс. расход л/мин | Макс. давл., бар | Масса, кг. | Тип клапана |
| BS5 | BSPP1/2 | BSPP1/4 | 80 | 210 | 1,25 | VMD90 |
Если вас заинтересовала представленная информация или вы не нашли нужный товар или услугу, пожалуйста, позвоните или отправьте запрос на консультацию:
Позвонить:

