Клапан последовательности прямого действия VSL


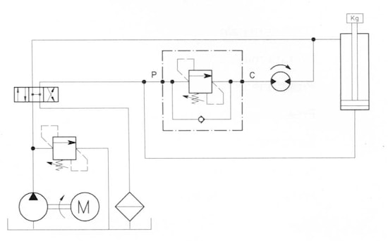
Типичная схема применения клапана последовательности (sequence Valve)

Вязкость масла | 10-500 мм2/с |
Требование к чистоте масла | SAE класс 4 и выше |
Температура рабочей жидкости | от - 20 °С до + 80 °С |
Температура окружающей среды | от - 20 °С до + 50 °С |
Максимальное давление | 30 МПа (300 бар) |
Масса | 0,89-1,2 кг |
Скачать технические характеристики и размеры


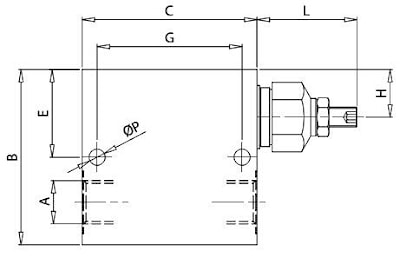
Технические характеристики | ||||||||||||||
Модель | A | Макс. расход л/мин | Макс. давл., бар | B | C | D | E | G | L | M | N | H | P | Масса, кг. |
VSL140 | BSPP1/4 | 40 | 300 | 60 | 65 | 30 | 35 | 46 | 49,5 | 15 | 13 | 18 | 5,5 | 0,89 |
VSL380 | BSPP3/8 | 40 | 300 | 60 | 70 | 30 | 32,5 | 58 | 38 | 15 | 13 | 17 | 6,5 | 0,89 |
VSL120 | BSPP1/2 | 40 | 300 | 70 | 70 | 35 | 35 | 58 | 38 | 18 | 17 | 19 | 6,5 | 1,2 |
производитель
Oleoweb
Если вы хотите купить клапан последовательности прямого действия VSL , вы можете:
Позвонить: