Насосы пластинчатые сдвоенные PV2R 210 бар, 5-237 см3
210 бар, 5-237 см3
Сдвоенные насосы состоят из тандема насосов PV2R приводимых от одного вала с общим всасыванием и раздельными линиями нагнетания.Сдвоенными не могут быть секции одного типоразмера.
Расходно-мощностная характеристика сдвоенного пластинчатого насоса равна сумме входящих в него одиночных насосов:
PV2R1, PV2R2
PV2R2, PV2R3, PV2R4
Технические параметры здесь
Условное обозначение:
| PV2R12- | 11- | 53 | F- | R- | A- | B- |
| Модель | объем (ml/rev.) | объем (ml/rev.) | Монтаж F- фланец L- лапы | Направление вращения R: по часовой L: против часовой | Нагнетание первой секции (вид со стороны вала) А: сверху В: снизу R: справа L: слева | Всасывание А: сверху (стандарт) В: снизу R: справа L: слева |
| PV2R12 | 6, 8, 10, 12, 14, 17, 19, 23, 25, 31 | 26, 33, 41, 47, 53, 59, 65 | ||||
| PV2R13 | 76, 94, 116 | |||||
| PV2R23 | 41, 47, 53, 59, 65 | 52, 60, 66, 76, 94, 116 | ||||
| PV2R24 | 26, 33, 41, 47 | 136, 153, 184, 200, 237 |
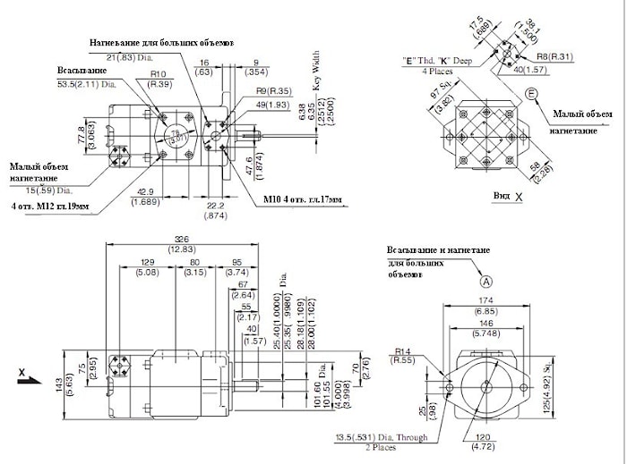
Сдвоенный насос PV2R12 фланцевый монтаж габаритные и присоединительные размеры

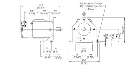
Сдвоенный насос PV2R12 монтаж на лапах габаритные и присоединительные размеры

производитель
Risen Gold
Если вы хотите купить насосы пластинчатые сдвоенные PV2R , вы можете:
Позвонить:
Ещё из раздела насосы пластинчатые нерегулируемые
Насосы пластинчатые нерегулируемые двукратного действия типа БГ12-4 используются в гидроприводах металлорежущих станков и др. машин, где требуется давление до 10 МПа и нерегулируемый по величине поток минерального масла. Насосы серии БГ12-4 ...

