Насосы пластинчатые однопоточные PV2R 210 бар, 5-237 см3
210 бар, 5-237 см3
Широко примененяются благодаря высокому давлению и широкому диапазону подачи. Обладает низким уровнем шумности.К этим насосам поставляются картриджи, что позволяет легко менять изнашивающиеся части насосов.
Поставляются как одиночные, так и сдвоенные насосы.
Расходно-мощностные характеристики пластинчатых насосов:
PV2R1, PV2R2
PV2R2, PV2R3, PV2R4
Условное обозначение:
| PV2R1 | 11 | F | R | A | A |
| модель PV2R1 PV2R2 PV2R3 PV2R4 | Объем, см3 6, 8, 11, 14, 17, 19, 23, 26, 31 41, 47, 53, 59, 65 76, 82, 88, 94, 108, 116, 126 136, 153, 184, 200, 237 | Монтаж F- фланец L- лапы | Направление вращения R: по часовой L: против часовой | Нагнетание (вид со стороны вала) А: сверху (стандарт) В: снизу R: справа L: слева | Всасывание А: сверху (стандарт) В: снизу R: справа L: слева |
Технические параметры пластинчатых насосов PV2R
| Модель | Геоме- тричес кий объем мл/об. | Максимальное давление, Мпа | Диапазон частоты вращения r/min | Примерная масса kg | ||||||||
| масла на нефтяной основе | жидкости с водой | Синте- тика | ||||||||||
| противо- износ. присадки | VG- 32/46 | Водный гликоль с присад кой | Водный гликоль | Эмуль сия вода в масле | эфир фосфор. кислоты | Макс. | Мин. | Фла нец | Лапы | |||
| PV2R1- | 06 | 5.8 | 21 *5 | 16 | 16 | 7 | 7 | 16 | 1800(1200) *3 | 750 *4 | 9.0 | 11.2 |
| 08 | 8.0 | 16 | 16 | 7 | 7 | 16 | ||||||
| 10 | 9.4 | 21 | 16 | 16 | 7 | 7 | 16 | |||||
| 12 | 12.2 | 21 | 16 | 16 | 7 | 7 | 16 | |||||
| 14 | 13.7 | 21 | 16 | 16 | 7 | 7 | 16 | |||||
| 17 | 16.6 | 21 | 16 | 16 | 7 | 7 | 16 | |||||
| 19 | 18.6 | 21 | 16 | 16 | 7 | 7 | 16 | |||||
| 23 | 22.7 | 21 | 16 | 16 | 7 | 7 | 16 | |||||
| 25 | 25.3 | 21 | 16 | 16 | 7 | 7 | 16 | |||||
| 31 | 31.0 | 16 | 16 | 16 | 7 | 7 | 16 | |||||
| PV2R2- | 41 | 41.3 | 21 | 14 | 16 | 7 | 7 | 14 | 1800(1200) *3 | 600 *4 | 19.0 | 23.3 |
| 47 | 47.2 | 21 | 14 | 16 | 7 | 7 | 14 | |||||
| 53 | 52.5 | 21 | 14 | 16 | 7 | 7 | 14 | |||||
| 59 | 58.2 | 21 | 14 | 16 | 7 | 7 | 14 | |||||
| 65 | 64.7 | 21 | 14 | 16 | 7 | 7 | 14 | |||||
| PV2R3- | 76 | 76.4 | 21 | 14 | 16 | 7 | 7 | 14 | 1800(1200) *3 | 600 | 36.7 | 46.7 |
| 94 | 93.6 | 21 | 14 | 16 | 7 | 7 | 14 | |||||
| 116 | 115.6 | 16 | 14 | 16 | 7 | 7 | 14 | 1800(1200) *1 *3 | ||||
| PV2R4- | 136 | 136 | 17.5 | 14 | 16 | 7 | 7 | 14 | 1800(1200) *3 | 600 | 68.5 | 93.5 |
| 153 | 153 | 17.5 | 14 | 16 | 7 | 7 | 14 | |||||
| 184 | 184 | 17.5 | 14 | 16 | 7 | 7 | 14 | |||||
| 200 | 201 | 17.5 | 14 | 16 | 7 | 7 | 14 | |||||
| 237 | 237 | 17.5 | 14 | 16 | 7 | 7 | 14 | 1800(1200) *2 *3 | ||||
*2. Если PV2R4-237 используется на оборотах свыше 1700 r/min,давление на всасывании не должно превышать -13 kPa.
*3. Если используется эфир фосфорной кислоты или водная эмульсия, максимальные обороты не должны превышать 1200 r/min.
*4. Обеспечить плавный старт, ограничение по вязкости масла.
*5. Для давлении более 16 MPa, обеспечить обороты не менее 1450 r/min.
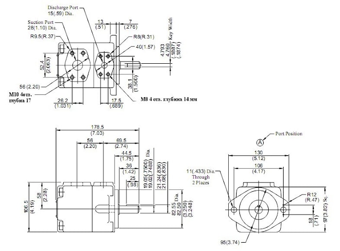
Одиночный насос PV2R1 монтаж на фланце

Одиночный насос PV2R1 монтаж на лапах

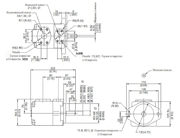
Одиночный насос PV2R2 монтаж на фланце

Одиночный насос PV2R2 монтаж на лапах

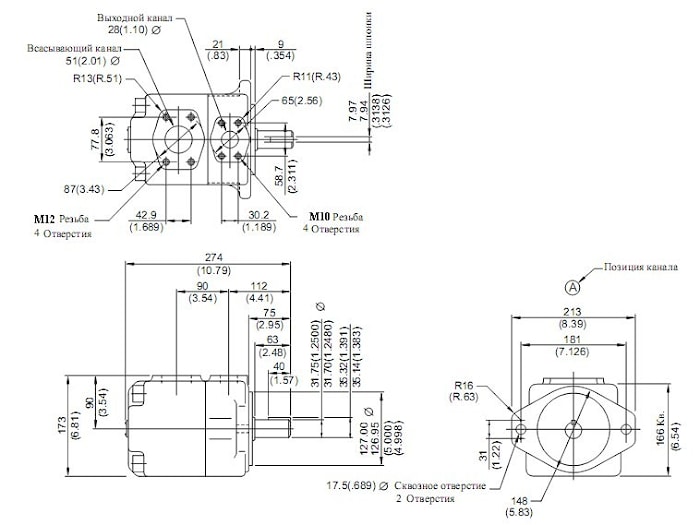
Одиночный насос PV2R3 монтаж на фланце

Одиночный насос PV2R3 монтаж на лапах

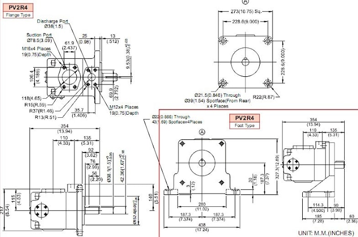
Одиночный насос PV2R4

производитель
SOLTECH
Если вы хотите купить насосы пластинчатые однопоточные PV2R , вы можете:
Позвонить:
Ещё из раздела насосы пластинчатые нерегулируемые
Насосы пластинчатые нерегулируемые двукратного действия типа БГ12-4 используются в гидроприводах металлорежущих станков и др. машин, где требуется давление до 10 МПа и нерегулируемый по величине поток минерального масла. Насосы серии БГ12-4 ...

