Насосный агрегат для мобильной техники 5717-08 4.5 кВт, 13 л/мин, 200 бар
Данный насосный агрегат предназначен для эффективного создания и подачи рабочей жидкости под давлением в гидравлические системы мобильных машин и механизмов. Его конструкция обеспечивает высокую надежность и стабильность работы даже в условиях интенсивных вибраций, переменных нагрузок и ограниченного монтажного пространства. Ключевые преимущества агрегата включают его компактность, простоту установки и обслуживания, а также значительный ресурс эксплуатации. Мы также предлагаем возможность индивидуальной комплектации агрегата, адаптированной под специфические требования заказчика.
Габаритные размеры:

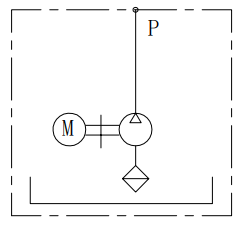
Схема гидравлическая:

| Технические характеристики | |
| Параметр | Значение |
| Электродвигатель | |
| Мощность, кВт | 4,5 |
| Напряжение, В | 24 |
| Частота вращения, об/мин | 2700 |
| Насос | |
| Рабочий объём, см3 | 5 |
| Максимальное давление, бар | 200 |
| Подача, л/мин | 13 |
| Размеры | |
| Высота, мм | 155 |
| Длина, мм | 379 |
| Ширина, мм | 144 |
| Масса, кг | 22 |
производитель
GPA

