Фильтры сливные серии MPF    2"-2" до 900 л/мин
   Сливной фильтр предназначен для установки на гидравлических баках, обеспечивая эффективную фильтрацию рабочей жидкости. Фильтрующий элемент работает по принципу фильтрации снаружи внутрь, обеспечивая защиту от загрязнений. Фильтр рассчитан на рабочее давление до 8 бар и поддерживает расход до 900 л/мин. Подходит для систем с резьбовыми соединениями от 1/2 до 2 дюймов (BSP/NPT/SAE) и фланцевыми соединениями SAE 61 до 2 дюймов.
Доступны варианты с одинарным или многопортовым исполнением. Фильтр оснащен удлинительной трубкой с защелкивающимся креплением, диффузором выходного потока и масляным щупом для контроля уровня масла. Для упрощения обслуживания предусмотрены съемные колба и фильтрующий элемент, что предотвращает попадание загрязнений обратно в бак при замене.
MPF — это серия фильтров для защиты бака от загрязнений системы.
Фильтры монтируются непосредственно к баку в погруженном или полупогруженном положении.
Выход фильтра всегда должен быть погружен в жидкость, чтобы избежать аэрации или образования пены в баке.
Доступные характеристики:
- Резьбовые соединения до 2" и фланцевые соединения до 2" для максимального расхода 900 л/мин
 - Несколько соединений для подключения нескольких возвратных линий или дренажей
 - Высокая степень фильтрации для достижения высокого уровня чистоты жидкости в баке
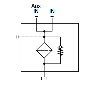
 - Перепускной клапан, встроенный в фильтрующий элемент, для снятия избыточного перепада давления через фильтрующую среду
 - 2, 3 или 4 монтажных отверстия для установки, подходящих к различным поверхностям бака
 - Уплотнительное кольцо или плоское уплотнение для разных типов поверхностей бака
 - Щуп для легкой проверки уровня жидкости в баке (продается отдельно)
 - Удлинительная трубка для использования в глубоких резервуарах (продается отдельно)
 - Диффузор для снижения риска аэрации, пенообразования и шума (продается отдельно)
 - Пробка для заправки, позволяющая заливать очищенную жидкость в бак без дополнительного подключения
 - Визуальные, электрические и электронные индикаторы засорения
 
Основные области применения:
- Легкое промышленное оборудование
 - Мобильные устройства
 
Материалы корпуса фильтра:
- Головка: алюминий
 - Крышка: 
- Полиамид: MPF 020-030-100-104-110
 - Алюминий: MPF 181-182-184-191-192-194-400-410-450-451-750
 
 - Колба: полиамид
 
Перепускной клапан:
- Давление открытия: 175 кПа (1,75 бар) ±10%
 - Давление открытия: 300 кПа (3 бар) ±10%
 
Тип фильтрующего элемента:
- Микрофибровые фильтрующие элементы — серия H: 10 бар
 - Поток жидкости через фильтрующий элемент снаружи вовнутрь
 
Уплотнения:
- Стандартные NBR, серия A
 - Опционально FPM, серия V
 
Температурный диапазон:
- От -25 °C до +110 °C
 
Примечание: Фильтры серии MPF предназначены для вертикальной установки.
| Серия фильтров | Подключение 1 | Подключение 2 | 
| MPF 020 | • | |
| MPF 030 | • | |
| MPF 100 | • | |
| MPF 104 | • | |
| MPF 110 | • | |
| MPF 181 | • | |
| MPF 182 | • | |
| MPF 184 | • | • | 
| MPF 191 | • | |
| MPF 192 | • | |
| MPF 194 | • | • | 
| MPF 400 | • | |
| MPF 410 | • | |
| MPF 450 | • | |
| MPF 451 | • | |
| MPF 750 | • | 
Подключение 1:

Подключение 2:

Код заказа для MPF020-MPF030:

Код заказа для MPF100-MPF104:

Код заказа для MPF110:

Код заказа для MPF181-MPF191:

Код заказа для MPF182-MPF192:

Код заказа для MPF184-MPF194:

Код заказа для MPF400:

Код заказа для MPF410:

Код заказа для MPF450-MPF451-MPF750:

производитель
MPfiltri

