Линейные фильтры картриджного типа cерии RF 14 бар, 185 л/мин
14 бар, 185 л/мин
Фильтры линейные типа RFT, RF предназначены для очистки от механических примесей минеральных масел на сливных линиях.Фильтры используются в гидроприводах различного оборудования.
Устанавливаются в сливную или всасывающую линию с давлением масла до 1,4 МПа.
Представляют собой корпус с исполнением трубопроводов в зависимости от назначения с навинченным фильтроэлементом в металлическом корпусе.
В модели RFT встроен манометр, сливная линия заведена непосредственно в бак.
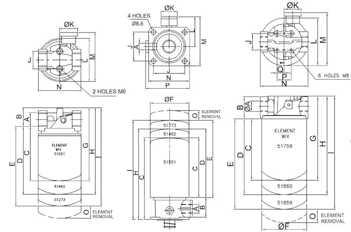
Габаритные размеры

| Модель | A (Rc/PT) | B | C | D | E | F | G | H | I | J | K | L | M | N | O | P | Q |
| RF-06 | 3/4" | 53 | 135 | 178 | 215 | 93 | 188 | 231 | 268 | 38 | 38 | 80 | 105 | 93 | 25 | — | — |
| RF-08 | 1" | 53 | 135 | 178 | 215 | 93 | 188 | 231 | 268 | 38 | 38 | 80 | 105 | 93 | 25 | — | — |
| RF-10 | 1-1/4" | 65 | 167 | 230 | 286 | 127 | 232 | 295 | 351 | 47 | 38 | 136 | 150 | 136 | 45 | 37 | 18,5 |
| RFT-06 | 3/4" | 49 | 135 | 178 | 215 | 93 | 184 | 227 | 264 | 71 | 38 | 92 | 135 | 89 | — | 95 | — |
| Модель | Прис.отв (Rc/PT) | ØA | B | Тонкость фильтр., мкм | Расход, л/мин |
| WIX-51551 | 06: 3/4"-16UNF 08: 1"-12UNF | 93 | 135 | 10 | 60 |
| WIX-51553 | 135 | 33 | 70 | ||
| WIX-51426 | 178 | 25 | 90 | ||
| WIX-51746 | 10: 1-1/4"-12UNF 12: 1-1/2"-12UNF | 127 | 174 | 5 | 130 |
| WIX-51758 | 174 | 25 | 160 | ||
| WIX-51759 | 174 | 10 | 144 | ||
| WIX-51860 | 230 | 10 | 172 | ||
| WIX-51861 | 230 | 25 | 185 |
производитель
SOLTECH
Если вы хотите купить линейные фильтры картриджного типа cерии RF , вы можете:
Позвонить:

