Фильтры сливные тип ФС05, ФС10, ФС20 1/2"-1" до 150 л/мин
1/2"-1" до 150 л/мин
Фильтры сливные серии ФС предназначены для фильтрации гидравлической жидкости в широком спектре гидросистем.
Конструктивно фильтр наполовину встраиваемый, что позволяет его компактно размещать на гидробаке
Технические данные:
Конструкция:алюминиевая головка, корпус нейлон
Уплотнительнитрил
Максимальное рабочее давление 8 бар
Рабочая температура -10°C~ +100°C
Жидкость Минеральные масла
Номинальный расход 40~150 л/мин.
Давление открытия байпаса 1,5 бар ± 0,3 бар
Диапазон фильтрации 25 мк/60 мк (проконсультируйтесь по поводу другого мк)
Соединение G1/2"-G3/4"-G1"
Эффективность фильтрации 98% для 25 мкм - 99% для 60 мкм
см. также индикатор засоренности
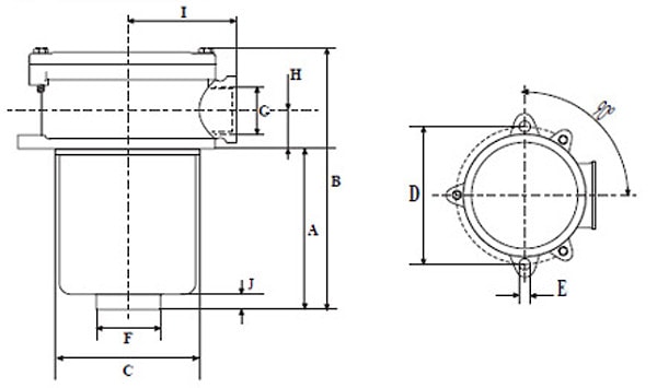
Размеры:

| Модель | Расход л/мин | G | A | B | C | D | E | F | H | I | J |
| ФС05-25 | 40 | 1/2" | 88 | 140 | 66 | 90 | 7 | 24 | 22 | 51 | 24 |
| ФС05-60 | 70 | 1/2" | 88 | 140 | 66 | 90 | 7 | 24 | 22 | 51 | 24 |
| ФС10-25 | 65 | 1/2" | 103 | 172 | 87 | 115 | 9 | 1" | 30 | 66 | 11 |
| ФС10-60 | 115 | 1/2" | 103 | 172 | 87 | 115 | 9 | 1" | 30 | 66 | 11 |
| ФС11-25 | 65 | 3/4" | 103 | 172 | 87 | 115 | 9 | 1" | 30 | 66 | 11 |
| ФС11-60 | 115 | 3/4" | 103 | 172 | 87 | 115 | 9 | 1" | 30 | 66 | 11 |
| ФС20-25 | 110 | 3/4" | 136 | 205 | 87 | 115 | 9 | 1" | 30 | 66 | 11 |
| ФС20-60 | 150 | 3/4" | 136 | 205 | 87 | 115 | 9 | 1" | 30 | 66 | 11 |
| ФС21-25 | 110 | 1" | 136 | 205 | 87 | 115 | 9 | 1" | 30 | 66 | 11 |
| ФС21-60 | 150 | 1" | 136 | 205 | 87 | 115 | 9 | 1" | 30 | 66 | 11 |
Фильтроэлементы

| Код элемента | Тонкость фильтрации мкм | K | L | M | Площадь фильтрации, см |
| ФСЭ05-25 | 25μ | 70 | 25 | 50 | 540 |
| ФСЭ05-60 | 60μ | 70 | 25 | 50 | 330 |
| ФСЭ10-25 | 25μ | 100 | 29 | 71 | 1250 |
| ФСЭ10-60 | 60μ | 100 | 29 | 71 | 650 |
| ФСЭ20-25 | 25μ | 130 | 29 | 71 | 1700 |
| ФСЭ20-60 | 60μ | 130 | 29 | 71 | 840 |
Если вы хотите купить фильтры сливные тип ФС05, ФС10, ФС20 , вы можете:
Позвонить:

