Модульный двухлинейный компенсатор давления AM3-PC 32 л/мин, 320 бар
32 л/мин, 320 бар
2-ходовой компенсатор давления обычно используется вместе с пропорциональными распределителями для поддержания равномерного потока независимо от колебаний давления. Должна быть исключена возможность разрежения в линии потребителя (попутная нагрузка) Технические данные:
| Максимальный расход | 32 l/min |
| Номинальное давление | 32 MPa (320 bar) |
| Установка ΔP | 10 бар |
| Масса | 1кг |
Код для заказа:
(1) AM3: модульный клапан CETOP 03
(2) PC: компенсатор давления
(3) версии по контролю давления:
без обозначения: управление в А и В
A: управление в A
B: контроль в B
(4) ΔP (стандартно 10 бар)
M = ручка регулировки
(6) Номер версии клапана
Принцип работы, устройство:
Клапаны AM3-PC- * представляют собой двухходовые компенсаторы давления с прямым управлением. Основными частями этих клапанов являются корпус 1, управляющий золотник 2, пружина 3 и логический клапан 4. Пружина 3 удерживает золотник в открытом положении от P2 до P1 при условии, что разница давлений между P1 и A (P1 - B ) меньше Δp = 10 бар. Когда перепад давления превышает значение Δp = 10 бар, золотник перемещается против пружины, пока не будет восстановлен желаемый перепад давления.
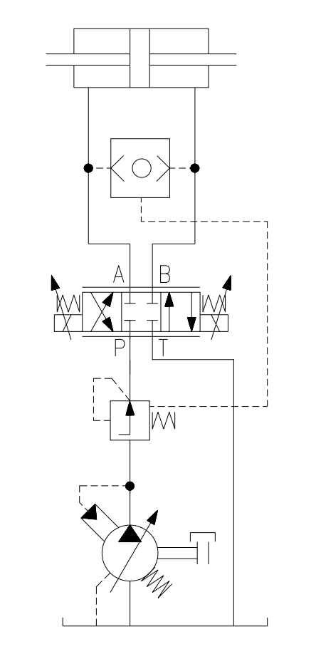
Пример применения:
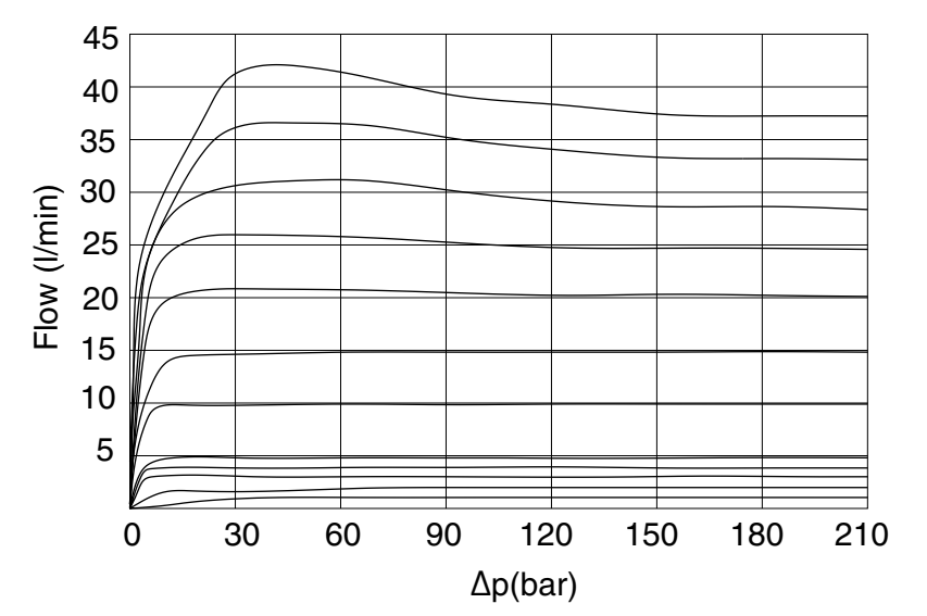
ТИПОВЫЕ ДИАГРАММЫ
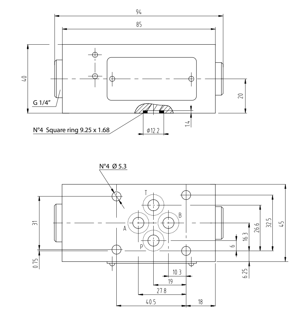
УСТАНОВОЧНЫЕ РАЗМЕРЫ (мм):
Клапаны AM3-LS-P3 * соответствуют стандартам ISO и CETOP в отношении монтажной поверхности. Высота клапана 40 мм. Уплотнение между клапаном и монтажной поверхностью обеспечивается 4-мя уплотнениями типа OR 2037.
производитель
GPA
Если вы хотите купить модульный двухлинейный компенсатор давления AM3-PC , вы можете:
Позвонить:

