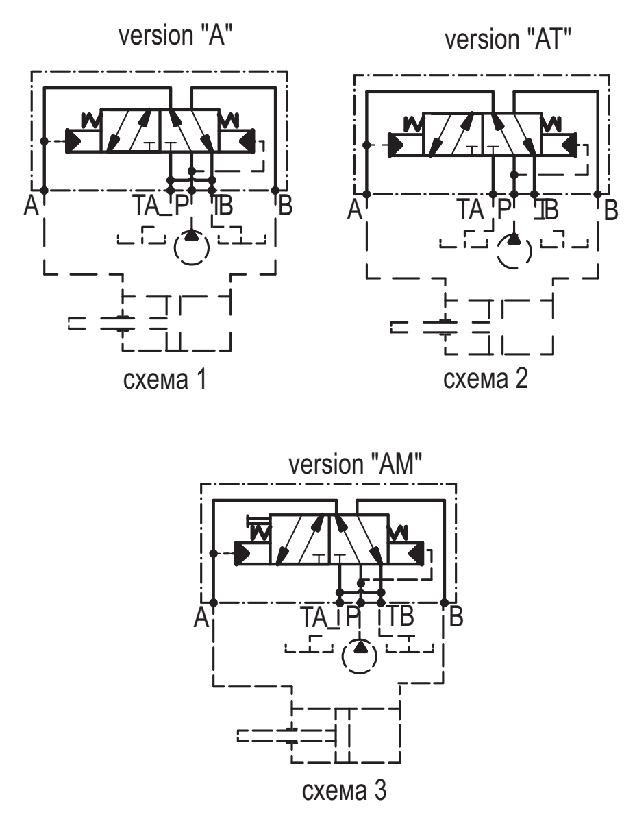
Самореверсивный гидрораспределитель 4/2 RHA 10/20A (реверс по потоку) переключение по давлению 200 бар, 80л/мин Ду 10
переключение по давлению
200 бар, 80л/мин
Ду 10
Технические характеристики:
| Температура окружающей среды | °C | -20...+50 |
| Давление ном. Pw | bar | 50...200 |
| Давление настройки основного клапана (position 1) | bar | PW+10%PW |
| Расход | л/мин | 3...80 |
| Рабочая жидкость гидравлическое масло на минеральной основе | ||
| - вязкость | mm2/s | 10...100 |
| - фильтрация | мкм | 25 и тоньше |
| - температура | °c | -20...+80 |
Кривая расхода:
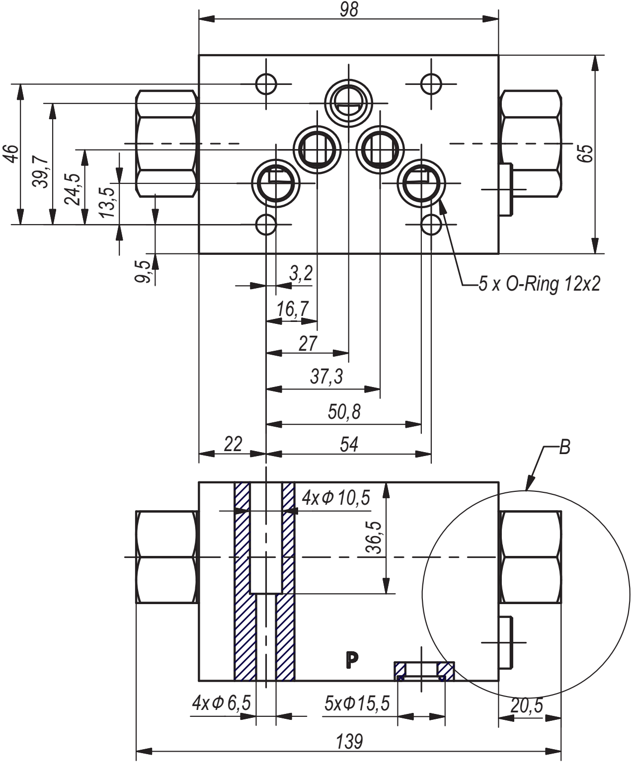
Габаритные и присоединительные размеры:
Код для заказа:

производитель
GPA
Если вы хотите купить самореверсивный гидрораспределитель 4/2 RHA 10/20A (реверс по потоку) , вы можете:
Позвонить:

