Самореверсивный гидрораспределитель 4/2 RHA 06/20 переключение по давлению 200 бар, 40л/мин Ду 6
переключение по давлению
200 бар, 40л/мин
Ду 6


Технические характеристики:
Температура окружающей среды | °C | -20...+50 |
Давление ном. Pw | bar | 50...200 |
Давление настройки основного клапана (position 1) | bar | PW+10%PW |
Расход | л/мин | 3...40 |
Рабочая жидкость гидравлическое масло на минеральной основе | ||
- вязкость | mm2/s | 10...100 |
- фильтрация | мкм | 25 и тоньше |
- температура | °c | -20...+80 |
Кривая расхода:

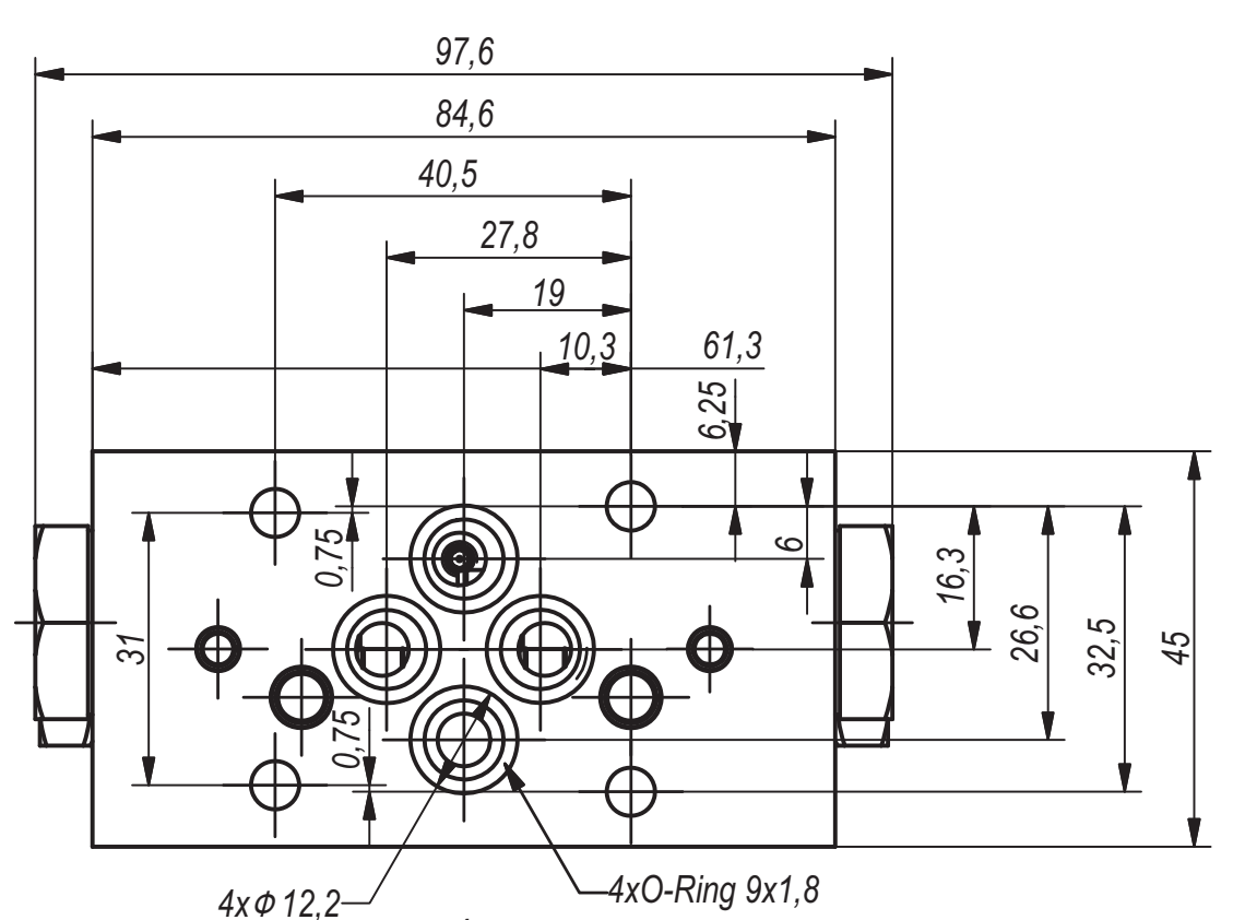
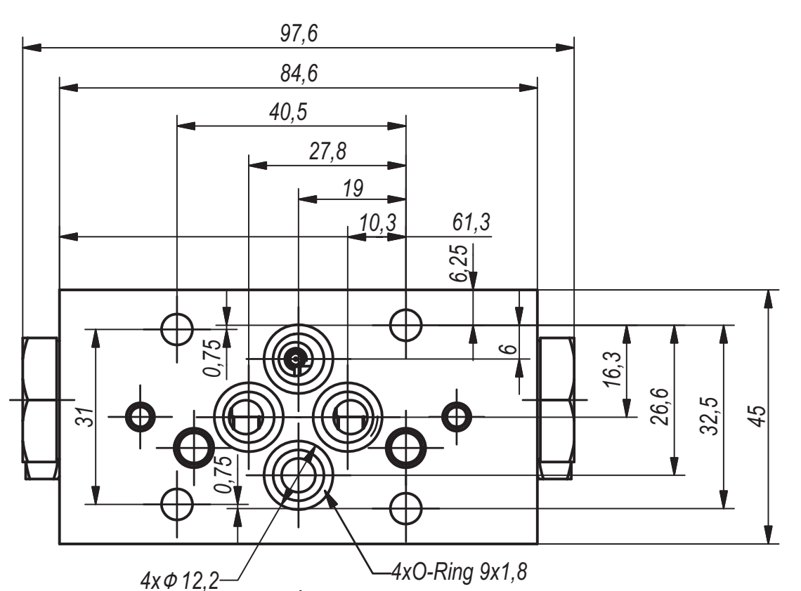
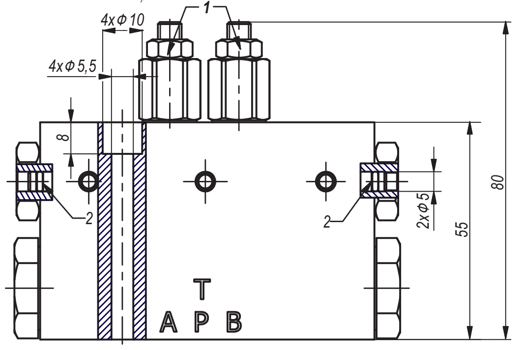
Габаритные и присоединительные размеры:


Код для заказа:

производитель
GPA
Если вы хотите купить самореверсивный гидрораспределитель 4/2 RHA 06/20 , вы можете:
Позвонить: