Самореверсивный гидрораспределитель 4/2 RHA 10/20 переключение по давлению 200 бар, 80л/мин Ду 10
переключение по давлению
200 бар, 80л/мин
Ду 10


Технические характеристики:
Температура окружающей среды | °C | -20...+50 |
Давление ном. Pw | bar | 50...200 |
Давление настройки основного клапана (position 1) | bar | PW+10%PW |
Расход | л/мин | 5...80 |
Рабочая жидкость гидравлическое масло на минеральной основе | ||
- вязкость | mm2/s | 10...100 |
- фильтрация | мкм | 25 и тоньше |
- температура | °c | -20...+80 |
Кривая расхода:

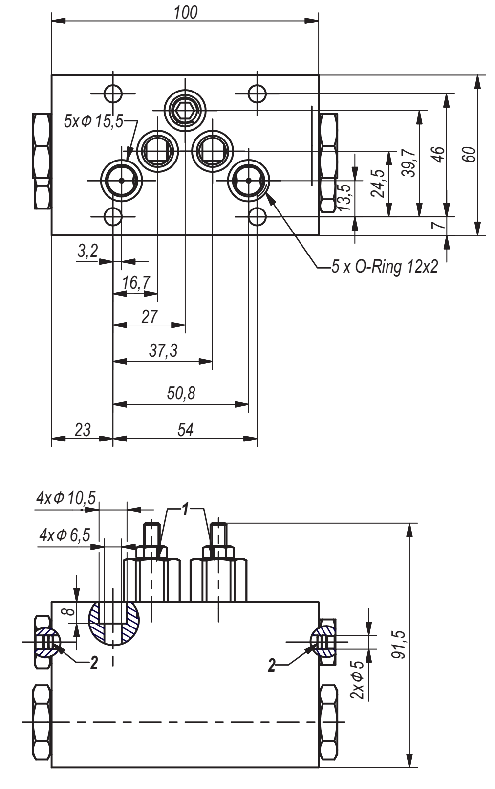
Габаритные и присоединительные размеры:

Код для заказа:

производитель
GPA
Если вы хотите купить самореверсивный гидрораспределитель 4/2 RHA 10/20 , вы можете:
Позвонить: