Регулятор расхода трехлиненйный с пропорциональным электроуправлением и предохранительным клапаном 3WFL-M204 350 бар, 90 л/мин
350 бар, 90 л/мин
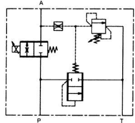
Регулятор расхода пропорциональный трехлинейный предназначен для ограничения давления и регулирования величины потока (расхода) в гидравлических системах с расходом до 90 л/мин, и давлением не выше 350 бар. Регулируемый поток не зависит от величины давления на входе и вязкости масла, максимальный поток на выходе составляет 50 л/мин. Технические данные:
Максимальный регулируемый поток -50 л/мин
Максимальный поток -90 л/мин
Макс. давление в линии Т -10 bar
Максимальное давление в линиях Р,А - 350 bar
Уплотнения NBR
Max ток для 12В - 1800mA
Max ток для 24 Vcc - 900mA
частота включений в минуту макс 120 Hz
Повторяемость 5%
Масса с электромагнитом 1,800 Kg
Присоединительная резьба -1/2"BSP
Диапазон регулировки
давления - 40-220 бар
Схема гидравлическая

Если вы хотите купить регулятор расхода трехлиненйный с пропорциональным электроуправлением и предохранительным клапаном 3WFL-M204 , вы можете:
Позвонить:

