Пропорциональный пилот предохранительного клапана 350 бар 1,2 л/мин
350 бар 1,2 л/мин

Гидросхема пилота с дополнительным ручным предохранительным клапаном:

без дополнительного клапана

Технические данные:
Модель | EDG-G01 |
Макс. расход | 1.2 l/min |
Диапазон давления | C1 : 10-143 kgf/cm2 (1.0~14Mpa) H2 : 15.3-214 kgf/cm2 (1.5-21Mpa) 3 : 15.3-286 kgf/cm2 (1.5-28Mpa) 4 : 20-357 kgf/cm2 (2.0-35Mpa) |
Ток | 800 mA |
Сопротивленеи катушки | 10Ом или 20Ом (20°C ) |
Магнитный гистерезис | <3% |
Посторяемость | <1% |
Модель усилителя | TW2085, TW2085-2 |
Масса | 1.6 kg |
значения с усилителем TW2085-2 (с ШИМ)
График зависимости давления от силы тока:

Код для заказа:

1 ► | Модель | EDG | |
2 ► | Резьбовое присоединение | G01 | 1/4" |
3 ► | Диапазон настройки давления | C1 | 10-143 kgf/cm2 (1.0-14 Mpa) |
H2 | 15.3-214 kgf/cm2 | ||
(1.5-21 Mpa) | |||
3 | 15.3-286 kgf/cm2 | ||
(1.5-28 Mpa) | |||
4 | 20-357 kgf/cm2 | ||
(2.0-35 Mpa) | |||
4 ► | Сопротивление катушки | D1 | 10Ом |
D2 | 20Ом | ||
5 ► | Клапан безопасности | R | с предохранит. клапаном |
нет | без клапана |
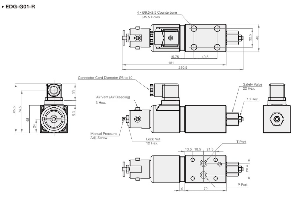
Размеры:


Установка и применение:
1.Стравливание воздуха
Для обеспечения стабильного контроля за давлением необходимо стравить воздух из клапана и заполнить золотник маслом. Для этого ослабьте воздушный клапан (винт M4 на соленоиде) при запуске насоса.
2. Монтаж
Монтаж на вертикальной поверхности приводит к увеличению минимального давления на 0,1 Мпа
3. Ручная настройка давления
Для начальной регулировки или когда нет входного сигнала к клапану , давление может быть увеличено путем вращения ручного регулировочного винта по часовой стрелке (вправо). В нормальном состоянии регулировочный винт вывернут влево до упора (против часовой стрелки) и закреплен контргайкой.
4.Минимальный расход.
При небольшом расходе давление может быть не стабильным. Обеспечьте расход мин. 0,3 л/мин.
5.Нагрузочная способность
При использовании этого клапана для прямого управления давлением в контуре, убедитесь, что расход по крайней мере 40 см3/ мин
6. Крепежные болты M5 х 45 (4шт)
7.Используйте рабочую жидкость со следующими параметрами: Температура масла: от -20 до 70°C. Вязкость: от 12 до 400 мм2/с. Рекомендуемый диапазон вязкости от 15 до 60 мм2/с.
Если вы хотите купить пропорциональный пилот предохранительного клапана , вы можете:
Позвонить: