Насосы шестеренные в чугунном корпусе 6 отверстий SAE B группа 30 300 бар, 17-127 см3 реверсивный
300 бар, 17-127 см3
реверсивный
Условное обозначение на гидросхеме
| Давление на всасывании | 0,7-3 бар |
| Диапазон вязкости рабочей жидкости | 12-200 cSt |
| Температура рабочей жидкости | -10°C+80°C |
| Рекомендуемая тонкость фильтрации | |
| более 200 бар | 10 мкм |
| менее 200 бар | 25 мкм |
| Направление вращения | реверсивный |
Диаграммы насосов шестеренных EHASS
Партлист насосов реверсивных шестеренных в чугунном корпусе
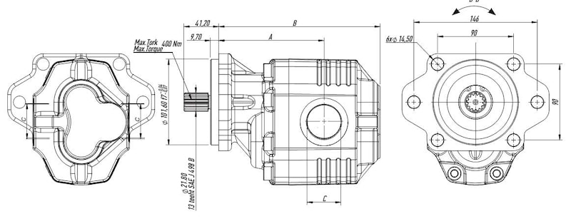
Размеры:

Технические данные:
| Код | SAE-B EHASS 17-BD | SAE-B EHASS 27-BD | SAE-B EHASS 34-BD | SAE-B EHASS 43-BD | SAE-B EHASS 51-BD | SAE-B EHASS 61-BD | SAE-B EHASS 82-BD | SAE-B EHASS 100-BD | SAE-B EHASS 125-BD | |
| Рабочий объем | cm3/оборот | 17.2 | 27.3 | 33.8 | 43.8 | 51.73 | 61.95 | 82.13 | 102.5 | 127.5 |
| Размер А | мм | 103 | 108 | 109 | 114 | 114 | 120.5 | 124.5 | 138.5 | 142.5 |
| Размер В | мм | 150 | 156 | 161 | 167 | 172 | 180 | 191 | 204 | 220 |
| Всасывающий порт | C | G1/2" | G3/4" | G3/4" | G1" | G1 1/4" | ||||
| Напорный порт | G1/2" | G1/2" | G3/4" | G3/4" | G3/4" | G3/4" | "G1 1/4" | "G1 1/4" | "G1 1/4" | |
| Масса | кг | 9 | 9.5 | 10 | 10.5 | 11 | 11.5 | 12 | 13 | 14.5 |
| Макс. Давление длительно (100%) | бар | 300 | 290 | 285 | 280 | 230 | 225 | 200 | 190 | 170 |
| Макс. давлене кратковременно (не более 20 сек) | бар | 310 | 300 | 295 | 290 | 260 | 240 | 210 | 200 | 190 |
| Макс. пиковое давление (не более 6 сек.) | бар | 320 | 310 | 305 | 300 | 280 | 260 | 220 | 220 | 200 |
| Максимальная скорость вращения длительно | rpm | 2600 | 2600 | 2300 | 2100 | 2100 | 2000 | 1700 | 1600 | 1600 |
| Максимальная скорость вращения кратковременно | rpm | 3000 | 3000 | 2900 | 2600 | 2600 | 2100 | 1900 | 1900 | 1900 |
| Мин. Скорость вращения | rpm | 300 | 300 | 300 | 300 | 300 | 300 | 300 | 300 | 300 |
Если вы хотите купить насосы шестеренные в чугунном корпусе 6 отверстий SAE B группа 30 , вы можете:
Позвонить:

