Насосы шестеренные в чугунном корпусе KR-EHASS-L(R) группа 30 4 отверстия фланец K нереверсивный - 30 группа 300 бар, 17-127 см3
4 отверстия фланец K
нереверсивный - 30 группа
300 бар, 17-127 см3


Давление на всасывании | 0,7-3 бар |
Диапазон вязкости рабочей жидкости | 12-200 cSt |
Температура рабочей жидкости | -10°C+80°C |
Рекомендуемая тонкость фильтрации | |
более 200 бар | 10 мкм |
менее 200 бар | 25 мкм |
Направление вращения | нереверсивный |
Диаграммы насосов шестеренных EHASS
Здесь Вы можете посмотреть устройство шестеренных насосов в чугунном корпусе
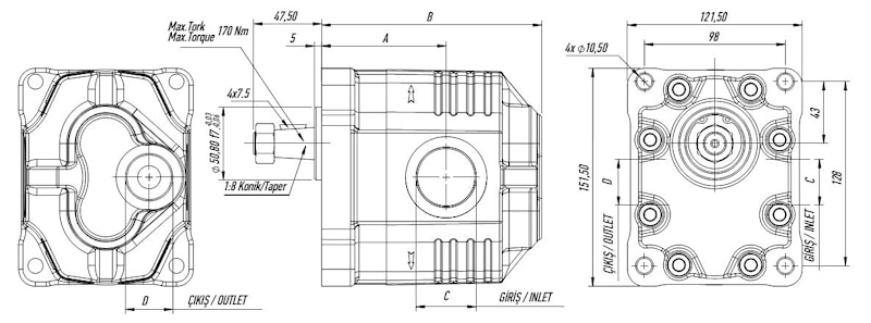
Размеры:

Технические данные:
Код | KR- EHASS 17-L(R) | KR- EHASS 27-L(R) | KR- EHASS 34-L(R) | KR- EHASS 43-L(R) | KR- EHASS 51-L(R) | KR- EHASS 61-L (R) | KR- EHASS 82-L(R) | KR- EHASS 100-L(R) | KR- EHASS 125-L(R) | |
Рабочий объем | cm3/оборот | 17.2 | 27.3 | 33.8 | 43.8 | 51.73 | 61.95 | 82.13 | 102.5 | 104.5 |
Размер А | мм | 65 | 70 | 71 | 76 | 76 | 82.5 | 86.5 | 100.5 | 182.5 |
Размер В | мм | 112 | 118 | 123 | 129 | 134 | 142 | 153 | 166 | 220 |
Всасывающий порт | D | G1/2" | G3/4" | G3/4" | G1" | G1 1/4" | ||||
Напорный порт | G1/2" | G1/2" | G3/4" | G3/4" | G3/4" | G3/4" | "G1" (G3/4") | "G1" (G3/4") | "G1" (G3/4") | |
Масса | кг | 9 | 9.5 | 10 | 10.5 | 11 | 11.5 | 12 | 13 | 14.5 |
Макс. Давление длительно (100%) | бар | 300 | 290 | 285 | 280 | 230 | 225 | 200 | 190 | 170 |
Макс. давлене кратковременно (не более 20 сек) | бар | 310 | 300 | 295 | 290 | 260 | 240 | 210 | 200 | 190 |
Макс. пиковое давление (не более 6 сек.) | бар | 320 | 310 | 305 | 300 | 280 | 260 | 220 | 220 | 200 |
Максимальная скорость вращения длительно | rpm | 2600 | 2600 | 2300 | 2100 | 2100 | 2000 | 1700 | 1600 | 1600 |
Максимальная скорость вращения кратковременно | rpm | 3000 | 3000 | 2900 | 2600 | 2600 | 2100 | 1900 | 1900 | 1900 |
Мин. Скорость вращения | rpm | 300 | 300 | 300 | 300 | 300 | 300 | 300 | 300 | 300 |
производитель
Hydropack
Если вы хотите купить насосы шестеренные в чугунном корпусе KR-EHASS-L(R) группа 30 , вы можете:
Позвонить: