Насосы шестеренные в чугунном корпусе 4 отверстия K группа 30 300 бар, 22.5 см3 нереверсивный
300 бар, 22.5 см3
нереверсивный
Условное обозначение на гидросхеме
| Давление на всасывании | 0,7-3 бар |
| Диапазон вязкости рабочей жидкости | 12-200 cSt |
| Температура рабочей жидкости | -10°C+80°C |
| Рекомендуемая тонкость фильтрации | |
| более 200 бар | 10 мкм |
| менее 200 бар | 25 мкм |
| Направление вращения | нереверсивный |
Диаграммы насосов шестеренных EHASS
Здесь Вы можете посмотреть устройство шестеренных насосов в чугунном корпусе
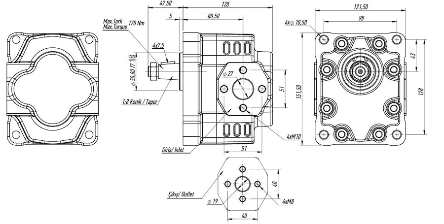
Размеры:

Технические данные:
| Код | K-EHASS 22-L(R) | |
| Рабочий объем | cm3/оборот | 22,5 |
| Масса | кг | 10 |
| Макс. Давление длительно (100%) | бар | 300 |
| Макс. давлене кратковременно (не более 20 сек) | бар | 310 |
| Макс. пиковое давление (не более 6 сек.) | бар | 320 |
| Максимальная скорость вращения длительно | rpm | 2600 |
| Максимальная скорость вращения кратковременно | rpm | 3000 |
| Мин. Скорость вращения | rpm | 300 |
Если вы хотите купить насосы шестеренные в чугунном корпусе 4 отверстия K группа 30 , вы можете:
Позвонить:

