Насосы шестеренные в чугунном корпусе 4 отверстия ISO группа 30 300 бар, 17-127 см3 нереверсивный
300 бар, 17-127 см3
нереверсивный


Давление на всасывании | 0,7-3 бар |
Диапазон вязкости рабочей жидкости | 12-200 cSt |
Температура рабочей жидкости | -10°C+80°C |
Рекомендуемая тонкость фильтрации | |
более 200 бар | 10 мкм |
менее 200 бар | 25 мкм |
Направление вращения | нереверсивный |
Диаграммы насосов шестеренных EHASS
Здесь Вы можете посмотреть устройство шестеренных насосов в чугунном корпусе
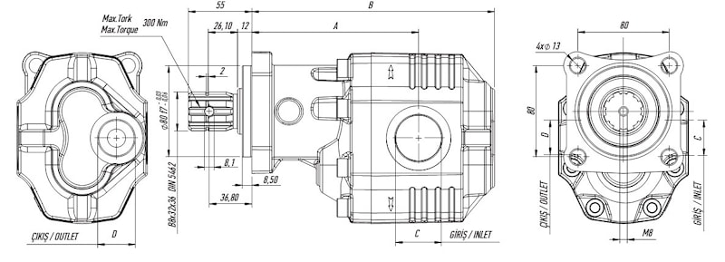
Размеры:

Технические данные:
Код | ISO- EHASS 17-L(R) | ISO- EHASS 27-L(R) | ISO- EHASS 34-L(R) | ISO- EHASS 43-L(R) | ISO- EHASS 51-L(R) | ISO -EHASS 61-L (R) | ISO -EHASS 82-L(R) | ISO- EHASS 100-L(R) | ISO- EHASS 125-L(R) | |
Рабочий объем | cm3/оборот | 17.2 | 27.3 | 33.8 | 43.8 | 51.73 | 61.95 | 82.13 | 102.5 | 127.5 |
Размер А | мм | 124.5 | 129.5 | 130.5 | 135.5 | 135.5 | 142 | 146 | 160 | 164 |
Размер В | мм | 171.5 | 177.5 | 182.5 | 188.5 | 193.5 | 201.5 | 212.5 | 225.5 | 241.5 |
Всасывающий порт | D | G1/2" | G3/4" | G3/4" | G1" | G1 1/4" | ||||
Напорный порт | G1/2" | G1/2" | G3/4" | G3/4" | G3/4" | G3/4" | "G1" (G3/4") | "G1" (G3/4") | "G1" (G3/4") | |
Масса | кг | 10.5 | 11 | 11.5 | 12 | 12.5 | 13 | 14 | 15 | 17 |
Макс. Давление длительно (100%) | бар | 300 | 290 | 285 | 280 | 230 | 225 | 200 | 190 | 170 |
Макс. давлене кратковременно (не более 20 сек) | бар | 310 | 300 | 295 | 290 | 260 | 240 | 210 | 200 | 190 |
Макс. пиковое давление (не более 6 сек.) | бар | 320 | 310 | 305 | 300 | 280 | 260 | 220 | 220 | 200 |
Максимальная скорость вращения длительно | rpm | 2600 | 2600 | 2300 | 2100 | 2100 | 2000 | 1700 | 1600 | 1600 |
Максимальная скорость вращения кратковременно | rpm | 3000 | 3000 | 2900 | 2600 | 2600 | 2100 | 1900 | 1900 | 1900 |
Мин. Скорость вращения | rpm | 300 | 300 | 300 | 300 | 300 | 300 | 300 | 300 | 300 |
производитель
Hydropack
Если вы хотите купить насосы шестеренные в чугунном корпусе 4 отверстия ISO группа 30 , вы можете:
Позвонить: