Насосы пластинчатые регулируемые PFV 0-70 бар, до 40 л/мин
0-70 бар, до 40 л/мин
Насосы пластинчатые регулируемые PFVУсловное графическое обозначение:

Технические данные:
| Модель | Давление макс. Мпа | Расход, макс, л/мин при 1800 об/мин | масса, кг |
| PVF-8 | 7 | 8 | 4.8 |
| PVF-12 | 12 | 4.8 | |
| PVF-15 | 15 | 5.2 | |
| PVF-20 | 20 | 5.2 | |
| PVF-23 | 23 | 9.0 | |
| PVF-26 | 26 | 9.0 | |
| PVF-30 | 30 | 9.0 | |
| PVF-40 | 40 | 9.0 | |
| PVDF-12-*-12-* | 12 | 9.5 | |
| PVDF-15-*-15 | 15 | 9.5 | |
| PVDF-20-*-20 | 20 | 9.5 | |
| PVDF-23-*-23 | 23 | 16.0 | |
| PVDF-26-*-26 | 26 | 16.0 | |
| PVDF-30-30 | 30 | 16.0 | |
| PVDF-40-40 | 40 | 16.0 |
Минимальная скорость вращения 800 об/мин.
Код для заказа однопоточного насоса:
| VP5F | A | 5 | 50 | S |
| Размер фланца | Расход (при 3.5 Bar, 1800 r/min) A: 30 (L/min) B: 40 (L/min) | Диапазон давления 2: 15 bar - 35 bar 3: 20 bar - 70 bar 4: 50 bar - 105 bar 5: 70 bar - 140 bar | дизайн | ВАЛ без обозначения: шпонка S: шлицевой |
Код для заказа двухпоточного насоса насоса:
| VP5FD | А | 5 | A | 5 | 50 |
| Секция с валом | конечная секция | ||||
| FRAME SIZE FLANGE MOUNTING | Расход (при 3.5 Bar, 1800 r/min) A: 30 (L/min) B: 40 (L/min) | Диапазон давления 2: 15 bar - 35 bar 3: 20 bar - 70 bar 4: 50 bar - 105 bar 5: 70 bar - 140 bar | Расход (при 3.5 Bar, 1800 r/min) A: 30 (L/min) B: 40 (L/min) | Диапазон давления 2: 15 bar - 35 bar 3: 20 bar - 70 bar 4: 50 bar - 105 bar 5: 70 bar - 140 bar | дизайн |
Графики расхода:



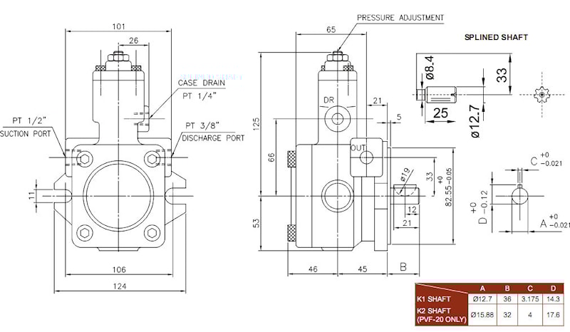
Размеры однопоточных пластинчатых насосов с цилиндрическим валом PVF-8, 12, 15, 20:

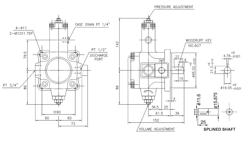
Размеры однопоточных пластинчатых насосов с цилиндрическим валом PVF-23, 26, 30, 40:

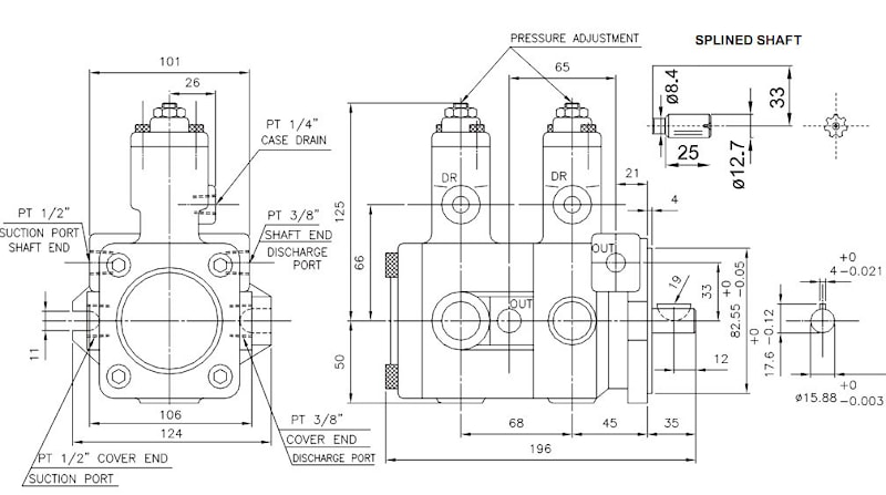
Размеры двухпоточных пластинчатых насосов с цилиндрическим валом PVDF-12-*-12-*, 15-*-15-*, 20-*-20-*:

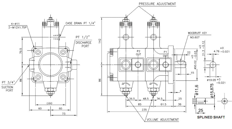
Размеры двухпоточных пластинчатых насосов с цилиндрическим валом PVDF-23-*-23-*, 26-*-26-*, 30-*-30-*, 40-*-40-:

Если вы хотите купить насосы пластинчатые регулируемые PFV , вы можете:
Позвонить:

