Насосы пластинчатые регулируемые типа HVP до 140 бар, до 40 л/мин
до 140 бар, до 40 л/мин
Насосы пластинчатые регулируемые типа HVP представляют собой высокоэффективное решение для различных гидравлических систем. Эти насосы предназначены для использования в условиях высоких рабочих давлений, обеспечивая надежность и долговечность даже в самых требовательных приложениях.
Основные Характеристики
- Максимальное давление: 140 бар, что позволяет использовать насосы в условиях высокой нагрузки.
- Объем: Модели HVP-30 и HVP-40 имеют объем 16.7 и 22.2 мл/об соответственно, обеспечивая гибкость в выборе подходящей модели для конкретных задач.
- Диапазон скоростей: От 800 до 1800 об/мин, что позволяет использовать насосы в различных рабочих режимах.
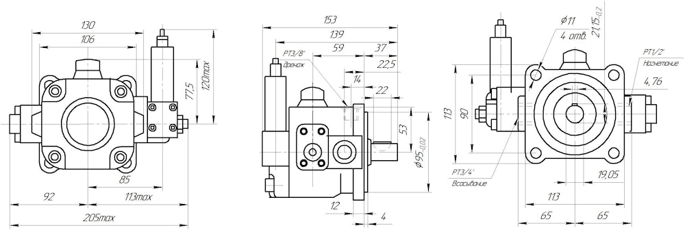
- Размеры портов: Входной порт 3/4", выходной порт 1/2", дренажный порт 3/8", обеспечивающие совместимость с широким спектром гидравлических систем.
Преимущества
- Высокая производительность: Насосы HVP обеспечивают стабильное давление и плавную работу системы, что особенно важно для точных и требовательных применений.
- Надежность и долговечность: Прочные материалы и качественная сборка гарантируют долгий срок службы даже при интенсивном использовании.
- Компактный размер: Несмотря на высокую мощность, насосы HVP имеют компактные размеры, что облегчает их интеграцию в различные гидравлические системы.
Области Применения
- Промышленные машины: Идеальны для использования в автоматических станках, шлифовальных машинах и другом промышленном оборудовании.
- Мобильные гидравлические системы: Насосы HVP подходят для использования в мобильных гидравлических установках, обеспечивая надежную работу в различных условиях.
- Специализированное оборудование: Используются в машинах для производства обуви и других специализированных устройствах, требующих надежного гидравлического привода.
Технические Данные
| Модель | Макс. давление (бар) | Объем (мл/об) | Мин. скорость (об/мин) | Макс. скорость (об/мин) | Выходной порт | Входной порт | Дренажный порт | Вес (кг) |
| HVP-30 | 140 | 16.7 | 800 | 1800 | 1/2″ | 3/4″ | 3/8″ | 10 |
| HVP-40 | 22.2 |
Насосы пластинчатые регулируемые типа HVP — это оптимальное решение для широкого спектра гидравлических приложений, требующих высокой производительности и надежности. Их компактный размер, высокая мощность и долговечность делают их идеальным выбором для промышленных и мобильных гидравлических систем, а также специализированного оборудования.
Размеры пластинчатых насосов серии HVP:

Если вы хотите купить насосы пластинчатые регулируемые типа HVP , вы можете:
Позвонить:

