Высокоскоростные компактные вращающиеся гидроцилиндры со сквозным отверстием и блоком клапанов серия RCS 8000 об/мин
8000 об/мин
Высокоскоростные компактные вращающиеся гидроцилиндры со сквозным отверстием и блоком клапанов.Преимущества:
- длина 2/3 от гидроцилиндра серии RC
- встроены гидрозамки и предохранительные клапаны
Технические параметры:
| ТИП | Эффективная площадь поршня, см2 | Ход поршня, мм | Макс. скорость вращения, с-1 | Макс. давление, бар | Момент инерции, kgf*m2 | Масса, кг | Максимальные утечки через дренаж и максимальные внутренние утечки | ||
| выдвижение | втягивание | (r.p.m.) | |||||||
| RCS | 6 | 100 | 89 | 15 | 8000 | 40 | 0.071 | 9 | 3 |
| 8 | 148 | 138 | 22 | 6500 | 0.129 | 13 | 3.8 | ||
| 10 | 183 | 169 | 25 | 5500 | 0.251 | 18.7 | 4.1 | ||
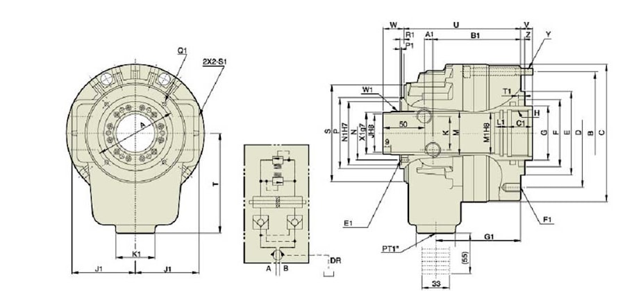
Размеры:

| ТИП | с | п | E | F | G | н | J | к | M | N | р | S | Т | и | V | W | z | A | В | |||
| max | min | max | min | |||||||||||||||||||
| 6 | 165 | 130 | 100 | 80 | 65 | M55X2.0 | 46 | 40 | 52.9 | 64 | 85 | 116 | 120 | 139.5 | 14 | -1 | 40 | 25 | 5 | 98 | 147 | |
| RCS | 8 | 185 | 170 | 130 | 85 | 70 | M60X2.0 | 52 | 40 | 59.6 | 73 | 96 | 135 | 130 | 150.5 | 21 | -1 | 42 | 20 | 5 | 110 | 165 |
| 10 | 215 | 190 | 160 | 120 | 95 | M85X2.0 | 75 | 46 | 84.6 | 98 | 121 | 163 | 160 | 169.5 | 24 | -1 | 50 | 25 | 5 | 155 | 195 |
| ТИП | А1 | В1 | С1 | E1 | F1 | G1 | J1 | К1 | L1 | М1 | N1 | Р1 | Q1 | R1 | S1 | Т1 | W1 | Х1 | Y | ||
| RCS | 6 | 10.5 | 105 | 30 | М6Х6 | М10Х20 | 101.5 | 76 | 47 | 15 | 50 | 76 | 1.5 | М5Х6 | 5 | PT3/8 | 8 | М52Х1.5 | 50 | 6-М8Х75 | |
| 8 | 11.5 | 110.5 | 30 | М6Х9 | М10Х20 | 110.5 | 86 | 47 | 15 | 55 | 85 | 3 | М6Х7 | 5 | PT1/2 | 6 | М58Х1.5 | 56 | 6-М8Х80 | ||
| 10 | 17.5 | 125.5 | 35 | М6Х10 | М10Х20 | 126.5 | 101 | 47 | 15 | 80 | 108 | 3 | М6Х7 | 7 | PT1/2 | 6 | М84Х2.0 | 81 | 6-М10Х90 |
Если вы хотите купить высокоскоростные компактные вращающиеся гидроцилиндры со сквозным отверстием и блоком клапанов серия RCS , вы можете:
Позвонить:
Ещё из раздела вращающиеся гидроцилиндры
Вращающиеся гидроцилиндры с несквозным отверстием, встроенными клапанами серия MS
108kN, 6000 об/мин
Вращающиеся гидроцилиндры с несквозным отверстием. Серия MS. Клапаны безопасности встроены. Технические характеристики Модель Площадь поршня (поршн./шток.) (cm 2 ) Макс. усилие зажима KN(kgf) Ход поршня мм Макс. Рабочее давление MPa Макс. Скорость ...

