Высокоскоростные вращающиеся гидроцилиндры со сквозным отверстием серия RC 8000 об/мин
8000 об/мин
Вращающиеся гидроцилиндры со сквозным отверстием cерии RC изготовлены из алюминия литьем под давлением имеют малый вес.Благодаря специальной конструкции сохраняет высокую стабильность на высоких скоростях.
Высококачественные уплотнения и высокая точность обработки обеспечивают длительный ресурс.
Обладают следующими преимуществами:
— компактный размер
— малая инертность
— низкий вес
Технические характеристики:
| ТИП | Эффективная площадь поршня, см2 | Ход поршня, мм | Макс. скорость вращения, с-1 | Макс. давление, бар | Момент инерции, kgf*m2 | Масса, кг | Макс. утечки через дренаж и макс. внутренние утечки, л/мин | ||
| поршн. | штоковая | (r.p.m.) | |||||||
| RC | 4 | 47 | 41.5 | 9 | 8000 | 0.02 | 5.6 | 3 | |
| 5 | 67 | 64.5 | 15 | 8000 | 0.044 | 8.6 | 3 | ||
| 6 | 100 | 89 | 15 | 7000 | 0.078 | 12 | 3 | ||
| 8 | 161 | 150 | 22 | 6200 | 40 | 0.21 | 16.8 | 3.9 | |
| 10 | 198 | 183 | 25 | 4700 | 0.38 | 26 | 4.2 | ||
| 10X | 198 | 183 | 25 | 4700 | 0.38 | 26 | 4.2 | ||
| 12 | 252 | 234 | 30 | 3800 | 0.61 | 33 | 4.5 | ||
| 15 | 345 | 336 | 23 | 2800 | 1.21 | 55 | 7 | ||
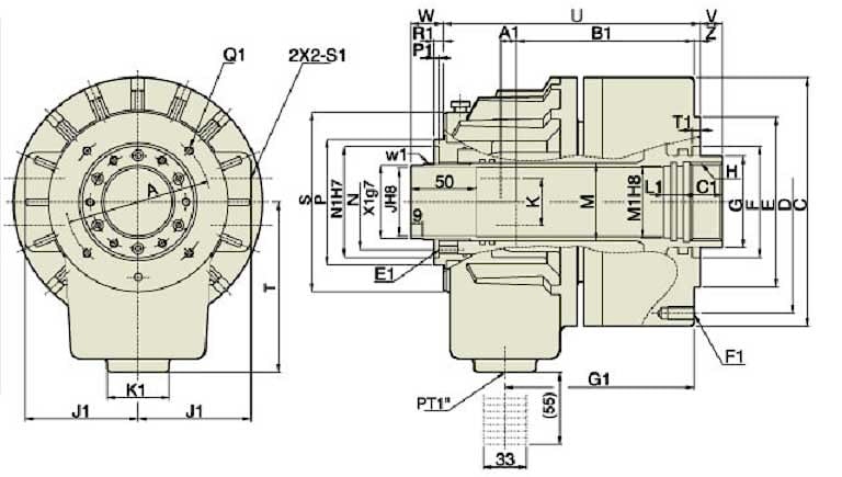
Размеры гидроцилиндров RC

| ТИП | С | D | E | F | G | H | J | К | M | N | Р | S | т | и | V | W | z | A | |||
| max | min | max | min | ||||||||||||||||||
| 4 | 115 | 100 | 80 | 65 | 44 | M38X1.5 | 28 | 25 | 35 | 44 | 59 | 90 | 105 | 158 | 9 | 0 | 34 | 25 | 5 | 76 | |
| 5 | 135 | 115 | 100 | 65 | 48 | M42X1.5 | 36 | 30 | 44.8 | 55 | 73 | 106 | 115 | 175.5 | 10 | -5 | 40 | 25 | 5 | 88 | |
| 6 | 155 | 130 | 100 | 80 | 65 | M55X2 | 46 | 36 | 52.9 | 64 | 85 | 118 | 115 | 184 | 10 | -5 | 40 | 25 | 5 | 98 | |
| RC | 8 | 190 | 170 | 130 | 85 | 70 | M60X2 | 52 | 36 | 59.6 | 73 | 96 | 137 | 130 | 196 | 17 | -5 | 47 | 25 | 5 | 110 |
| 10 | 215 | 190 | 160 | 120 | 95 | M85X2 | 75 | 36 | 84.6 | 98 | 121 | 166 | 160 | 230 | 20 | -5 | 50 | 25 | 5 | 155 | |
| 10X | 215 | 190 | 160 | 120 | 95 | M87X2 | 78 | 36 | 84.6 | 98 | 121 | 166 | 160 | 230 | 20 | -5 | 50 | 25 | 5 | 155 | |
| 12 | 240 | 215 | 180 | 140 | 110 | M100X2 | 91 | 36 | 99.6 | 108 | 138 | 182 | 185 | 253 | 25 | -5 | 55 | 25 | 5 | 165 | |
| 15 | 310 | 275 | 230 | 166 | 140 | M130X2 | 117.5 | 36 | 118 | 148 | 178 | 225 | 215 | 267 | 18 | -5 | 56 | 33 | 5 | 206 | |
| ТИП | А1 | В1 | С1 | E1 | F1 | G1 | J1 | К1 | L1 | М1 | N1 | Р1 | Q1 | R1 | S1 | Т1 | W1 | Х1 | |
| 4 | 9.6 | 106 | 25 | М6Х10 | М8Х20 | 114.6 | 60 | 47 | 15 | 30 | 53 | 4 | М4Х10 | 5 | РТЗ/В | 6 | М34Х1.5 | 32 | |
| 5 | 11 | 120.5 | 25 | М5Х9 | М10Х20 | 126.5 | 66 | 47 | 15 | 38 | - | 4 | М5Х10 | 5 | РТЗ/В | 6 | М44Х1.5 | 42 | |
| 6 | 11.5 | 126.5 | 30 | М6Х9 | М10Х20 | 135 | 76 | 47 | 15 | 50 | 76 | 4 | М5Х10 | 6 | РТ1/2 | 6 | М52Х1.5 | 50 | |
| RC | 8 | 12 | 136 | 30 | М6Х9 | М10Х20 | 145 | 86 | 47 | 15 | 55 | 85 | 4 | М6Х12 | 7 | РТ1/2 | 6 | М58Х1.5 | 66 |
| 10 | 17.5 | 153.5 | 35 | М6Х9 | М10Х20 | 166.5 | 101 | 47 | 15 | 80 | 108 | 4 | М6Х12 | 7 | РТ1/2 | в | М84Х2.0 | 81 | |
| 10X | 17.5 | 153.5 | 35 | М6Х9 | М10Х20 | 166.5 | 101 | 47 | 15 | 80 | 108 | 4 | М6Х12 | 7 | РТ1/2 | 6 | М84Х2.0 | 81 | |
| 12 | 21 | 168 | 35 | М6Х14 | М12Х24 | 183 | 110 | 47 | 15 | 95 | 120 | 4 | М6Х12 | 7 | РТ1/2 | 6 | М99Х2 | 96 | |
| 15 | 21 | 153.5 | 45 | М6Х10.5 | М16Х24 | 197 | 129 | 55 | 20 | 123 | 160 | 5 | М6Х12 | 7 | РТ1/2 | в | М134Х2 | 131 |
производитель
GPA
Если вы хотите купить высокоскоростные вращающиеся гидроцилиндры со сквозным отверстием серия RC , вы можете:
Позвонить:
Ещё из раздела вращающиеся гидроцилиндры
Вращающиеся гидроцилиндры с несквозным отверстием, встроенными клапанами серия MS
108kN, 6000 об/мин
Вращающиеся гидроцилиндры с несквозным отверстием. Серия MS. Клапаны безопасности встроены. Технические характеристики Модель Площадь поршня (поршн./шток.) (cm 2 ) Макс. усилие зажима KN(kgf) Ход поршня мм Макс. Рабочее давление MPa Макс. Скорость ...

