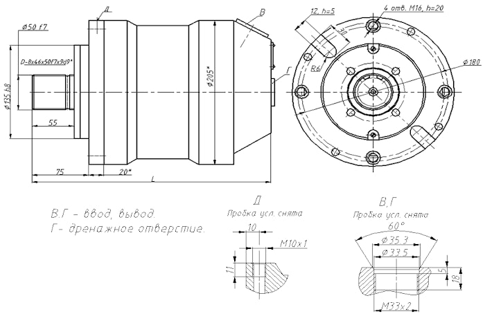
Гидромотор планетарно-роторный ГПРФ -M- 630-1250 - 13
Гидромотор ГПРФ-M- 630…1250 - 13
Технические характеристики

Технические характеристики
| № | Наименование параметра | Размерность | Значение | ||||
| 1 | Рабочий объем | дм3/об | 630 | 800 | 1000 | 1250 | |
| 2 | Перепад давления на входе номинальное максимальное | Мпа | 21 25 | 21 25 | 21 25 | 21 25 | |
| 3 | Частота вращения номинальная максимальный | об/мин | 179 219 | 141 172 | 112 138 | 94 115 | |
| 4 | Крутящий момент номинальный максимальный | Н·м | 1876 2232 | 2383 2835 | 2979 3545 | 3575 4254 | |
| 5 | Расход жидкости номинальный максимальный | л/мин | 125 160 | 125 160 | 125 160 | 125 160 | |
| 6 | К.П.Д. общий | не менее | 0,9 | 0,9 | 05 | 0,9 | |
| 7 | Длина L | мм | 292 | 300 | 312 | 325 | |
| 8 | Эффективная мощность | Квт | 35 | 35 | 35 | 35 | |
| 9 | Масса | кг. | 48 | 49 | 51 | 53 | |

производитель
HIDROINPEX
Если вы хотите купить гидромотор планетарно-роторный ГПРФ -M- 630-1250 - 13 , вы можете:
Позвонить:

