Героторные гидромоторы серии BMRWN 50-375 см3
50-375 см3
Гидромоторы серии BMRWN — это надежные и высокоэффективныя героторные реверсивные гидромоторы средней мощности. Отличается высоким крутящим моментом и прочной конструкцией, что делает его идеальным для эксплуатации в условиях интенсивных нагрузок.
Особенности и преимущества:
- Высокий крутящий момент: Обеспечивает плавное и мощное вращение при низких оборотах.
- Реверсивная работа: Позволяет легко менять направление вращения, что расширяет возможности использования.
- Прочная конструкция: Корпус и основные элементы выполнены из износостойких материалов, что обеспечивает долгий срок службы.
- Компактные размеры: Удобен для установки в ограниченном пространстве.
- Универсальность применения: Подходит для гидравлических систем в сельском хозяйстве, строительной технике, промышленном оборудовании и транспорте.
Данный гидромотор отлично справляется с задачами, требующими высокой надежности и точности работы, что делает его оптимальным выбором для профессионального использования.
Код заказа:

| 1 | 2 | 3 | 4 | 5 | 6 | 7 | ||||
| Код | Фланец | Выходной вал | Порты и дренажный порт | Направление вращения | Покрытие | |||||
| BMRWN | 50 | ∅82.5х9,4 4 отверстия ∅13,5 | T1 | Конусный вал Ø35, шпонка B6×6×20 | D | G1/2" G1/4" | Стандартное | 00 | Без покрытия | |
| 80 | B | Цилиндрический вал Ø32, шпонка 10×8×4 | M | M22×1.5 M14×1.5 | R | Противоположное | Синий | |||
| 100 | F | Вал Ø31.75, шлицевой шпонка 14-DP12/2 | S | 7/8-14O-ring 7/16-20UNF | B | Черный | ||||
| 125 | FD | Удлинённый вал Ø31.75, шлицевой шпонка 14-DP12/24 | P | 1/2-14NPTF 7/16-20UNF | S | Серебристо-серый | ||||
| 160 | G | Вал Ø31.75, параллельная шпонка 7.96×7.96×31.75 | ||||||||
| 200 | ||||||||||
| 250 | ||||||||||
| 315 | ||||||||||
| 375 | ||||||||||

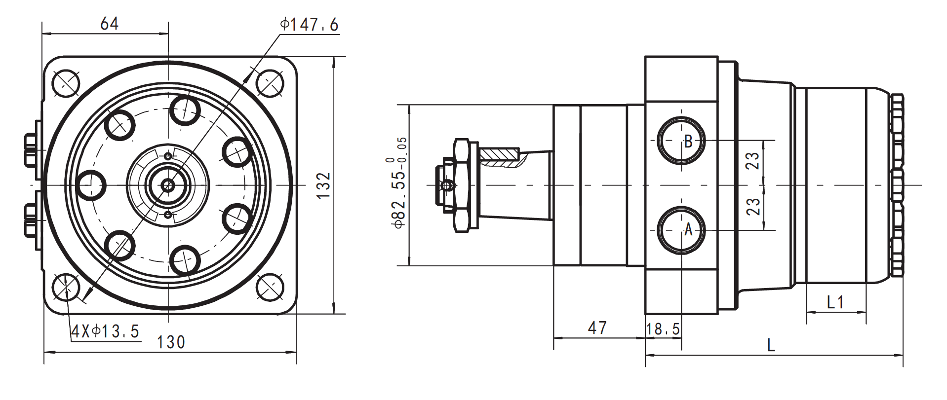
| Модель | L | L1 |
| BMRWN-50 | 113 | 10 |
| BMRWN-80 | 119 | 16 |
| BMRWN-100 | 123 | 20 |
| BMRWN-125 | 128 | 25 |
| BMRWN-160 | 133.5 | 30.5 |
| BMRWN-200 | 141 | 38.1 |
| BMRWN-250 | 153 | 50 |
| BMRWN-315 | 165 | 62 |
| BMRWN-375 | 177 | 74 |
Если вы хотите купить героторные гидромоторы серии BMRWN , вы можете:
Позвонить:

