Гидродроссель с обратным клапаном ДКМ6/3, ДКМ10/3
Гидродроссели ДКМ6/3, ДКМ10/3 с обратным вспомогательным клапаном в составе комплекса модульной гидроаппаратуры предназначены для создания перепада давлений в подводимом и отводимом потоках рабочей жидкости или регулировании потока в одном направлении и для свободного пропускания потока при прохождении его в обратном направлении.Гидродроссель ДКМ10/3, как и его варианты по исполнению ДКМ 10/3-А (ДКМ 10/3 МА), ДКМ 10/3-В (ДКМ-10/3 МВ) с условным проходом Ду=10 имеет четыре присоединительных отверстия и пять рабочих отверстий в форме "галочки", одно из которых глушится.

Гидродроссели ДКМ6/3 (ДКМ6/3М, ДКМ6/3-В, ДКМ6/3-А, ДКМ6/3МА, ДКМ6/3МВ) работают на чистом минеральном масле марки ИГП 18 ТУ 38-101-413-78 при температуре масла от +20 до +50°С; тонкость фильтрации масла 25 мкм, класс чистоты масла не грубее 12 по ГОСТ 17216-71 (допускается работа на других минеральных маслах, имеющих аналогичные качества. Температура окружающей среды от +1 до +45 °С. Вибропрочность и виброустойчивость - III степень жесткости по ГОСТ 16962-71.
Установка гидрораспределителей ДКМ6/3 УХЛ4 часто осуществляется вместо ДКМ 6/3-В УХЛ4 и ДКМ 6/3-А УХЛ4.

Технические характеристики гидродросселей с обратным клапаном типа ДКМ6/3, ДКМ10/3:
| Параметр | ДКМ 6/3 | ДКМ 10/3 |
| Диаметр условного прохода, мм | 6 | 10 |
| Давление на входе, МПа: номинальное | 32 | 32 |
| Давление на входе, МПа: максимальное | 35 | 35 |
| Давление на входе, МПа: минимальное (при Qном) | 0,25 | 0,35 |
| Давление, МПа: открывания обратного клапана | 0,15 | 0,05 |
| Давление, МПа: в сливной линии, не более | 32 | 32 |
| Расход масла, л/мин: номинальный | 12,5 | 63 |
| Расход масла, л/мин: максимальный | 30 | 160 |
| Внутренние утечки при номинальном давление через полностью закрытый дроссель см³/мин: | 300 | 350 |
| Перепад давления, при Qном на обратном клапане | 0,25 | 0,35 |
| Перепад давления, при Qном на полностью закрытом дросселе | 0,15 | 0,25 |
| Масса, кг | 1,3 | 2,2 |
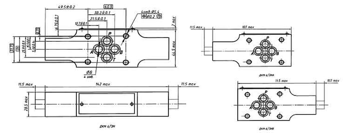
Присоединительные размеры дросселя ДКМ 6/3

Присоединительные размеры дросселя ДКМ 10/3

производитель
Гидравлик (г. Грязи)
Если вы хотите купить гидродроссель с обратным клапаном ДКМ6/3, ДКМ10/3 , вы можете:
Позвонить:

