Трехлинейный регулятор расхода модульный RFP50 40 л/мин 300 бар Ду6 алюминиевый корпус
40 л/мин 300 бар Ду6
алюминиевый корпус

Технические данные:
Максимальный поток | 40 l/min |
Давление макс. | 300 bar |
Регулируемый поток | 0 + 25 l/min |
рекомендуемая вязкость | 10-420 cSt |
Рабочая температура | -20 + +90 °C |
Фильтрация | 25 мкм |
Гидравлическая схема:

Типы рукояток регулировки:

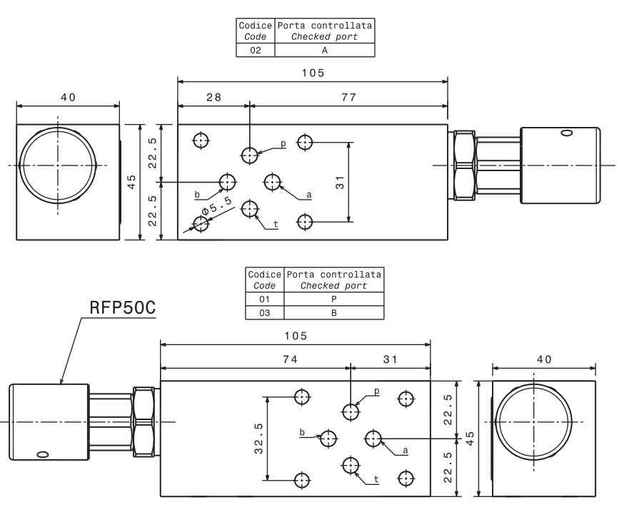
Размеры:

код для заказа:

Если вы хотите купить трехлинейный регулятор расхода модульный RFP50 , вы можете:
Позвонить: