Предохранительный клапан высокого давления
Предохранительный клапан высокого давления тип DRVКлапан модульного монтажа.
Гидроклапаны предохранительные предназначены для поддержания установленного давления, предохранения от повышения давления и разгрузки гидросистемы от давления.
Условное обозначение.
Спецификация
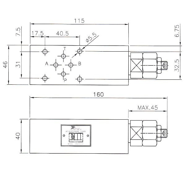
DRV-700-01
Давление макс - 700 бар
Расход 35 л/мин
масса 1,7 кг

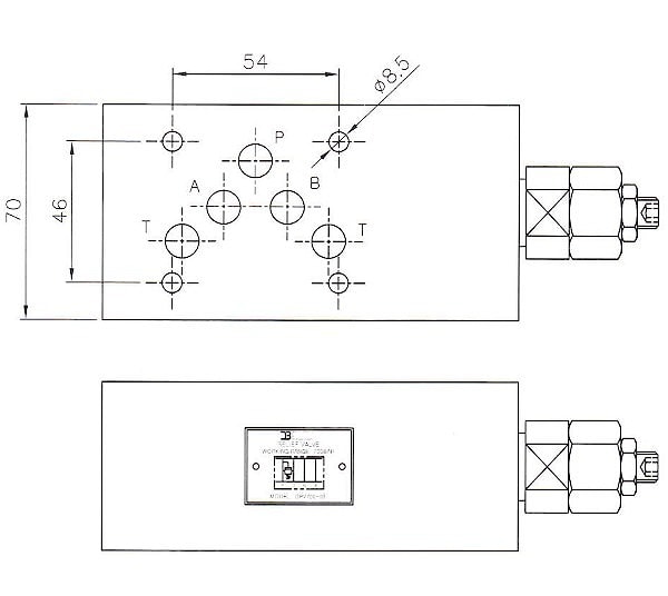
DRV-700-03
Давление макс - 700 бар
Расход 70 л/мин
масса 3,3 кг

Если вы хотите купить предохранительный клапан высокого давления , вы можете:
Позвонить:

