Гидрозамок модульный высокого давления
Клапан обратный управляемый (гидрозамок) тип DPV.Модульный монтаж.
Два типоразмера.
Гидрозамки предназначены для герметичного запирания полостей гидродвигателя при падении давления в гидросистеме.
Условное обозначение
Спецификация
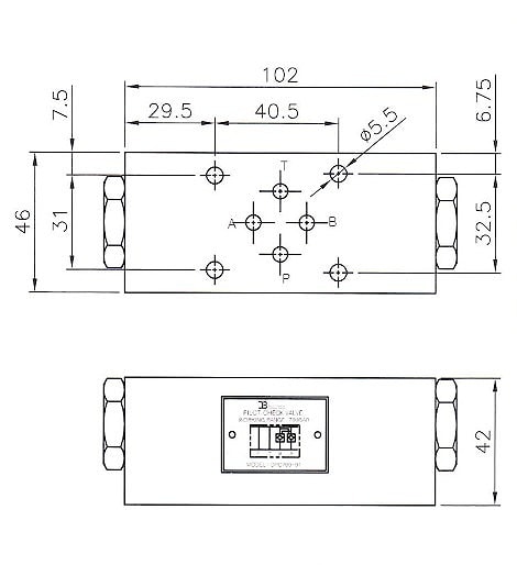
DPV-700-01
Давление макс - 700 бар
Расход 35 л/мин
масса 1,4 кг
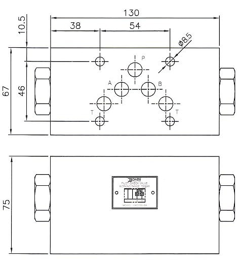
DPV-700-03
Давление макс - 700 бар
Расход 60 л/мин
масса 4,5 кг

Если вы хотите купить гидрозамок модульный высокого давления , вы можете:
Позвонить:

