3/2 ходовой соленоидный клапан на давление 700 бар
3/2 холовой соленоидный клапан на давление 700 бар двухпозиционный трехлинейный.Может применяться с цилиндрами одностороннего действия.
Давление макс. - 700 бар
Расход рабочей жидкости ном. 30 л/мин
Масса 2,9 кг.
Расшифровка условного обозначения
| DSV | 700 | — | 3 | / | 2 | — | T |
| схема | |||||||
| количество позиций переключения | |||||||
| количество портов | |||||||
| давление бар | |||||||
| клапан соленоидный | |||||||

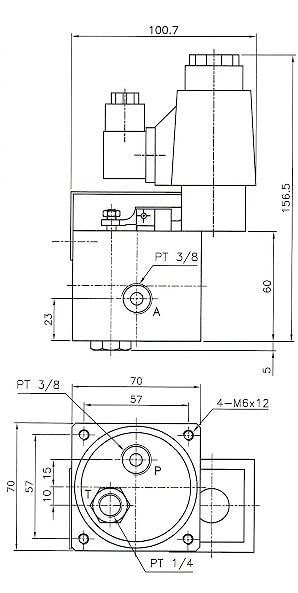
Размеры

Если вы хотите купить 3/2 ходовой соленоидный клапан на давление 700 бар , вы можете:
Позвонить:

