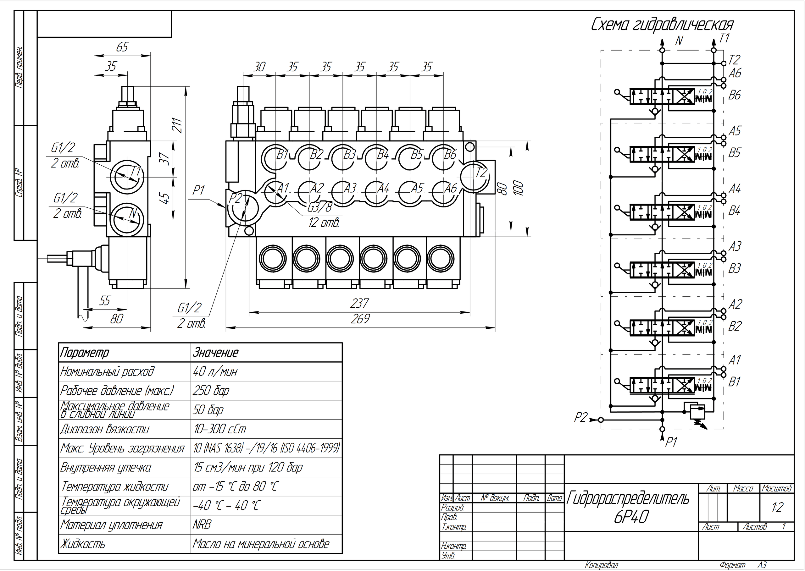
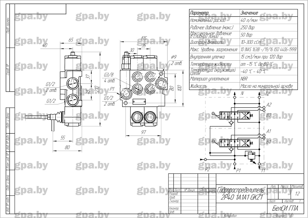
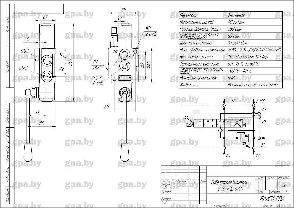
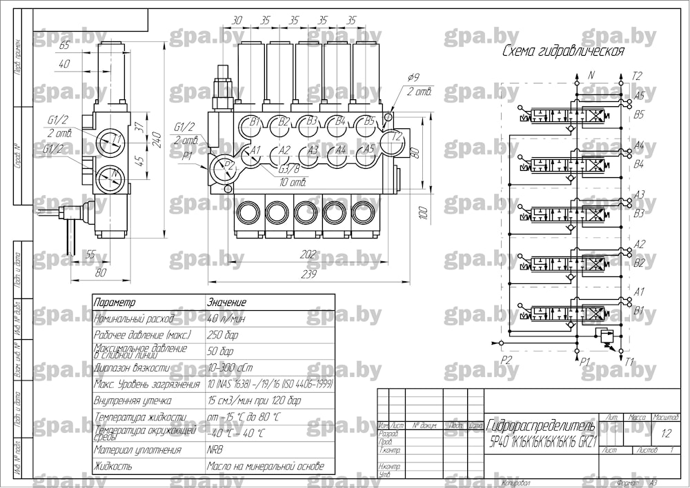
Гидрораспределители с ручным управлением моноблочные типа P40 (Китай) 40 л/мин, 250 бар 1-6 золотников
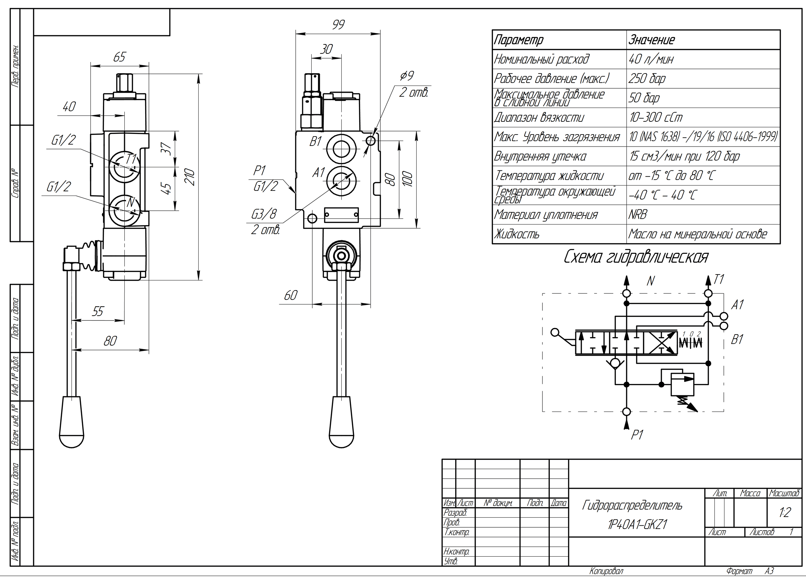
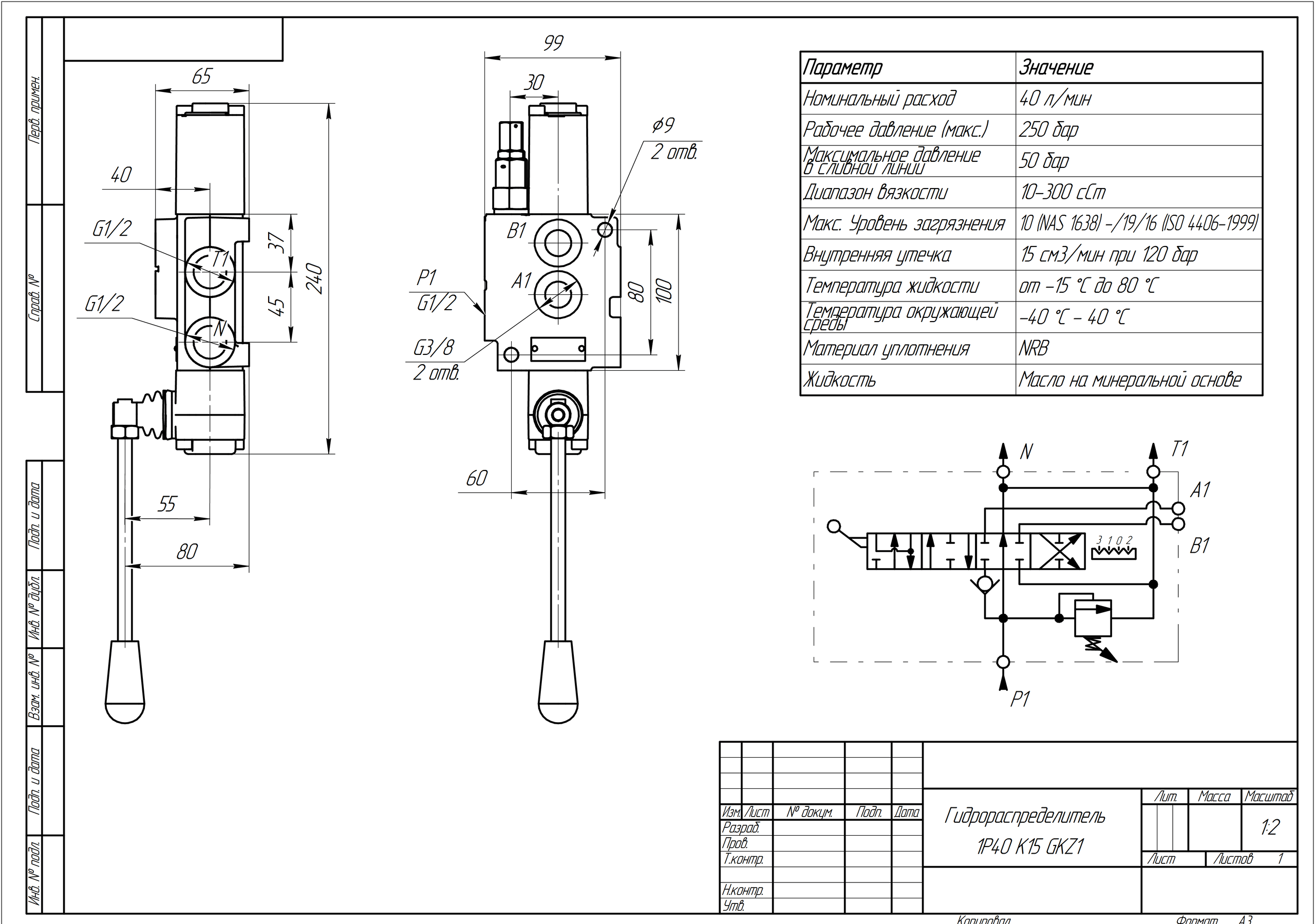
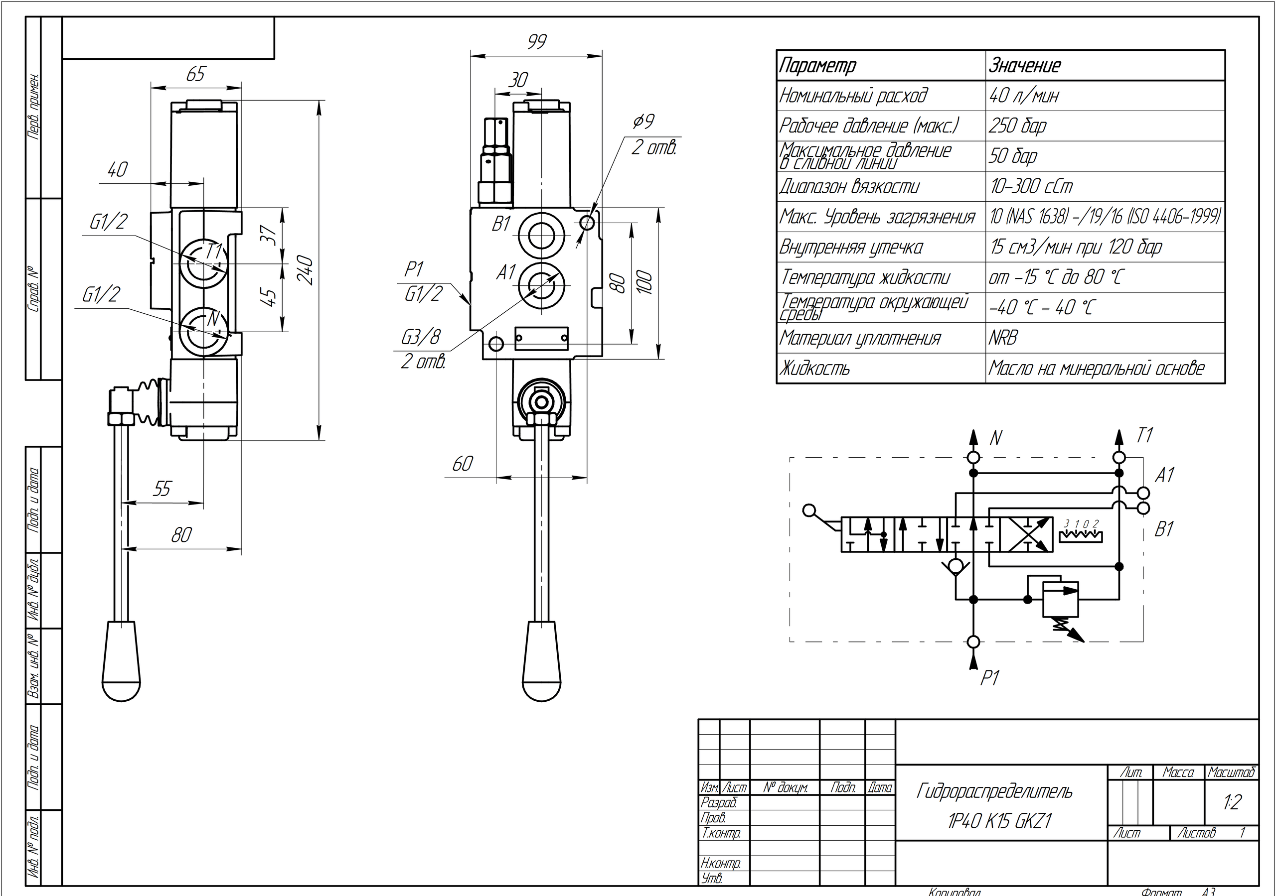
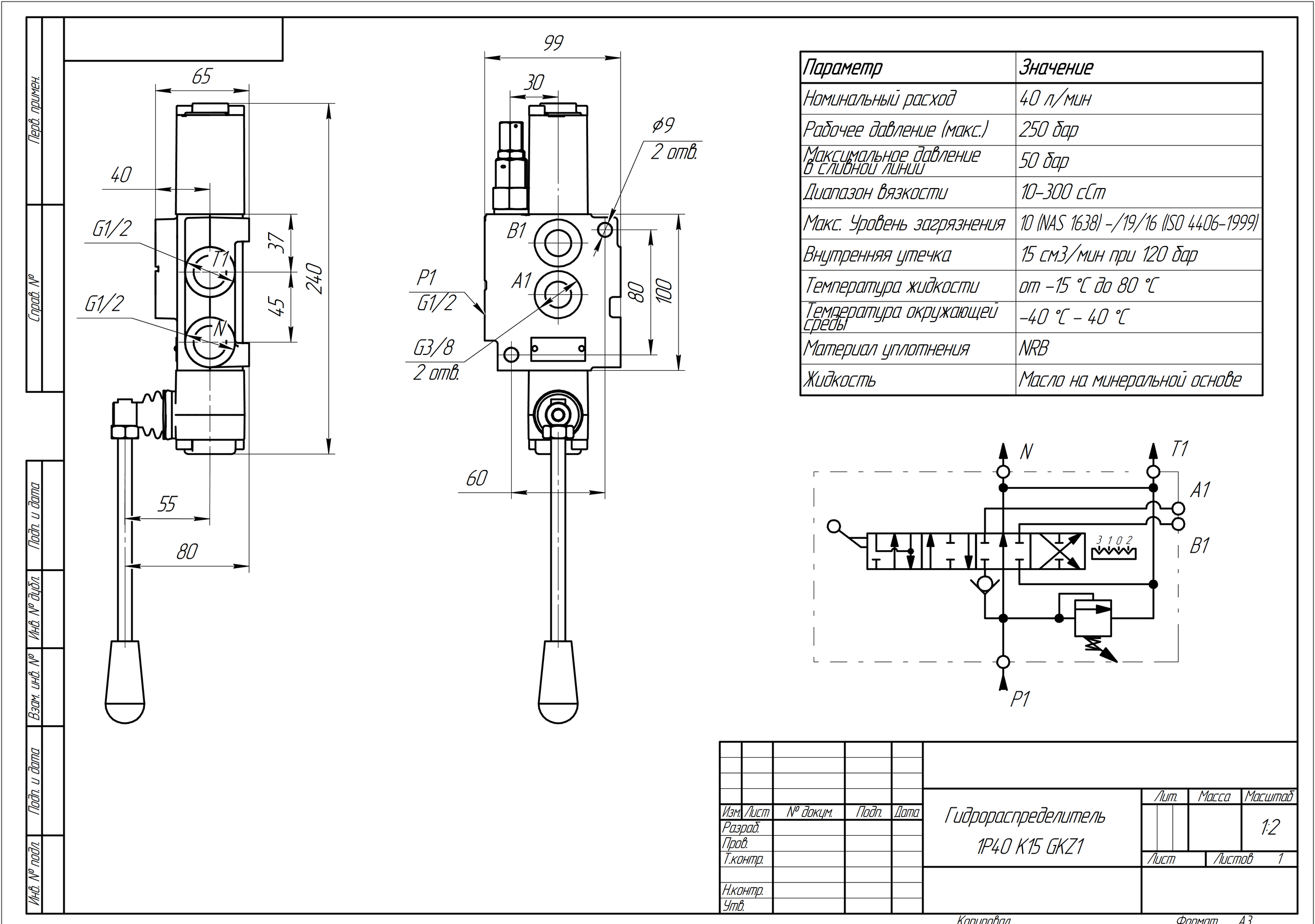
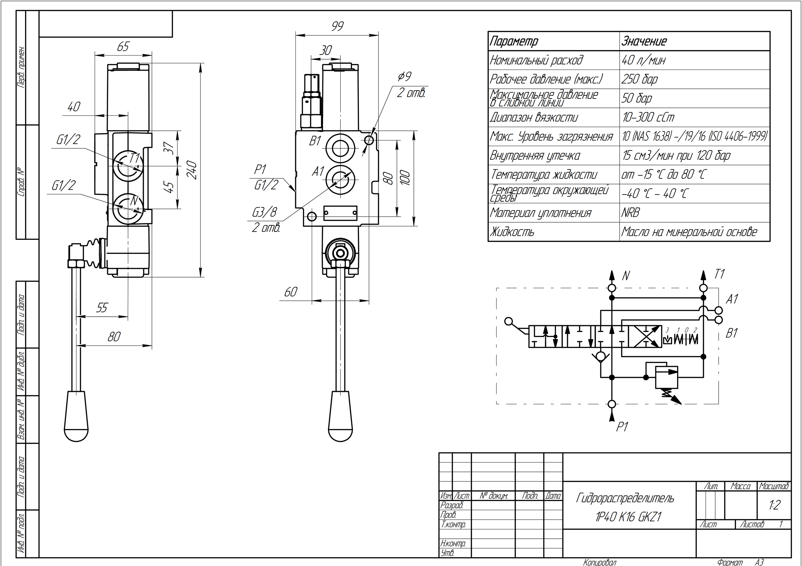
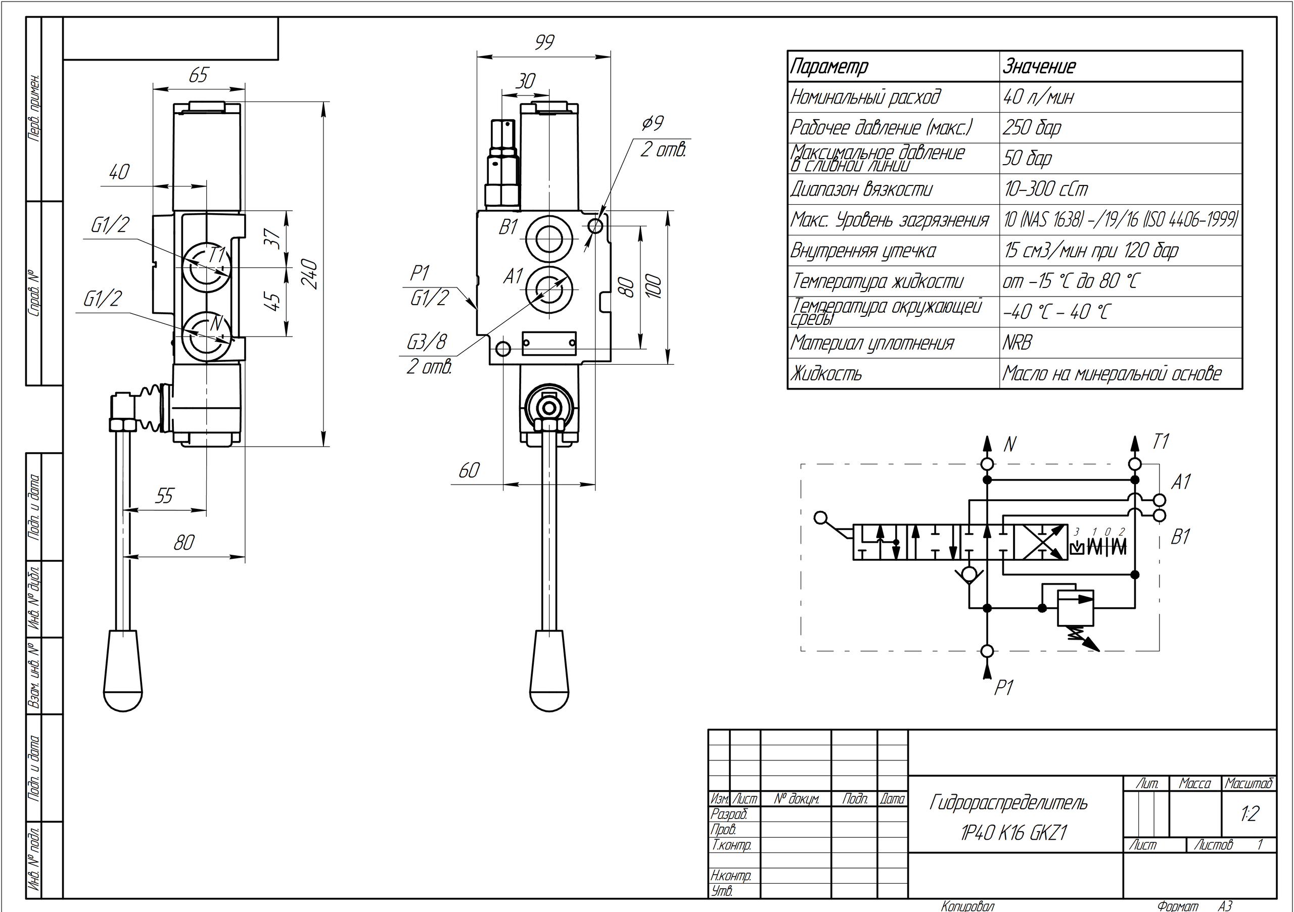
Гидрораспределители с ручным рычажным управлением служат для изменения направления потока рабочей жидкости, регулировки давления в гидросистемах и разгрузки насоса при нейтральном положении золотника.
Моноблочные распределители представляют собой литой корпус, внутри которого расположены несколько золотников, установленных параллельно, а также встроенный предохранительный клапан.
Такие распределители широко применяются в гидроприводах с шестеренными насосами на сельскохозяйственной и дорожной технике, а также на экскаваторах и других машинах, оснащённых аксиально-поршневыми насосами.
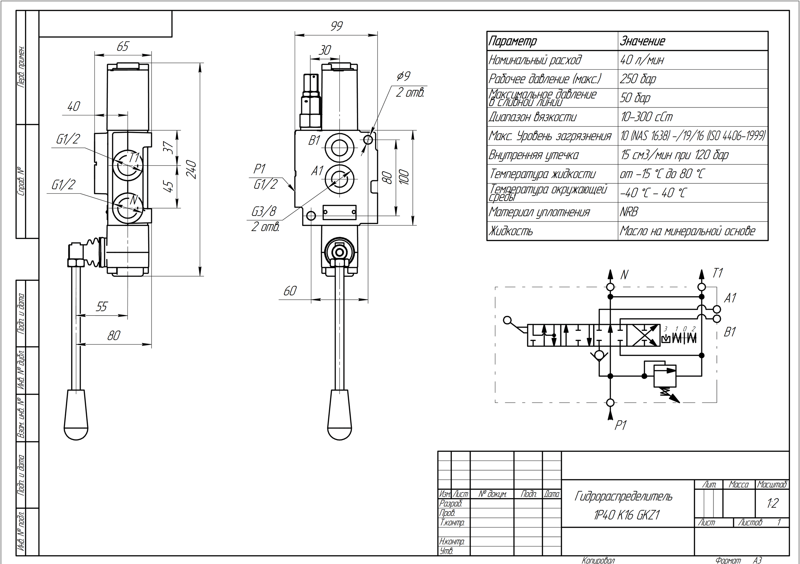
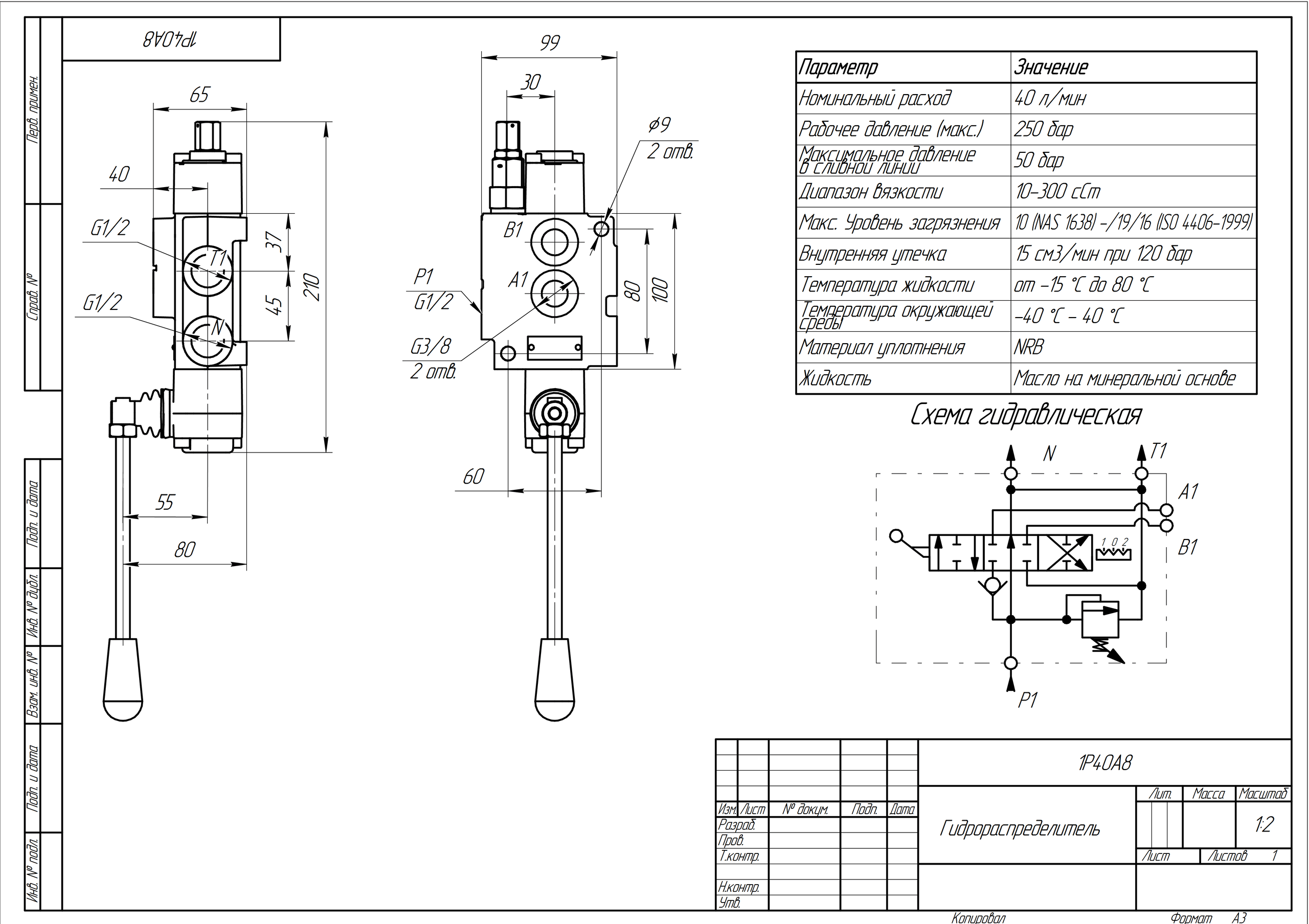
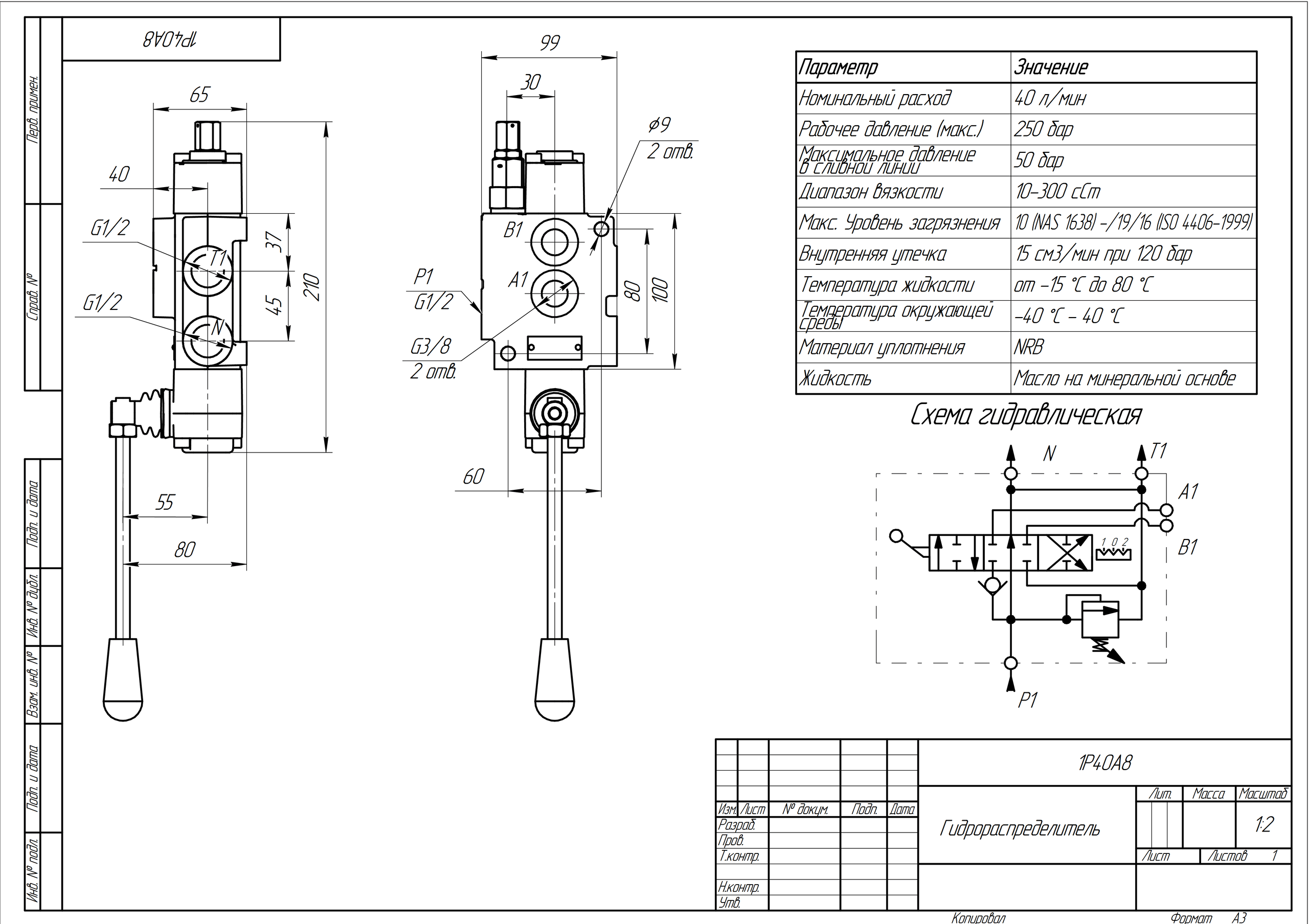
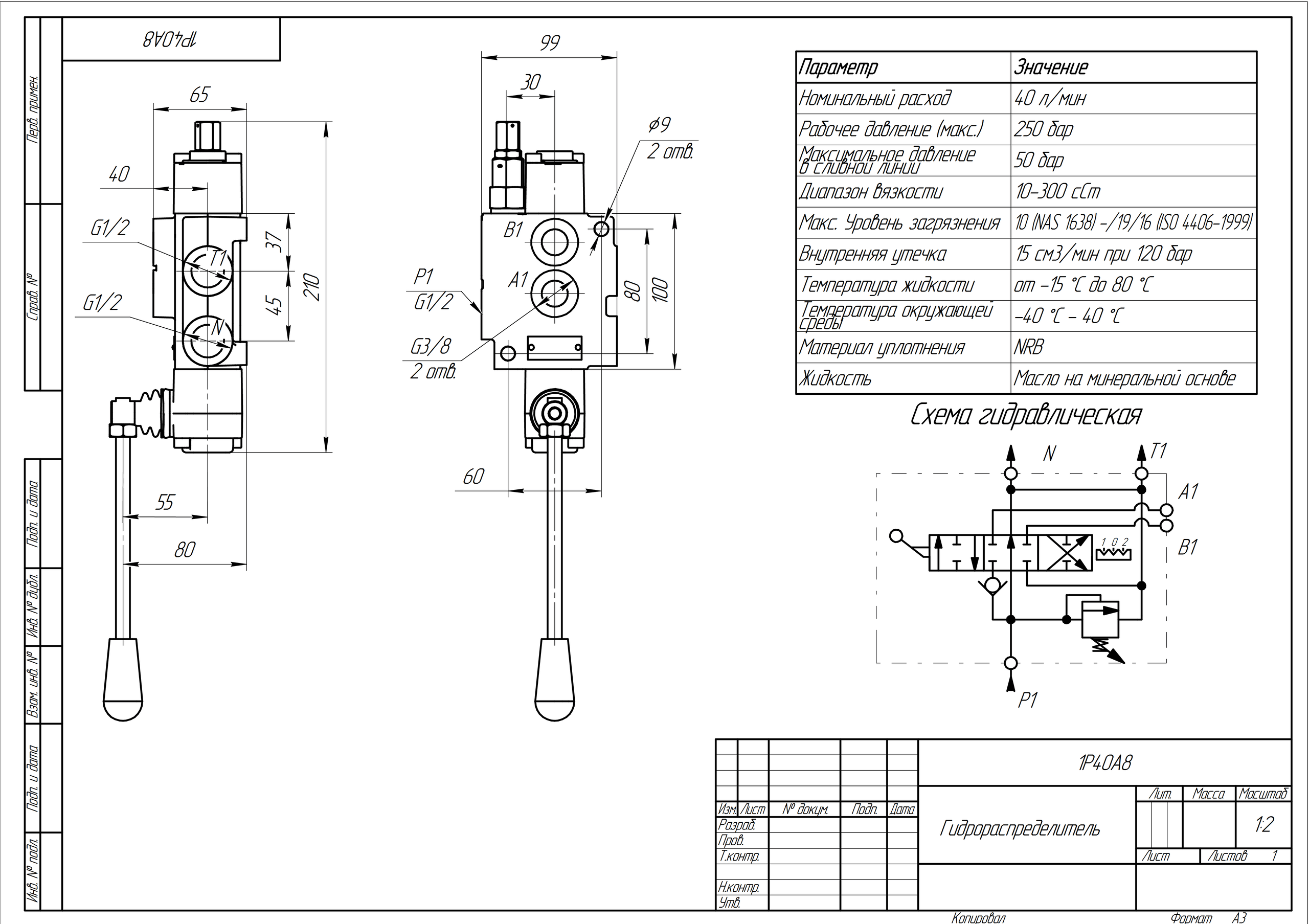
Основные показатели:
| Конструктивное исполнение | моноблок |
| Крепление | 2 болта M8 |
| Присоединительные отверстия | внутренние резьбы |
| Температура воздуха | -40C…+40C |
| Рабочая жидкость | минеральное гидравлическое масло |
| Кинематическая вязкость | 12…800 mm²/s |
| Температура рабочей жидкости | - 15C…+80C |
| Тонкость фильтрации | 10 по NAS1638 |
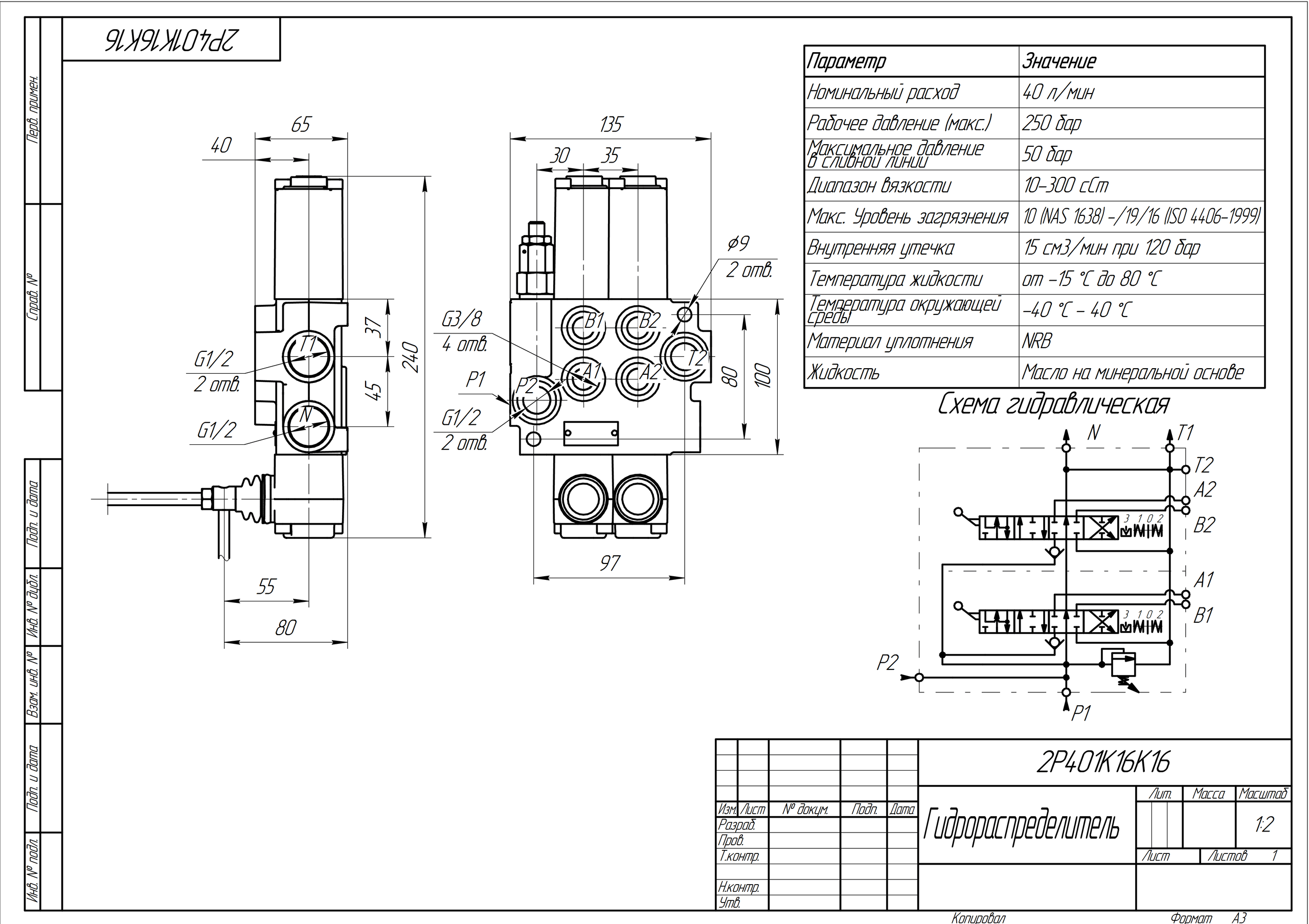
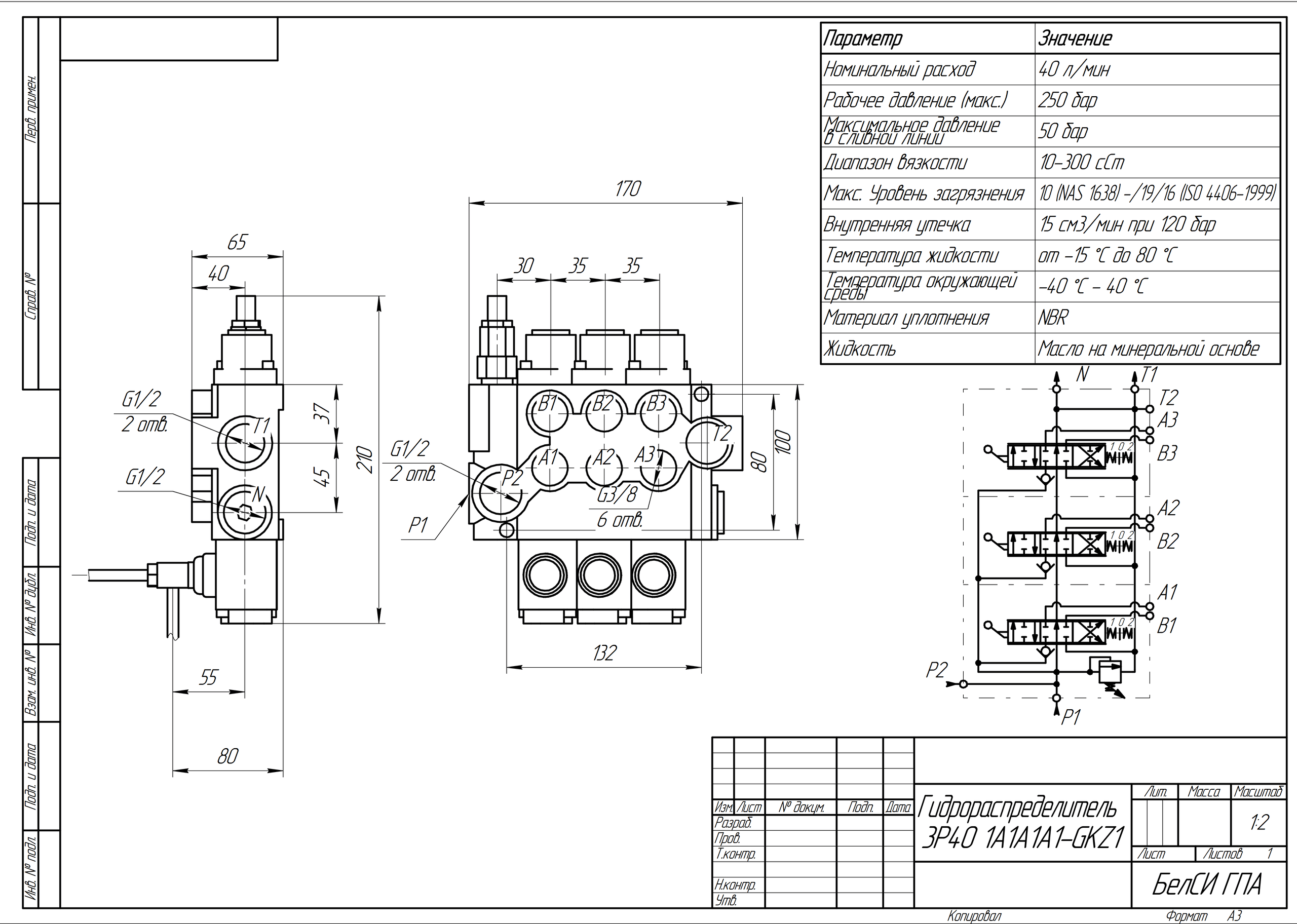
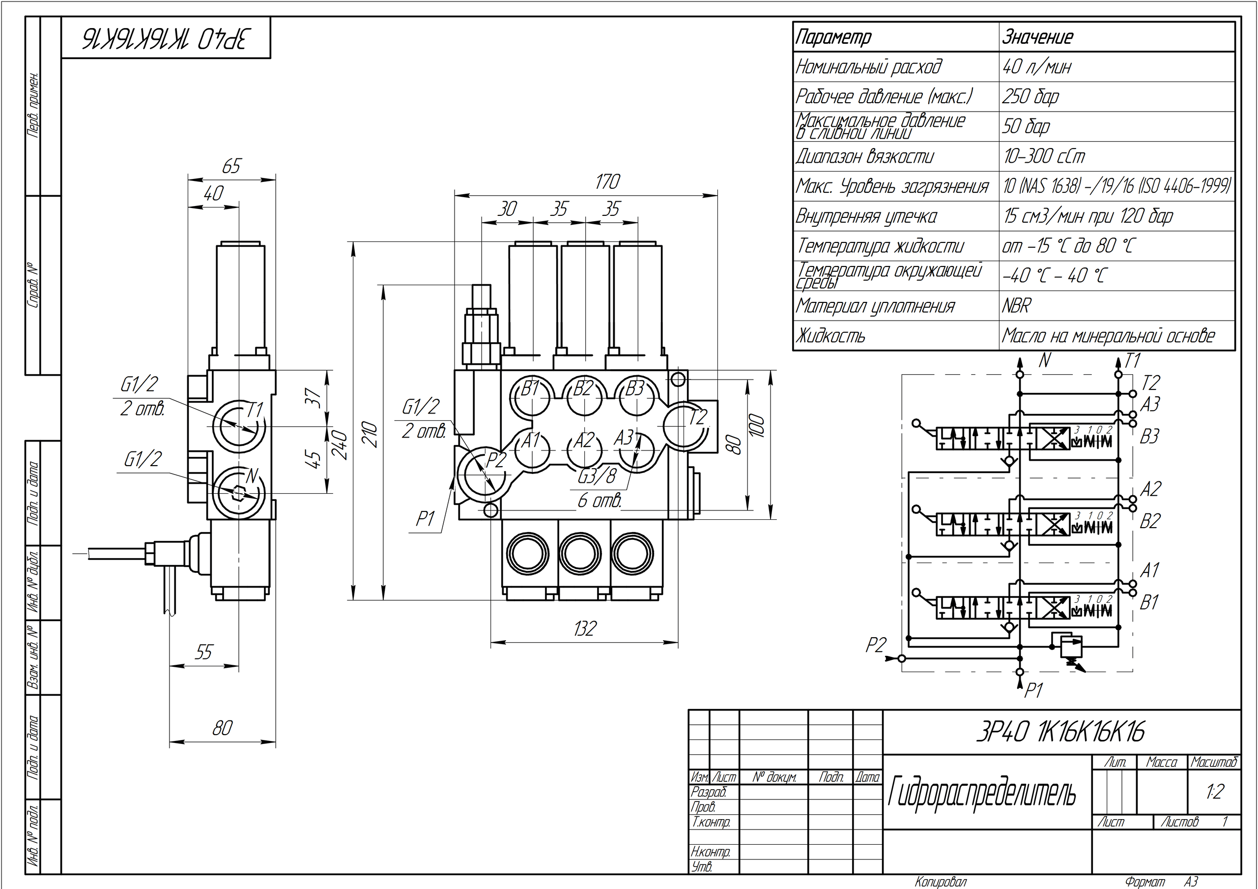
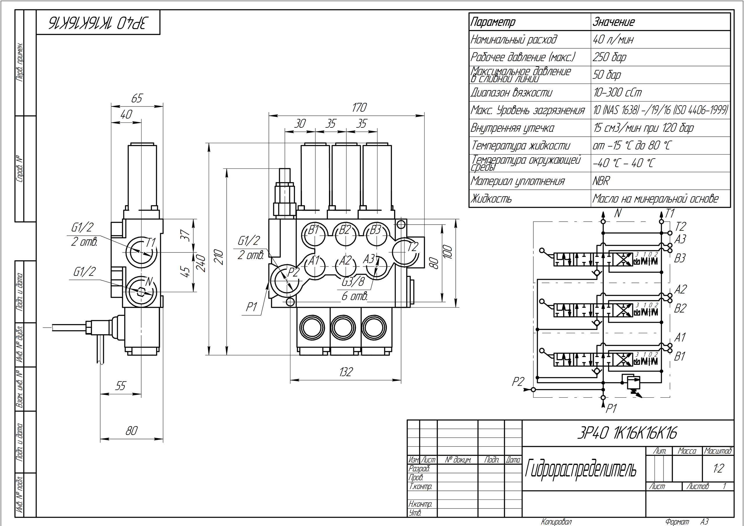
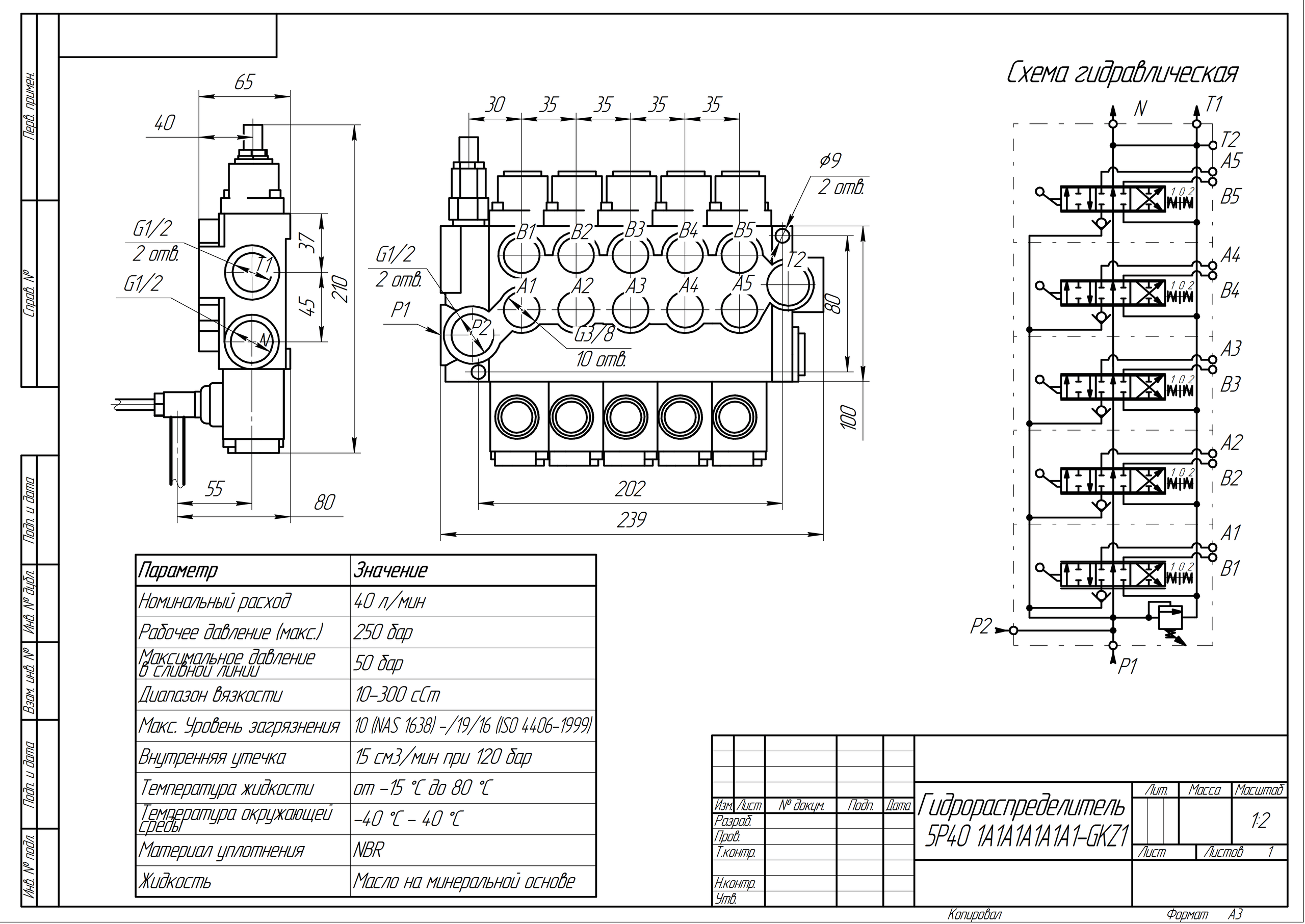
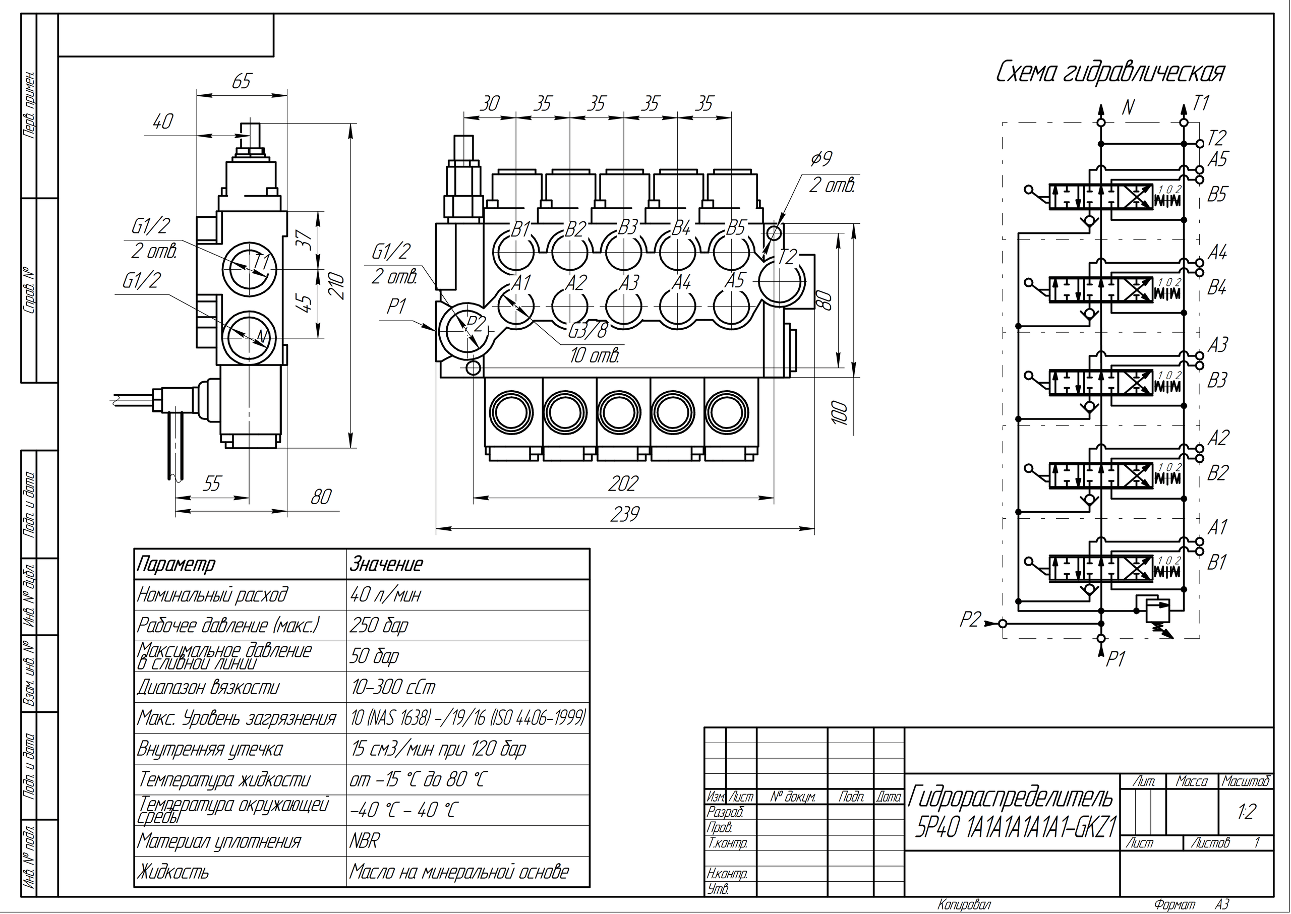
| Давление max. bar | P = 250 bar |
| Расход рабочей жидкости | 40 l/min |
| Ход золотника | ± 6 mm |
| Усилие на рукоятке | < 200 N |
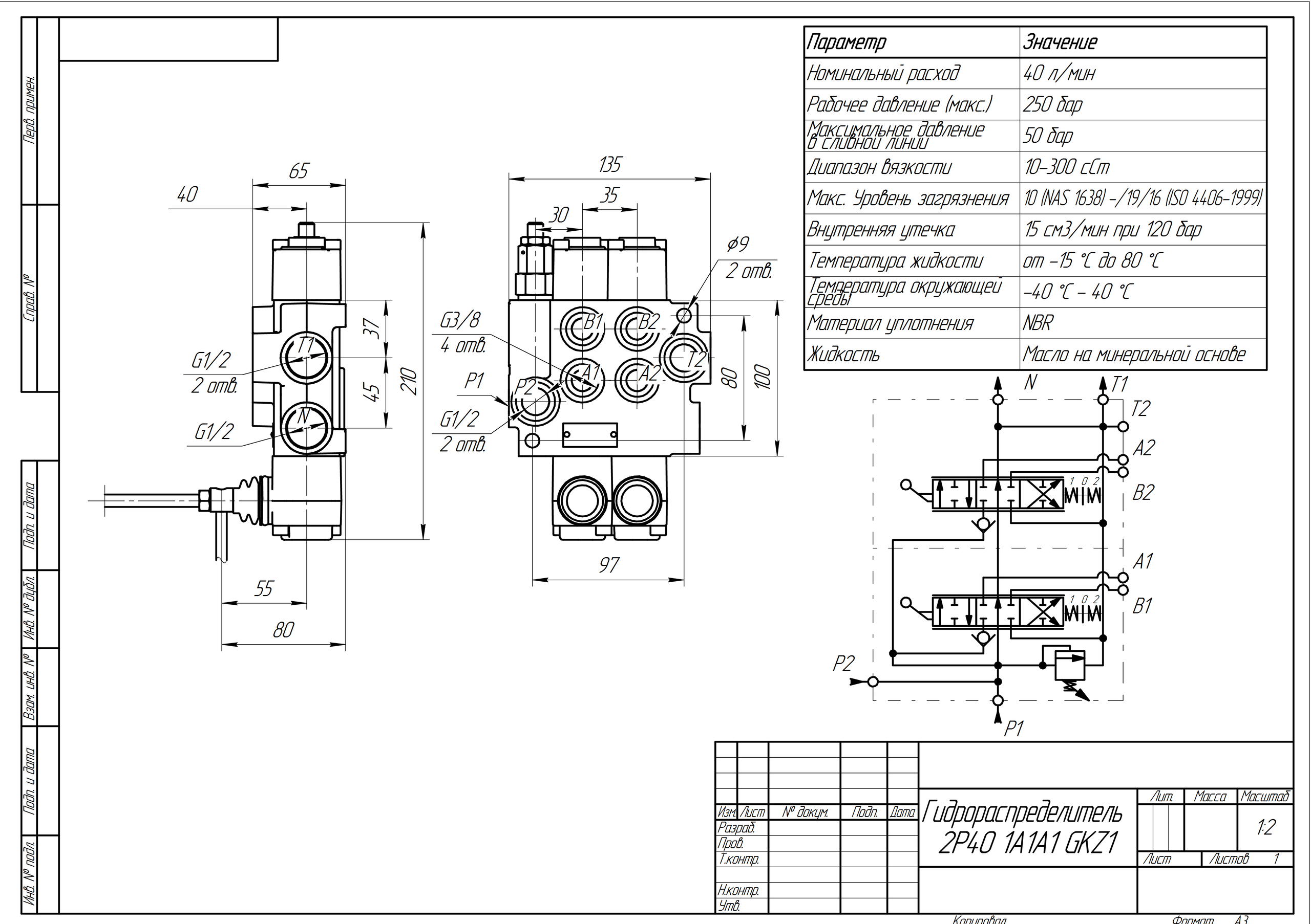
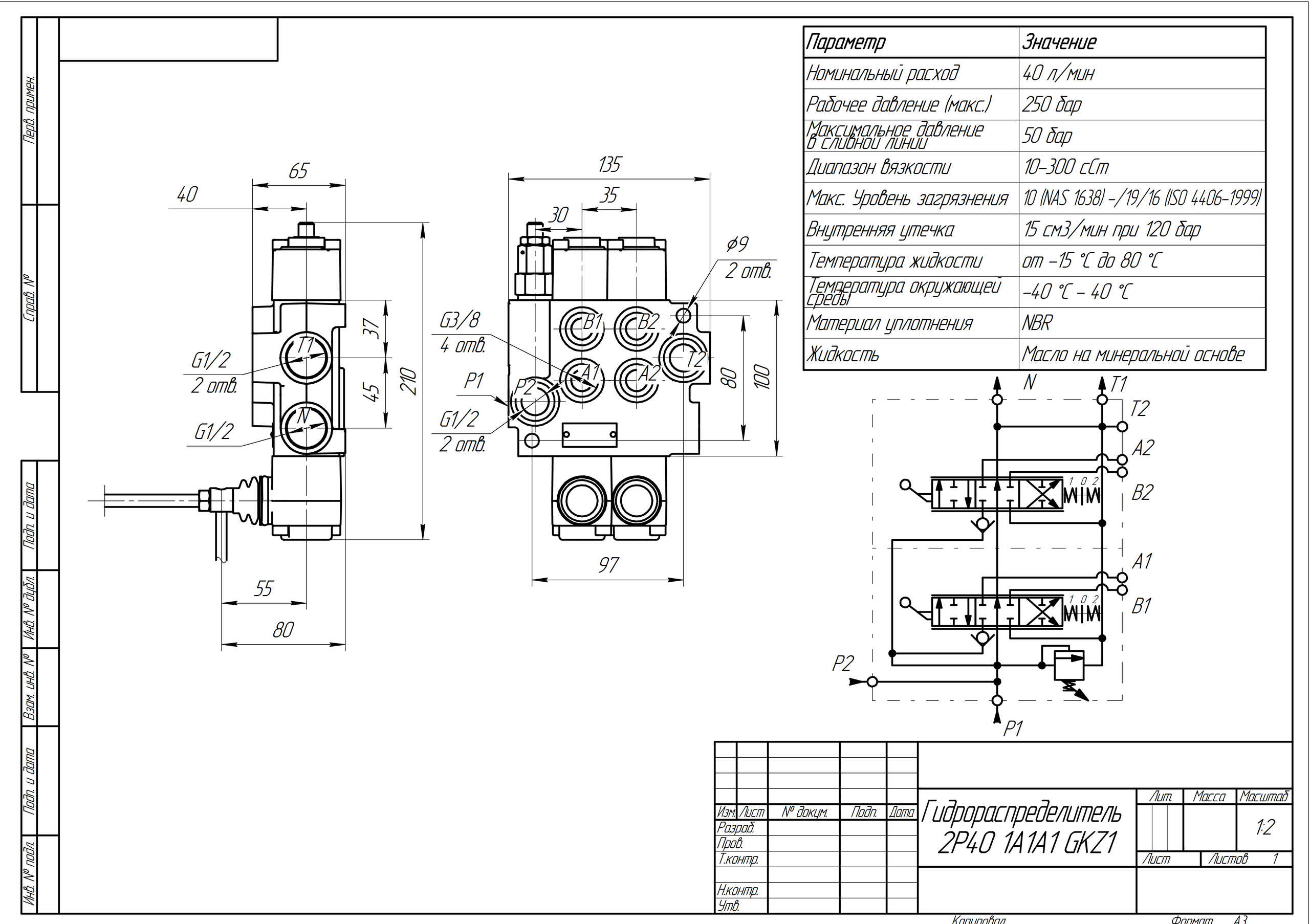
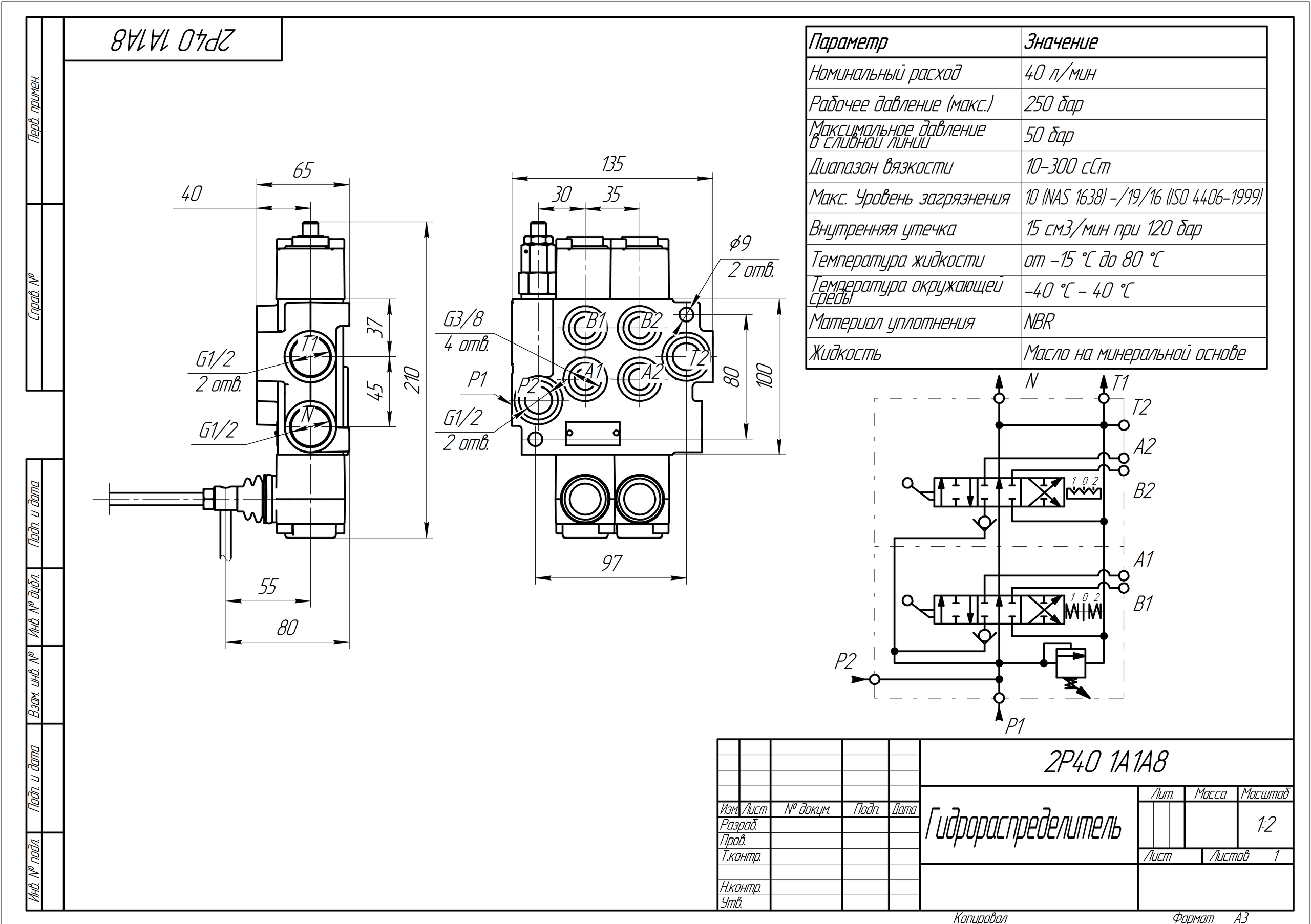
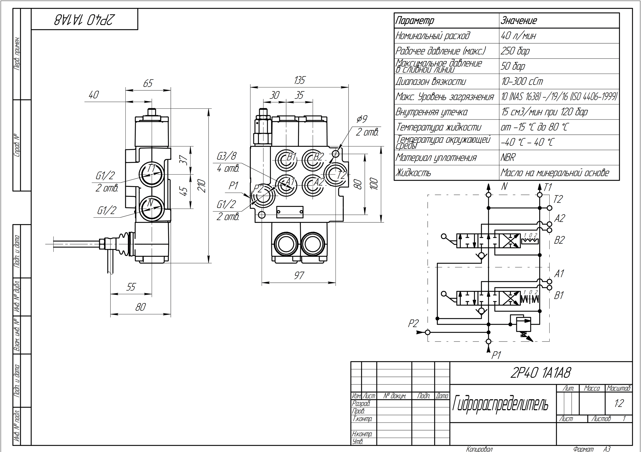
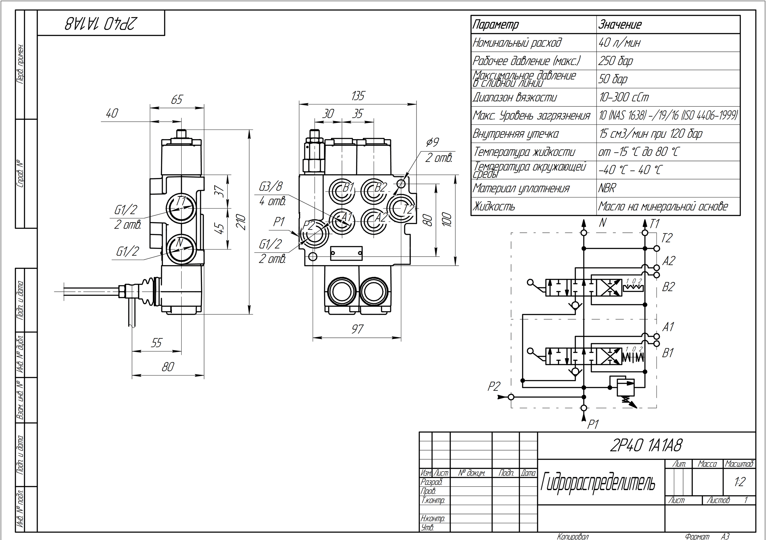
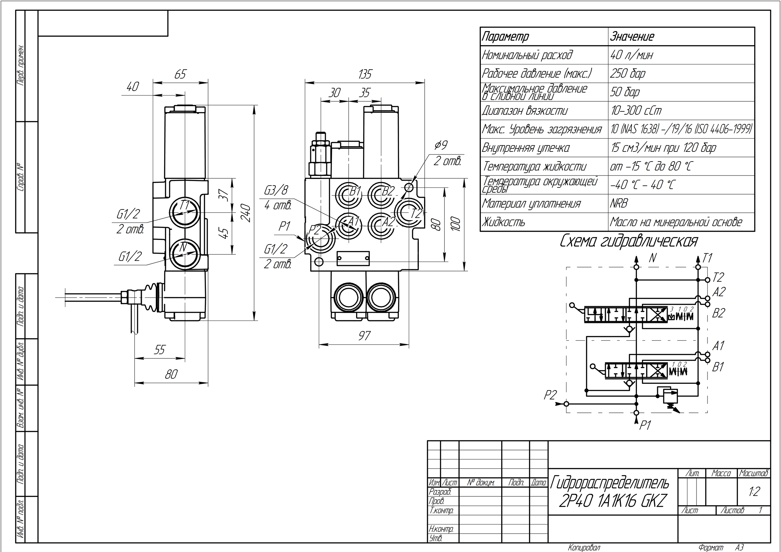
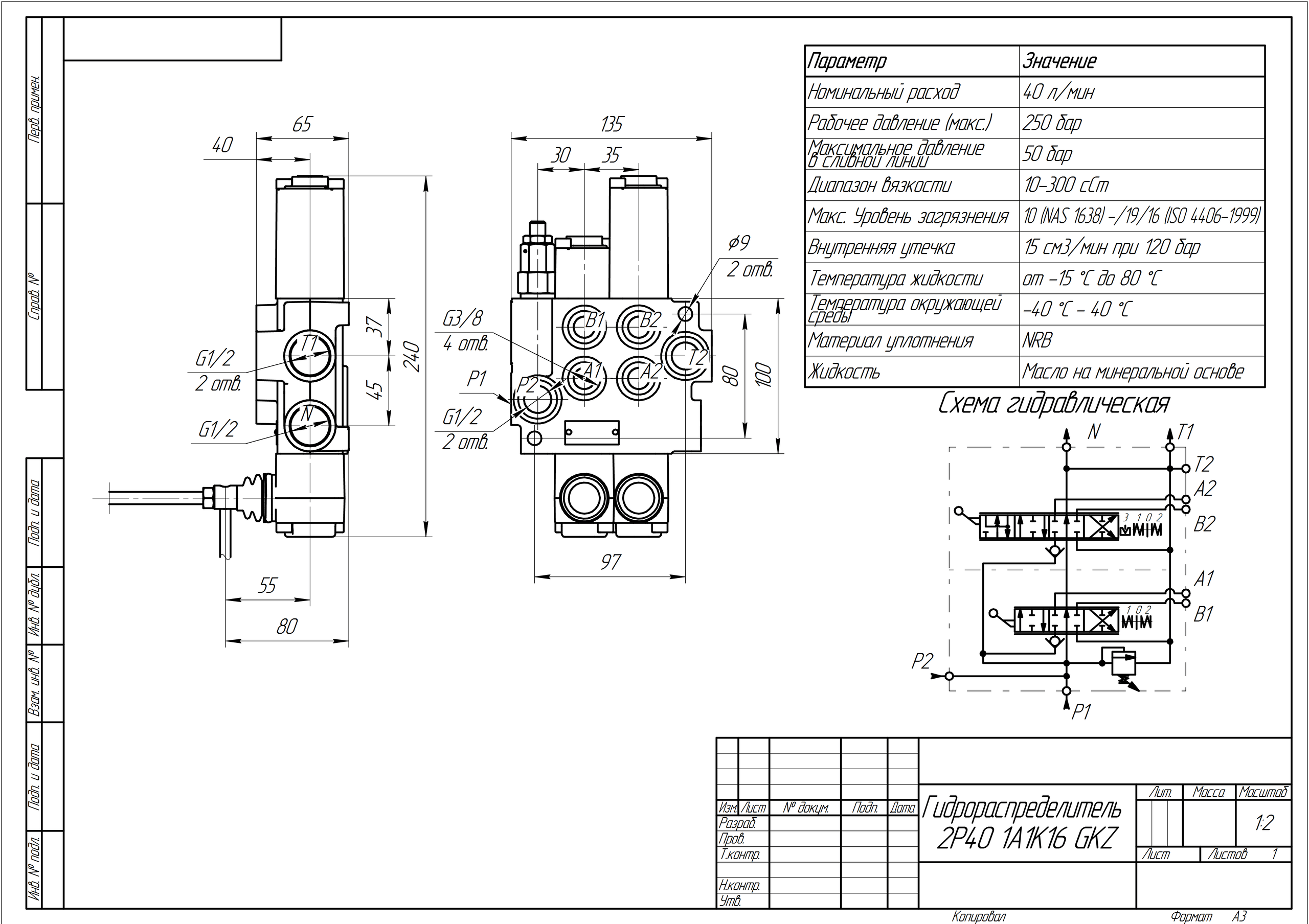
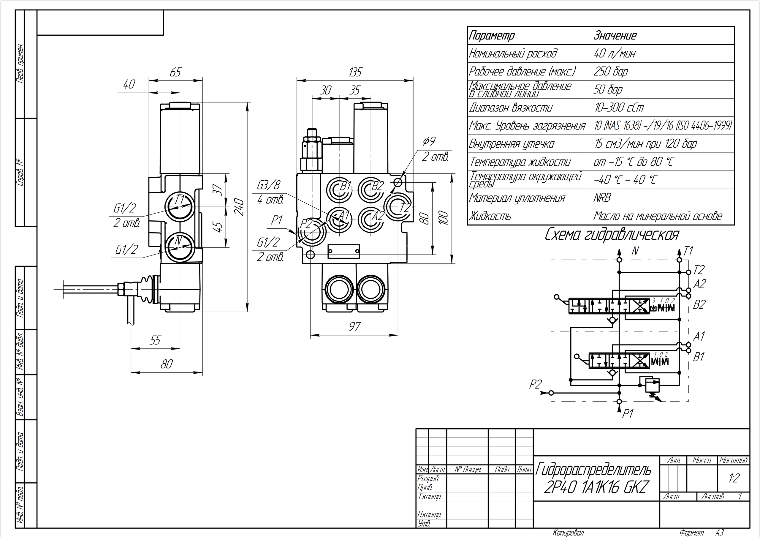
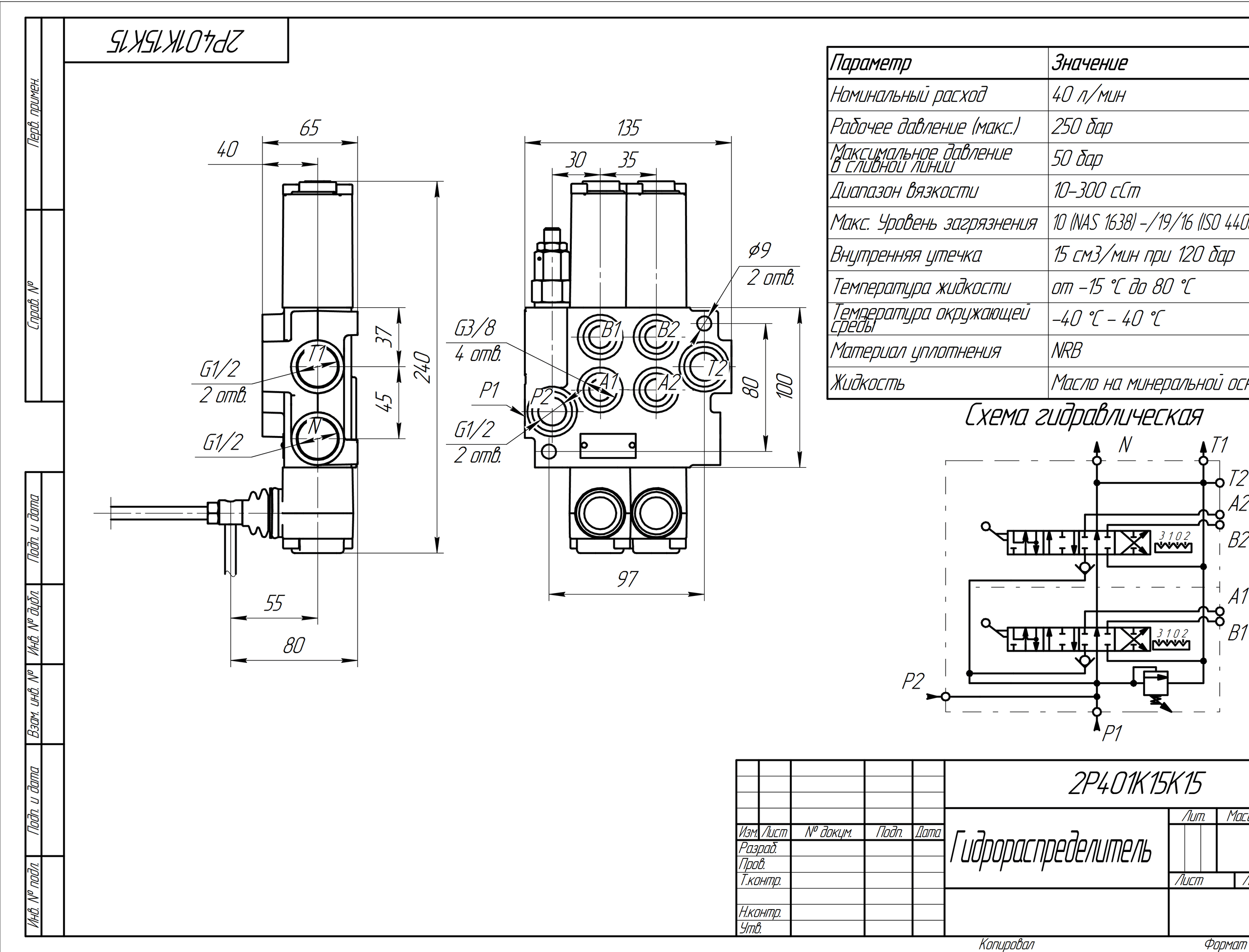
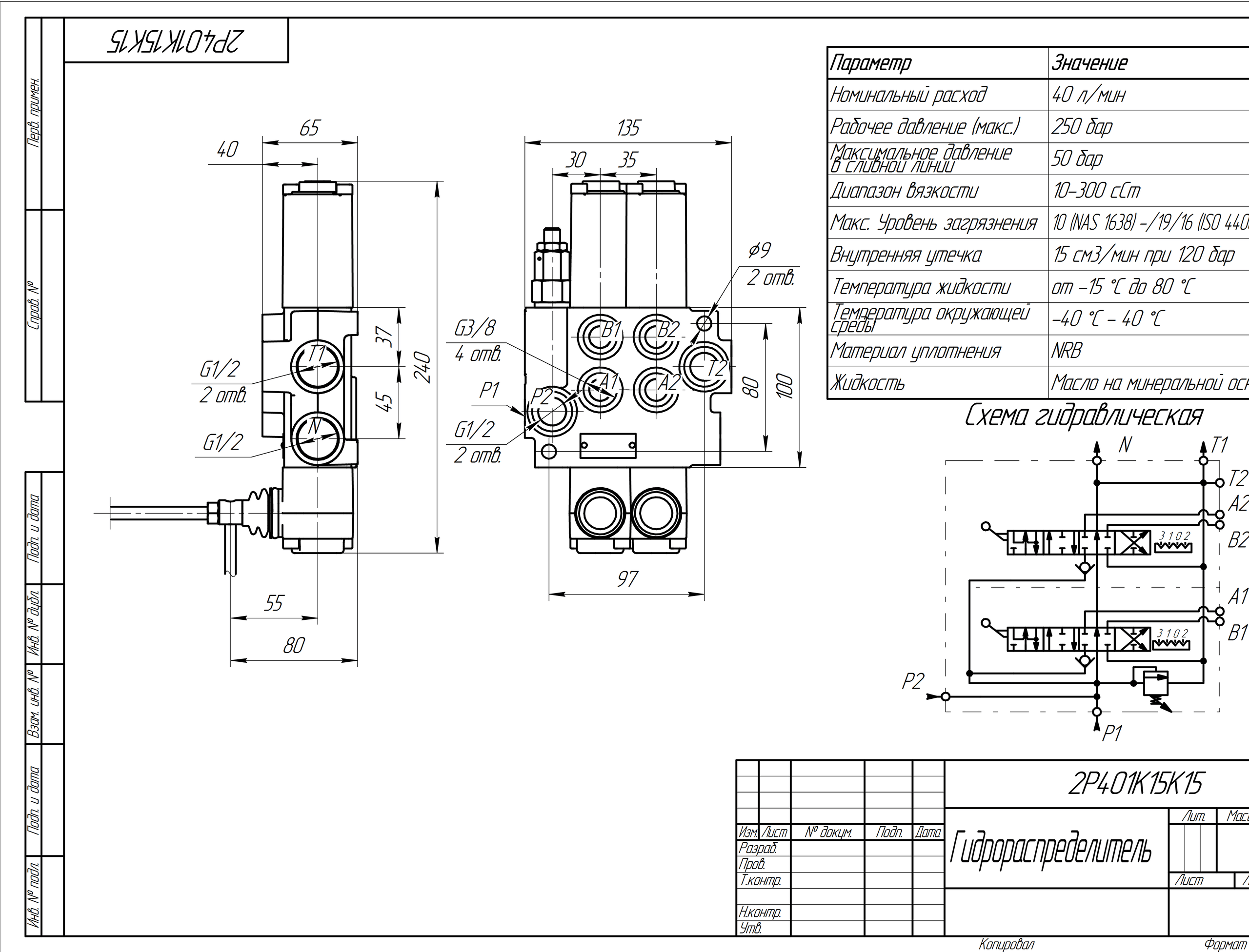
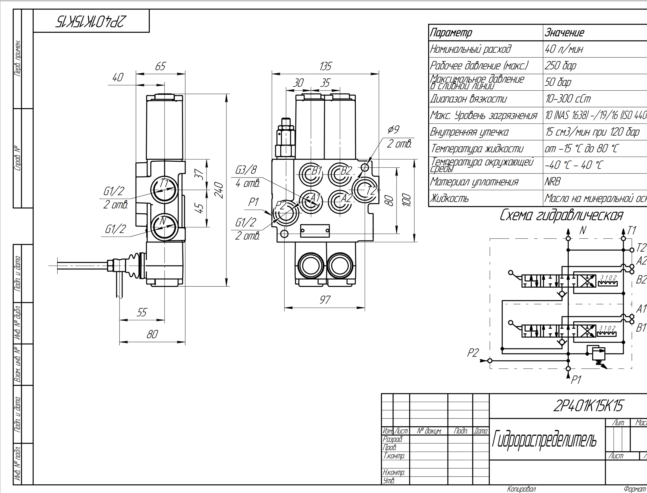
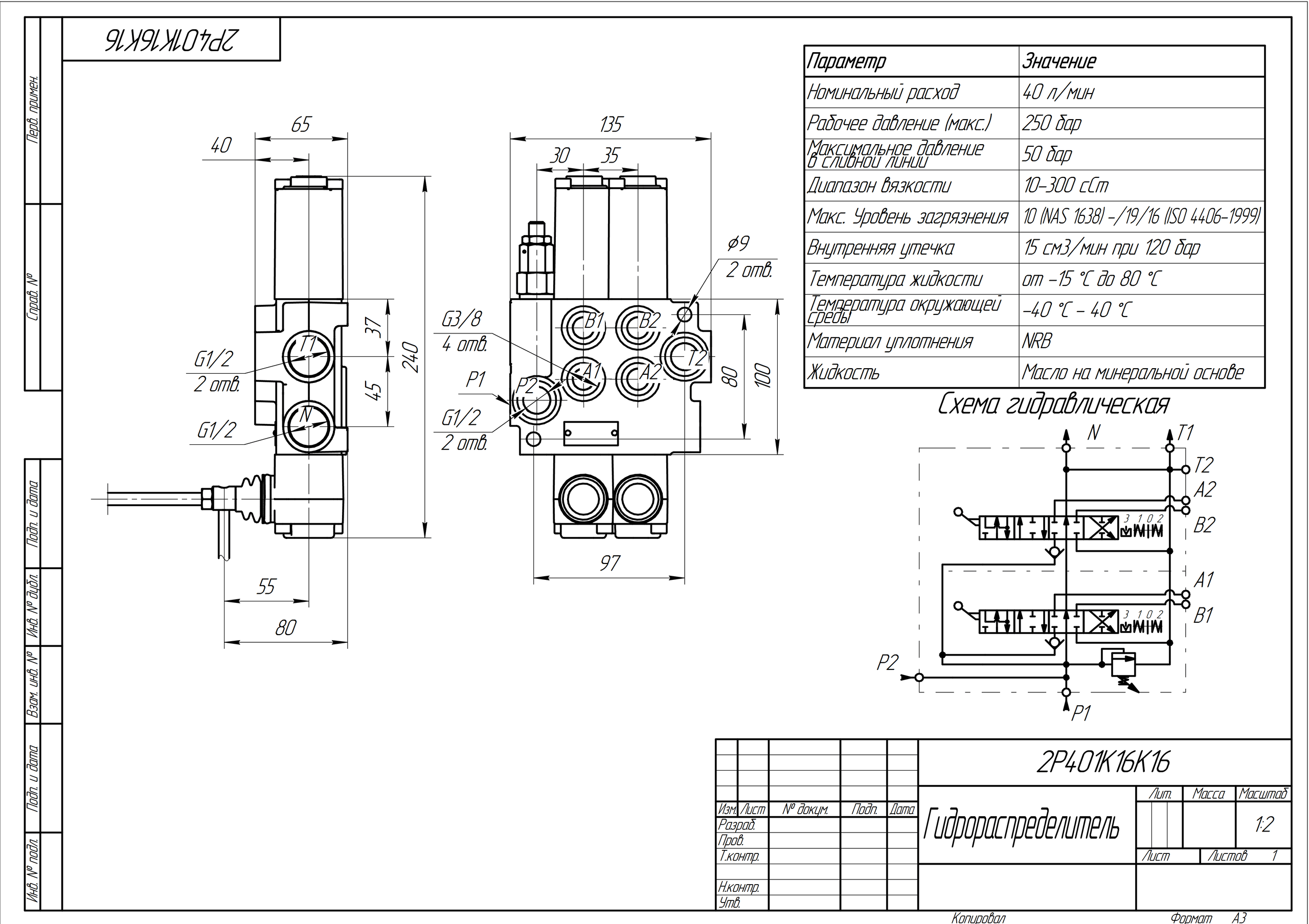
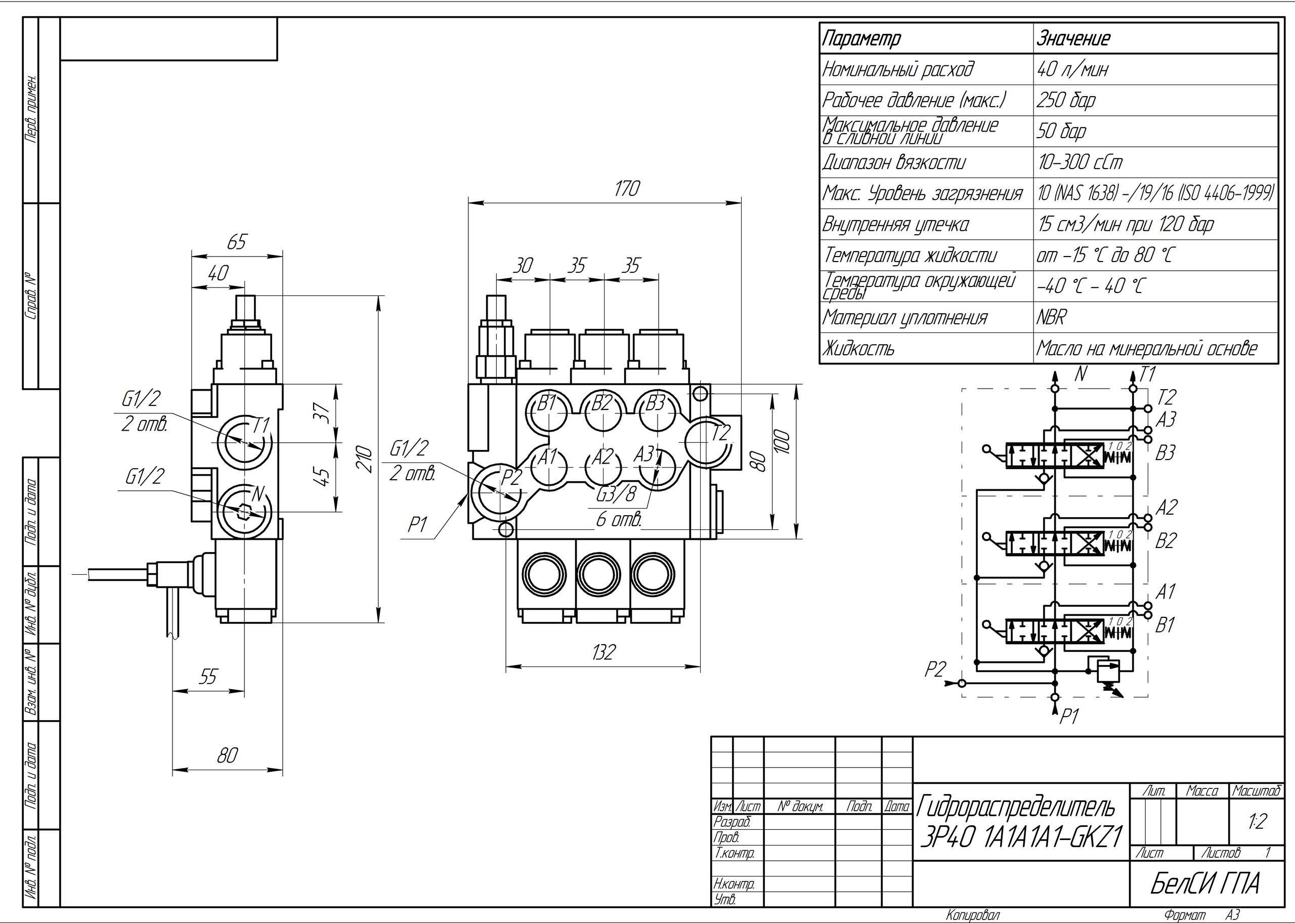
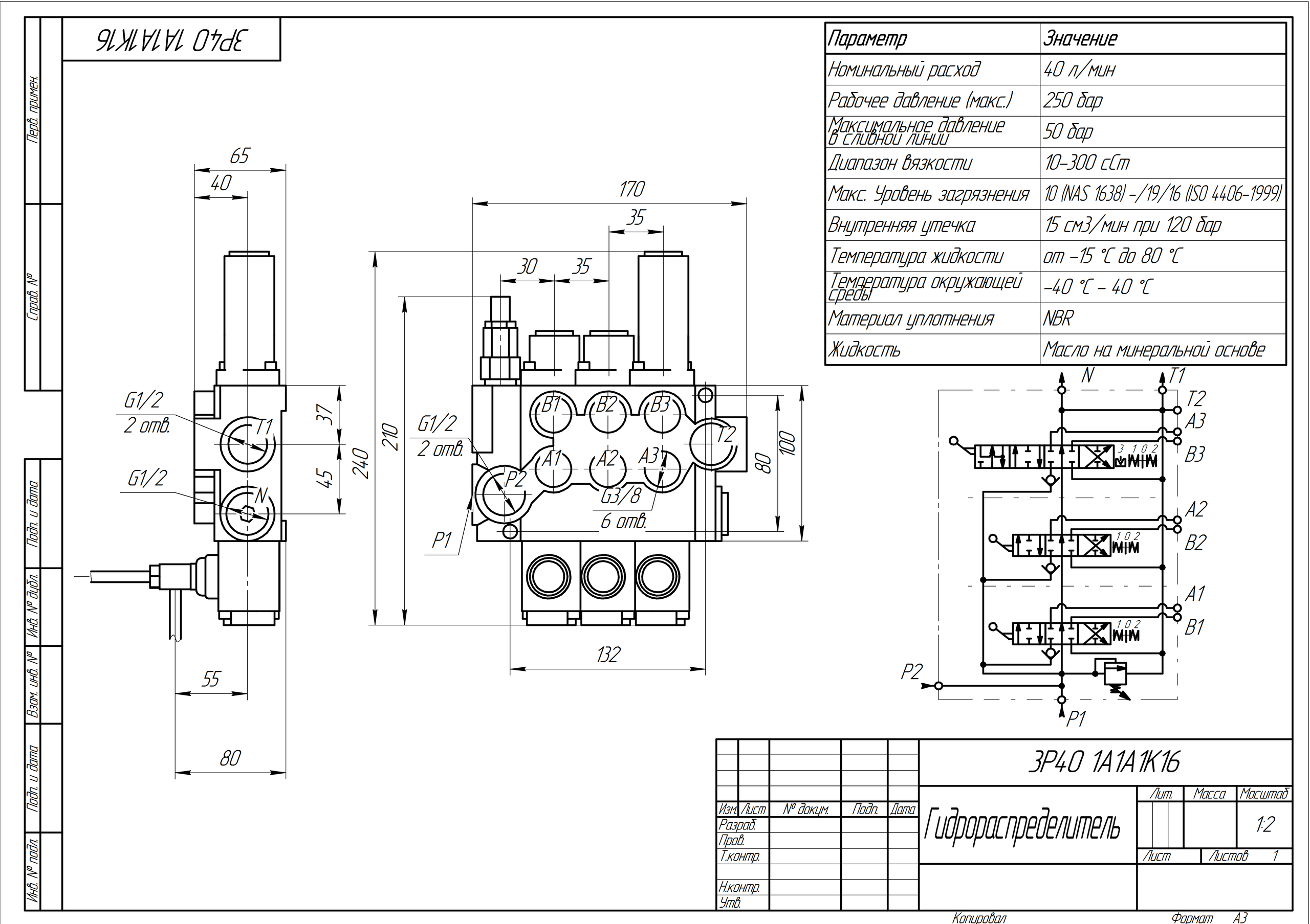
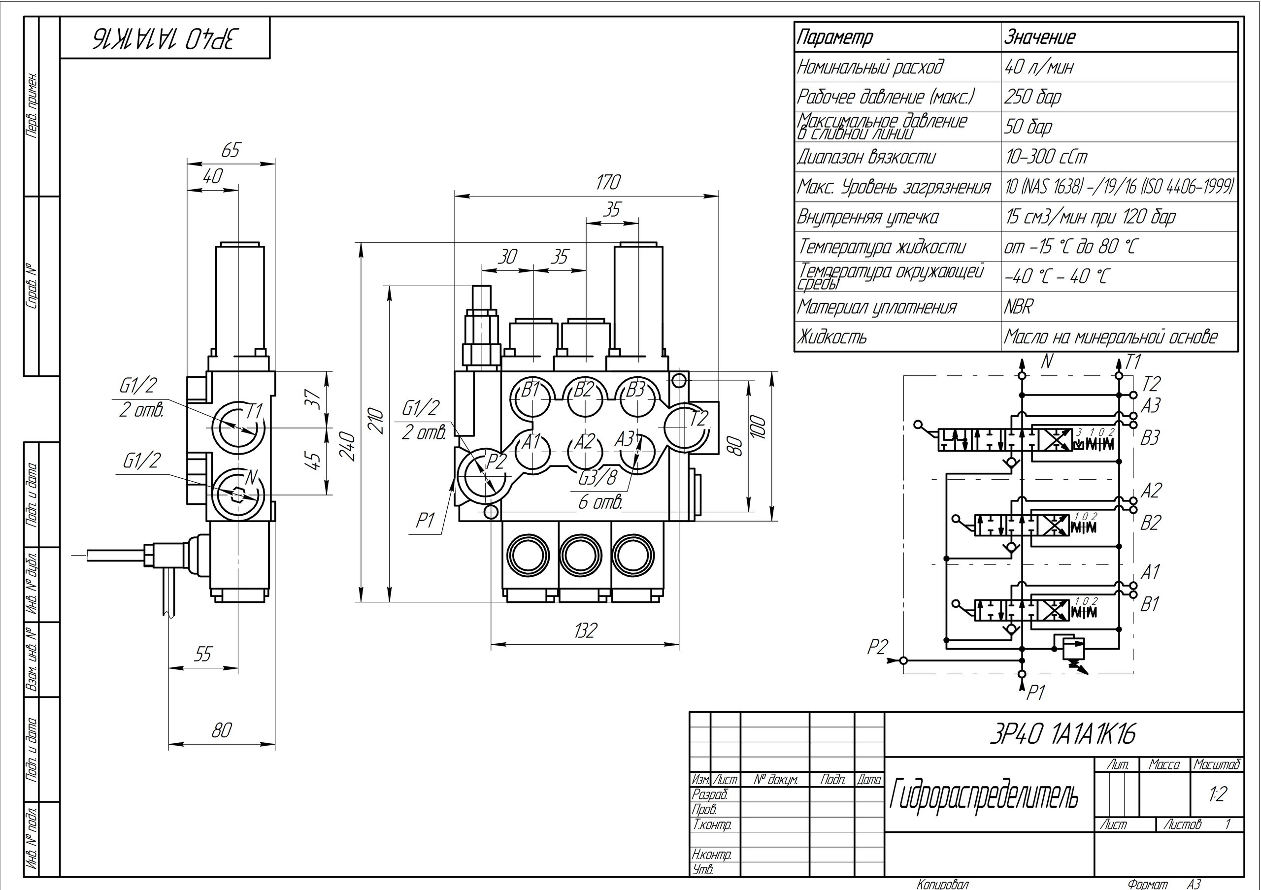
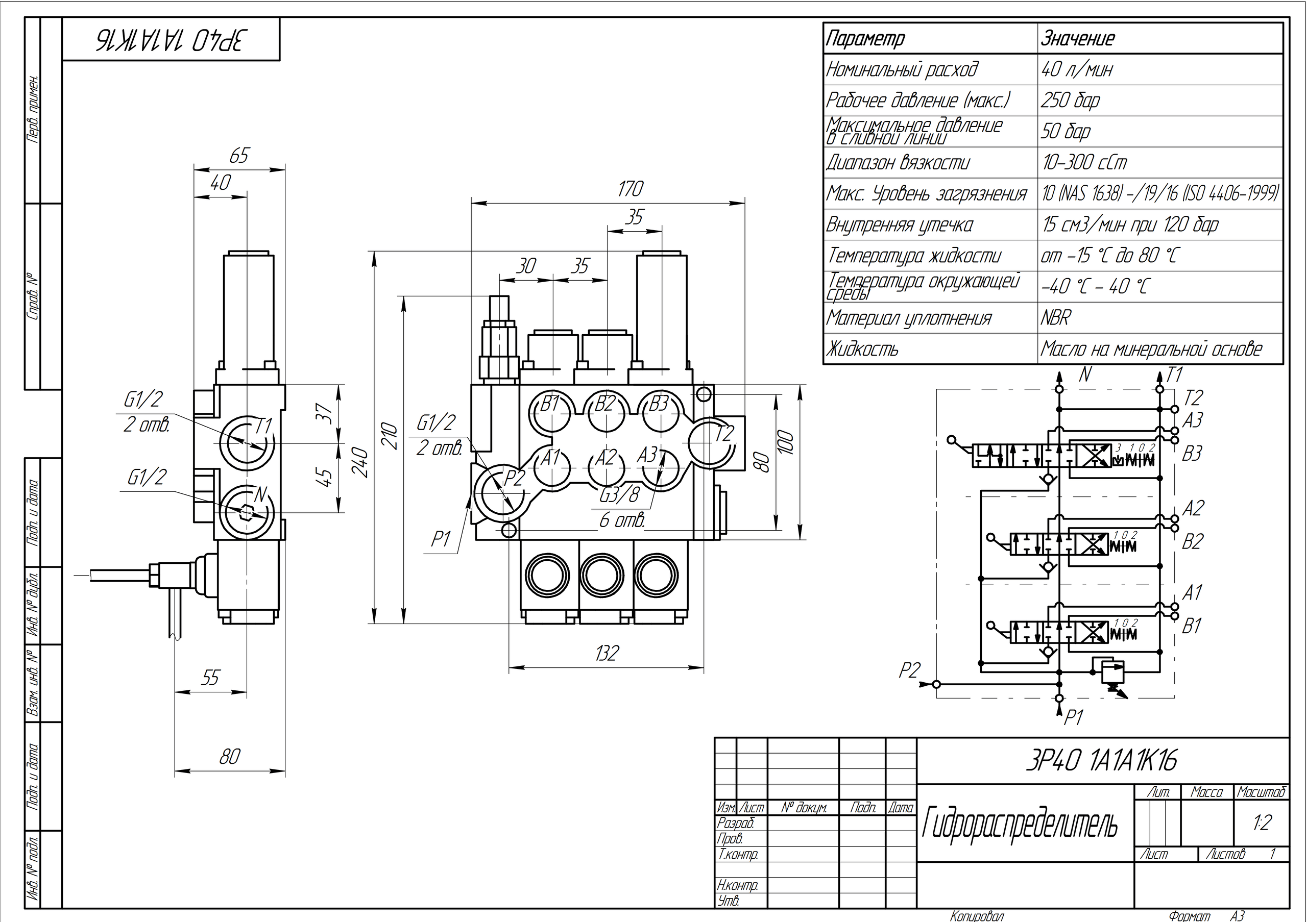
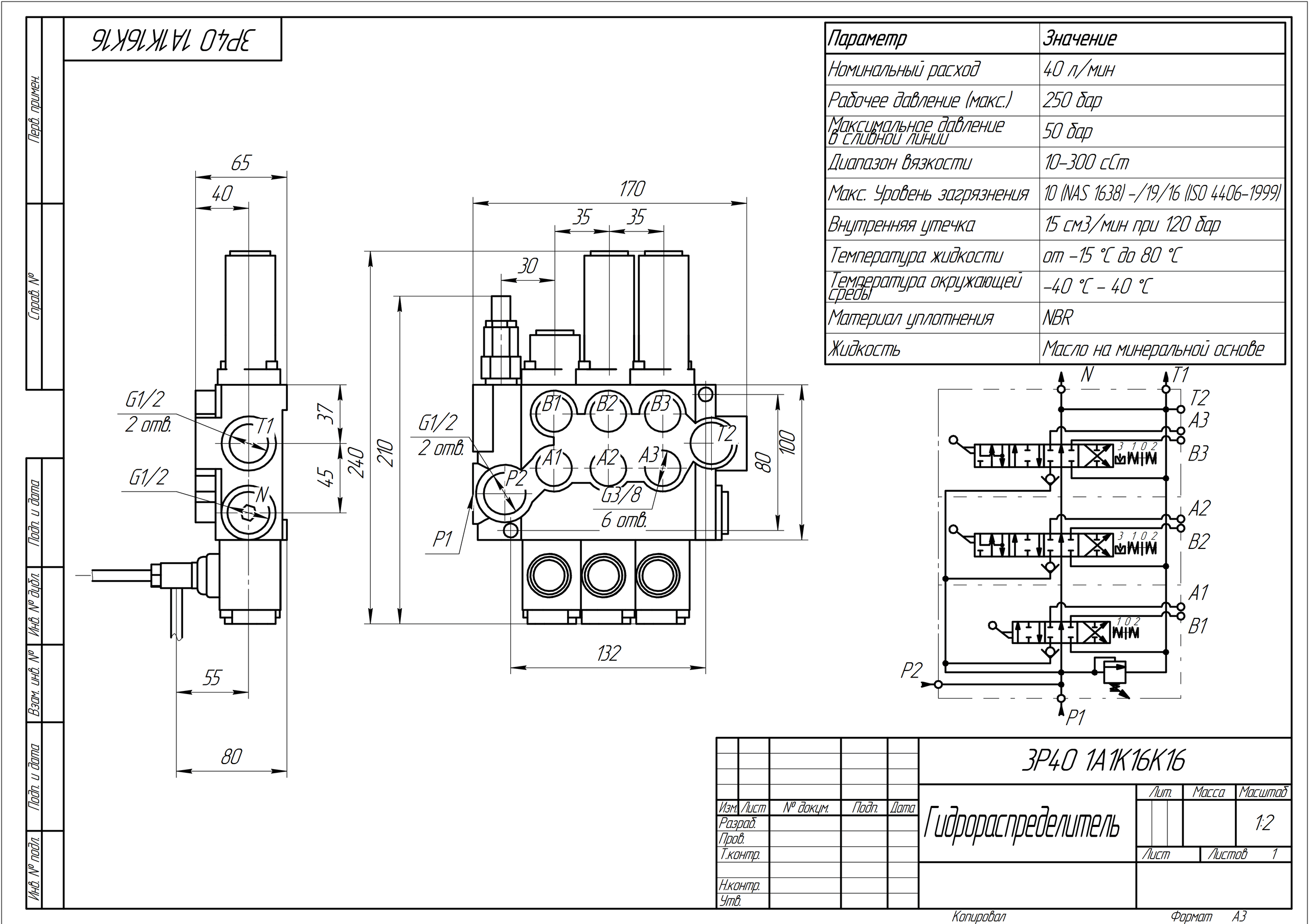
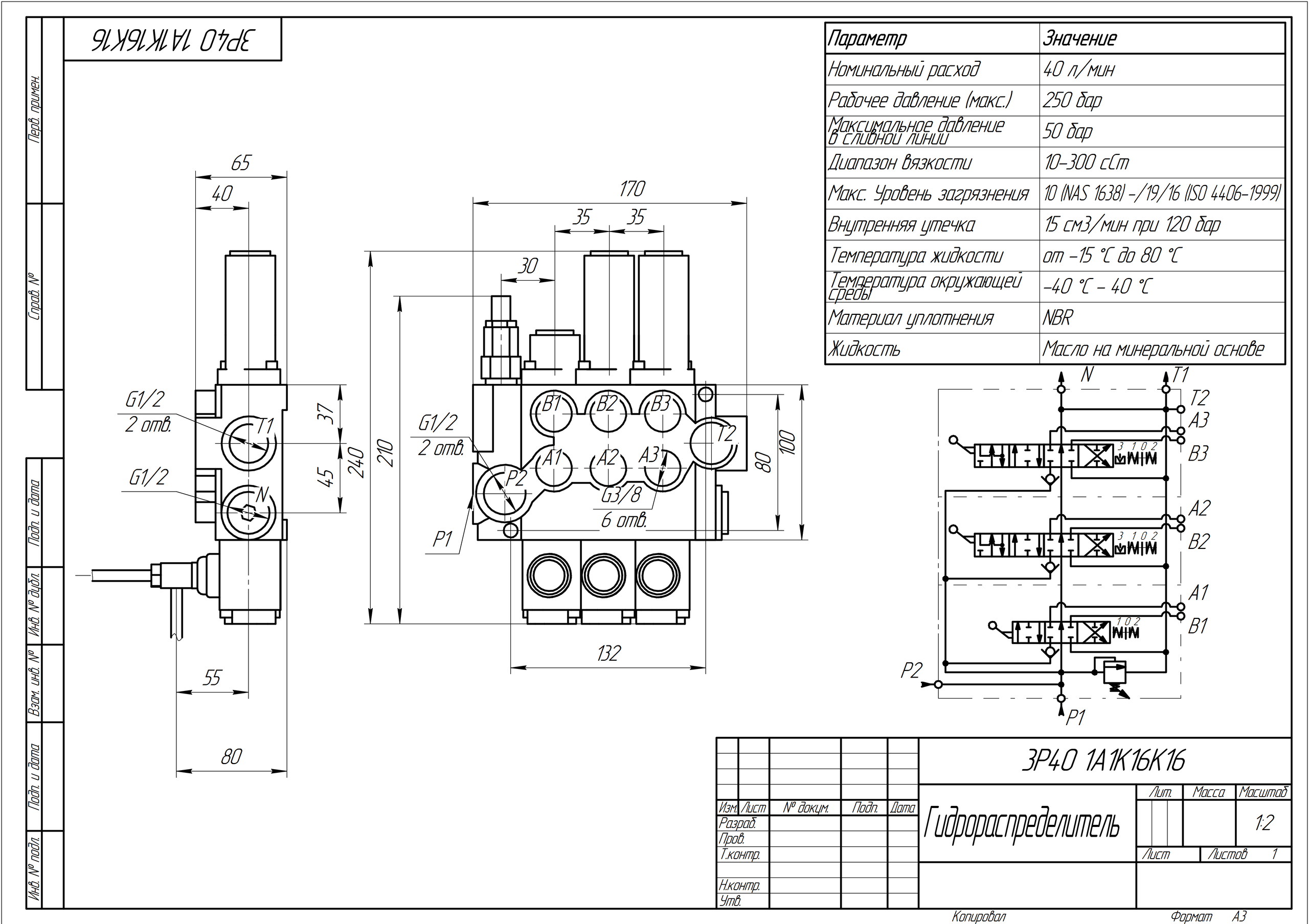
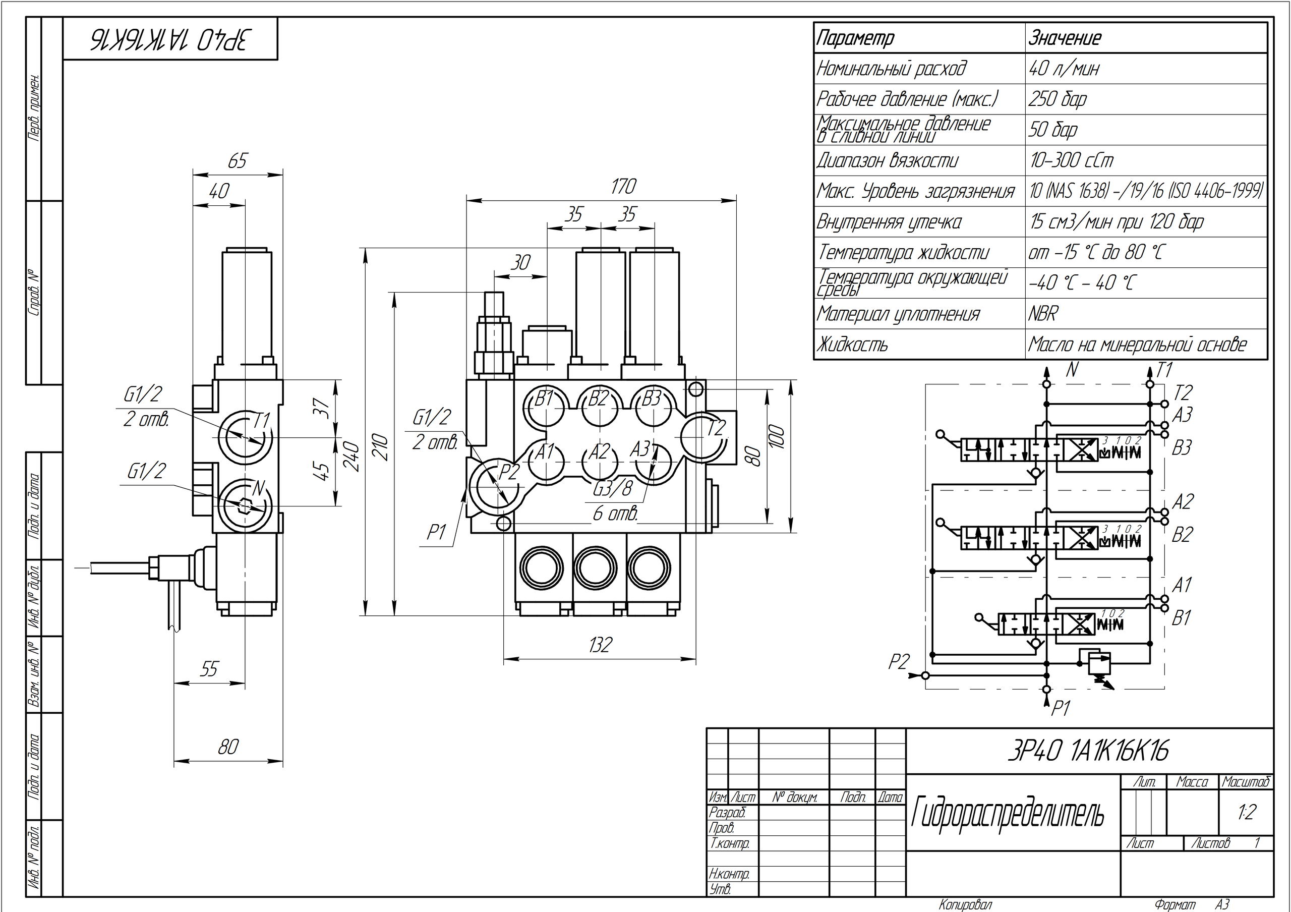
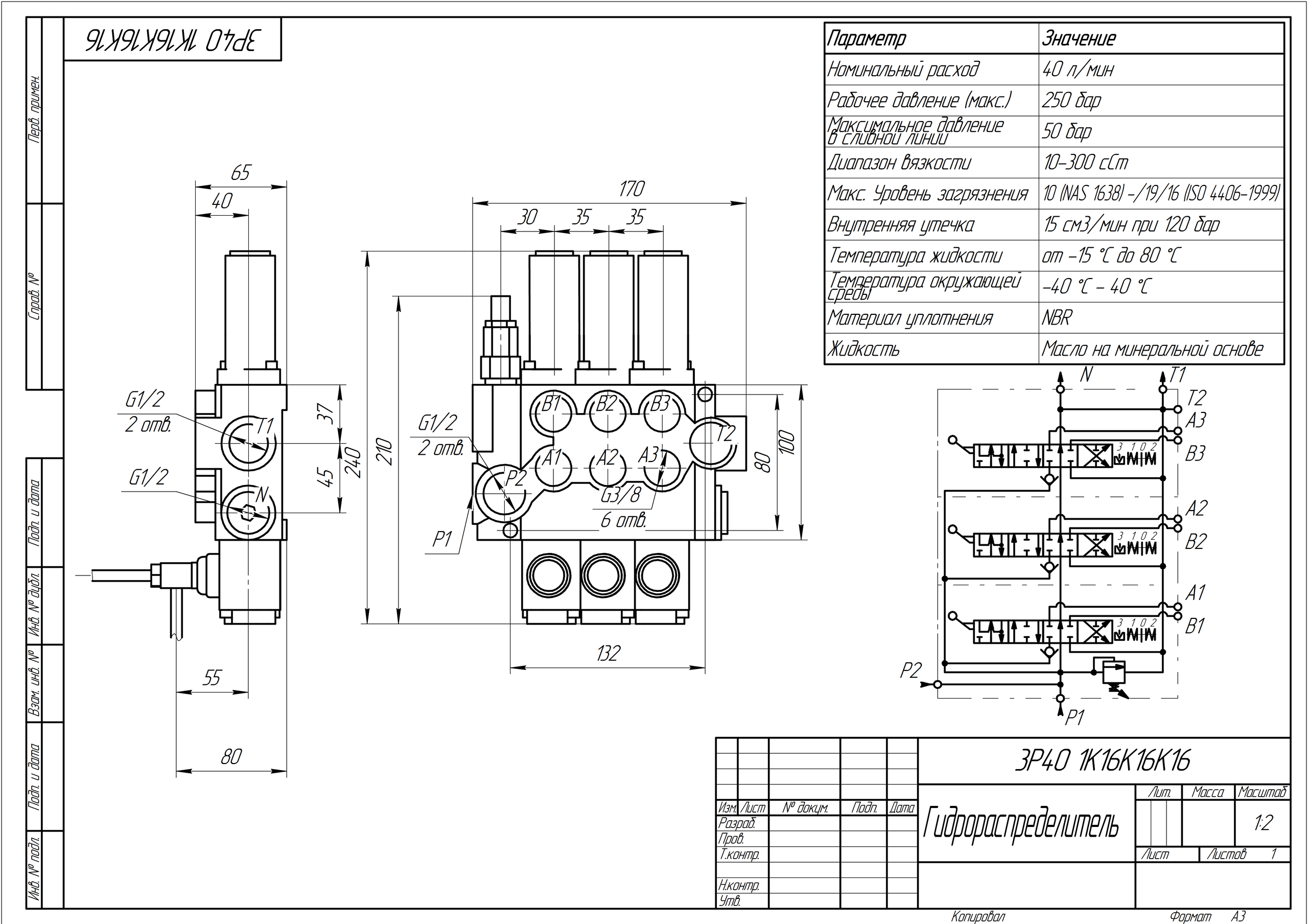
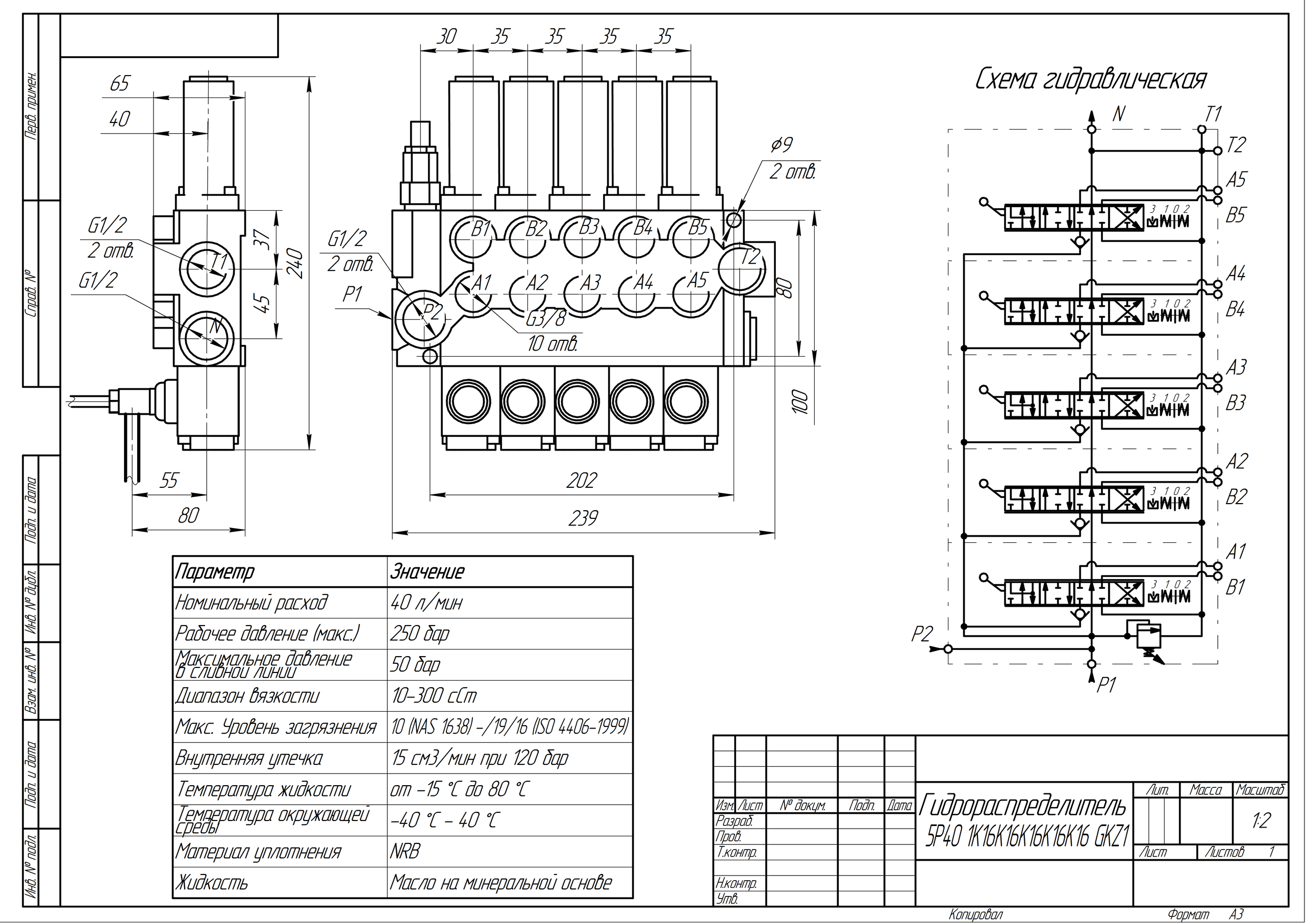
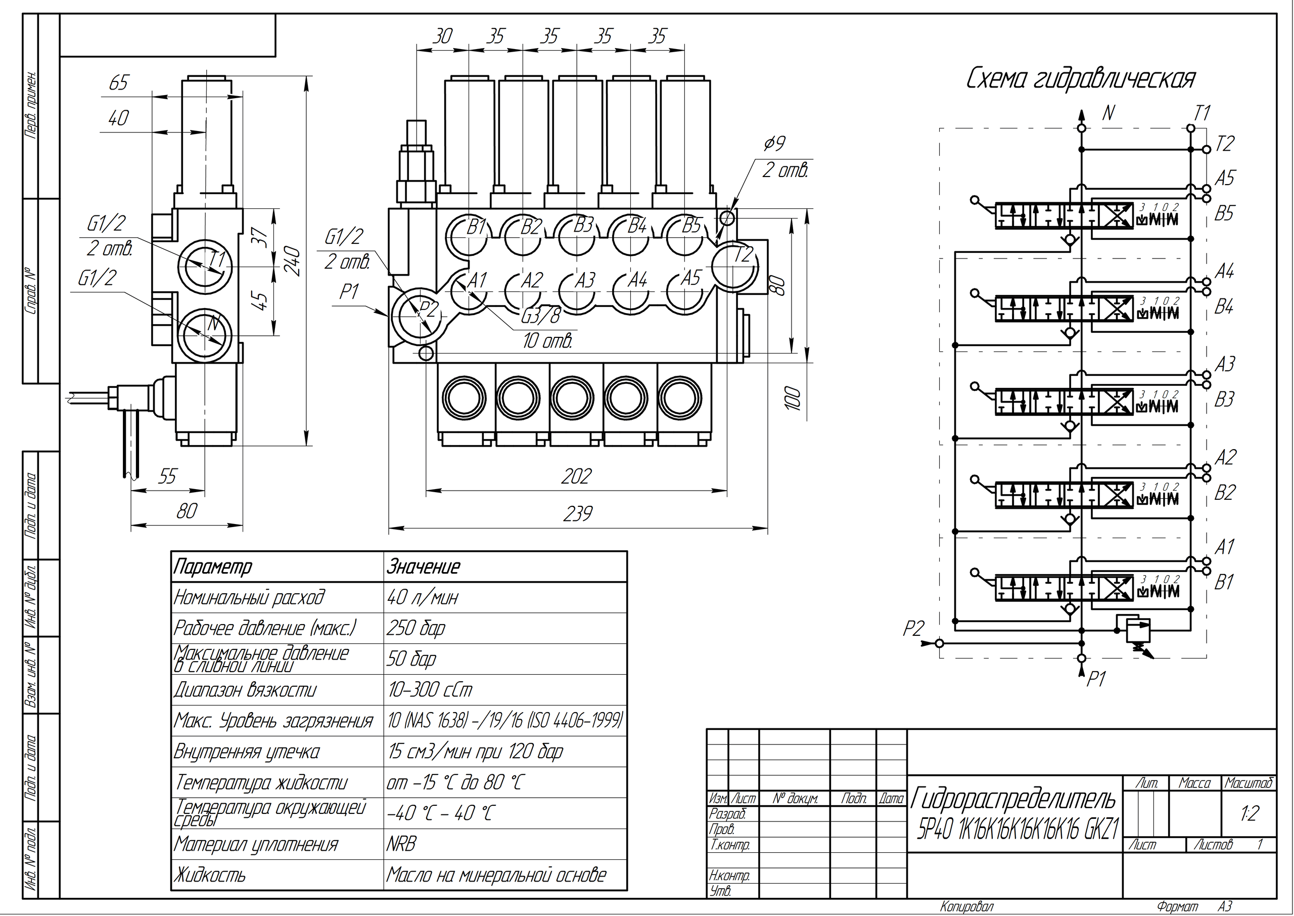
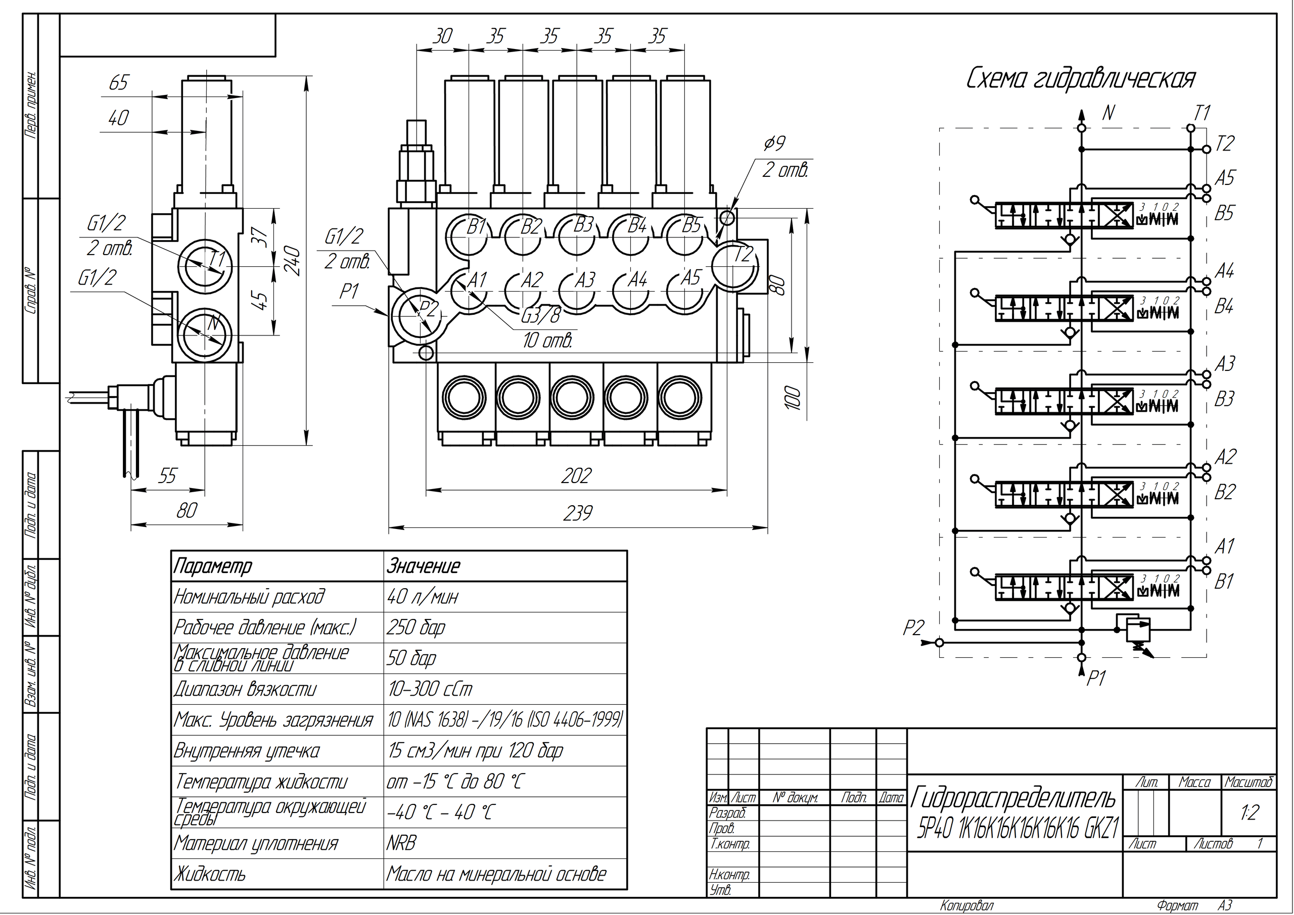
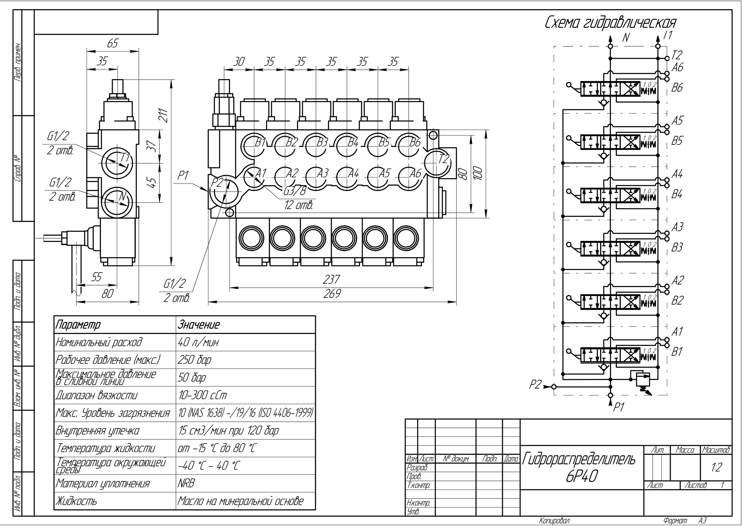
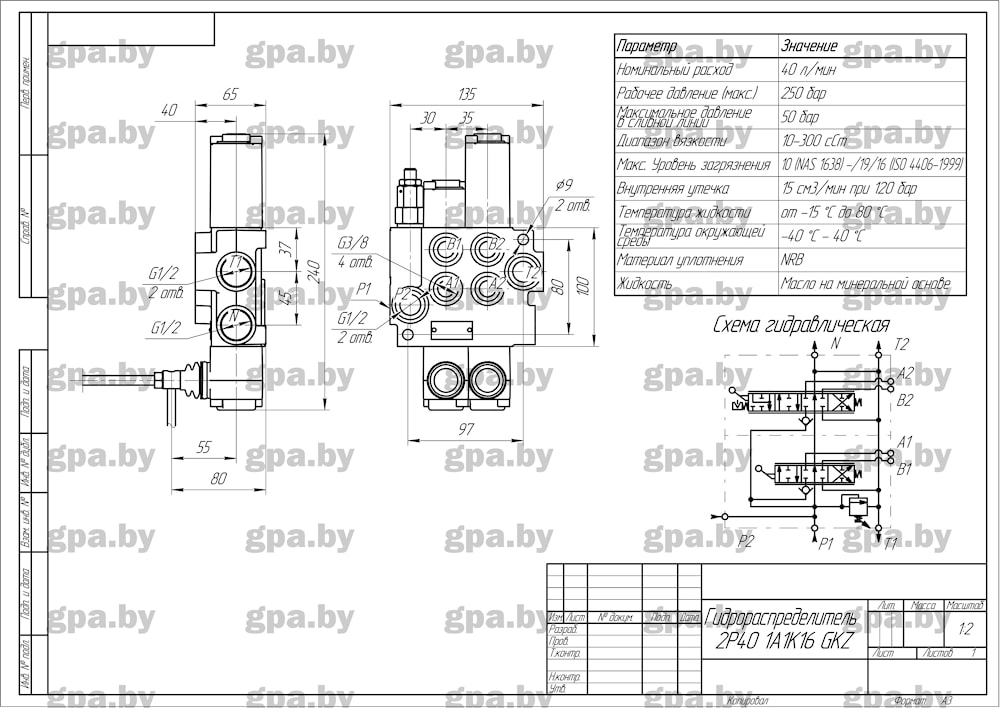
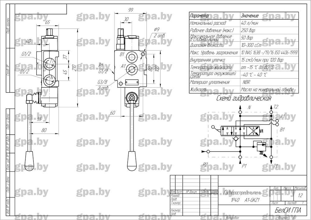
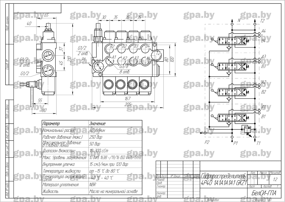
Габаритные и присоединительные размеры представлены ниже:
1P40 A1 GKZ1:

1Р40 K15 GKZ1:

1P40 K16 GKZ1:

1Р40A8 GKZ1:

2P40 1A1A1 GKZ1:

2Р40 1A1A8 GKZ1:

2P40 1A1K16 GKZ1:

2Р40 1K15K15 GKZ1:

2Р40 1K16K16 GKZ1:

3P40 1A1A1A1 GKZ1:

3Р40 1A1A1K16 GKZ1:

3Р40 1A1K16K16 GKZ1:

3Р40 1K16K16K16 GKZ1:

4P40 1A1A1A1A1 GKZ1:

5P40 1A1A1A1A1A1 GKZ1:

5P40 1K16K16K16K16K16 GKZ1:

6Р40 1A1A1A1A1A1A1-GKZ1 (c 2 джойстиками):

6P40 1A1A1A1A1A1A1 GKZ1:

7Р40 1А1A1A1A1A1A1A1 GKZ1:

Ещё из раздела моноблочные гидрораспределители

