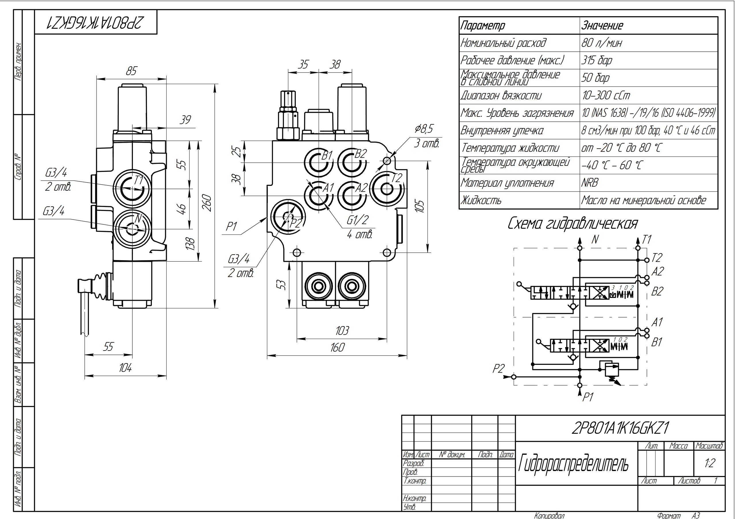
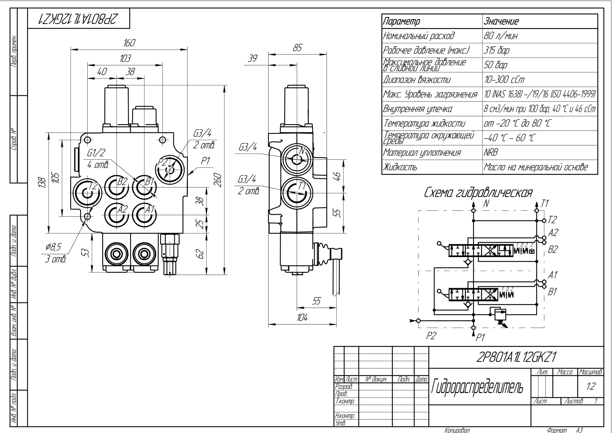
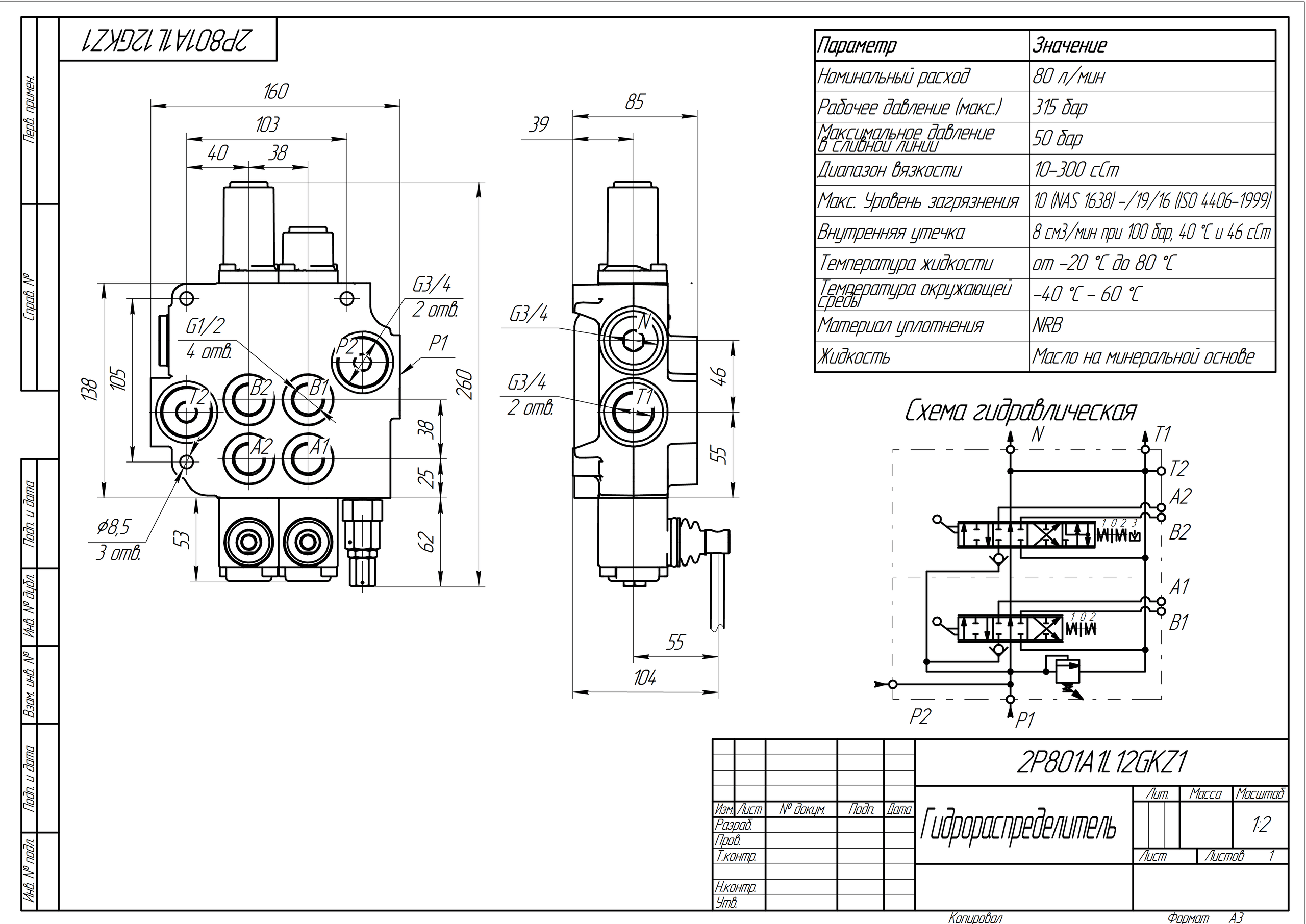
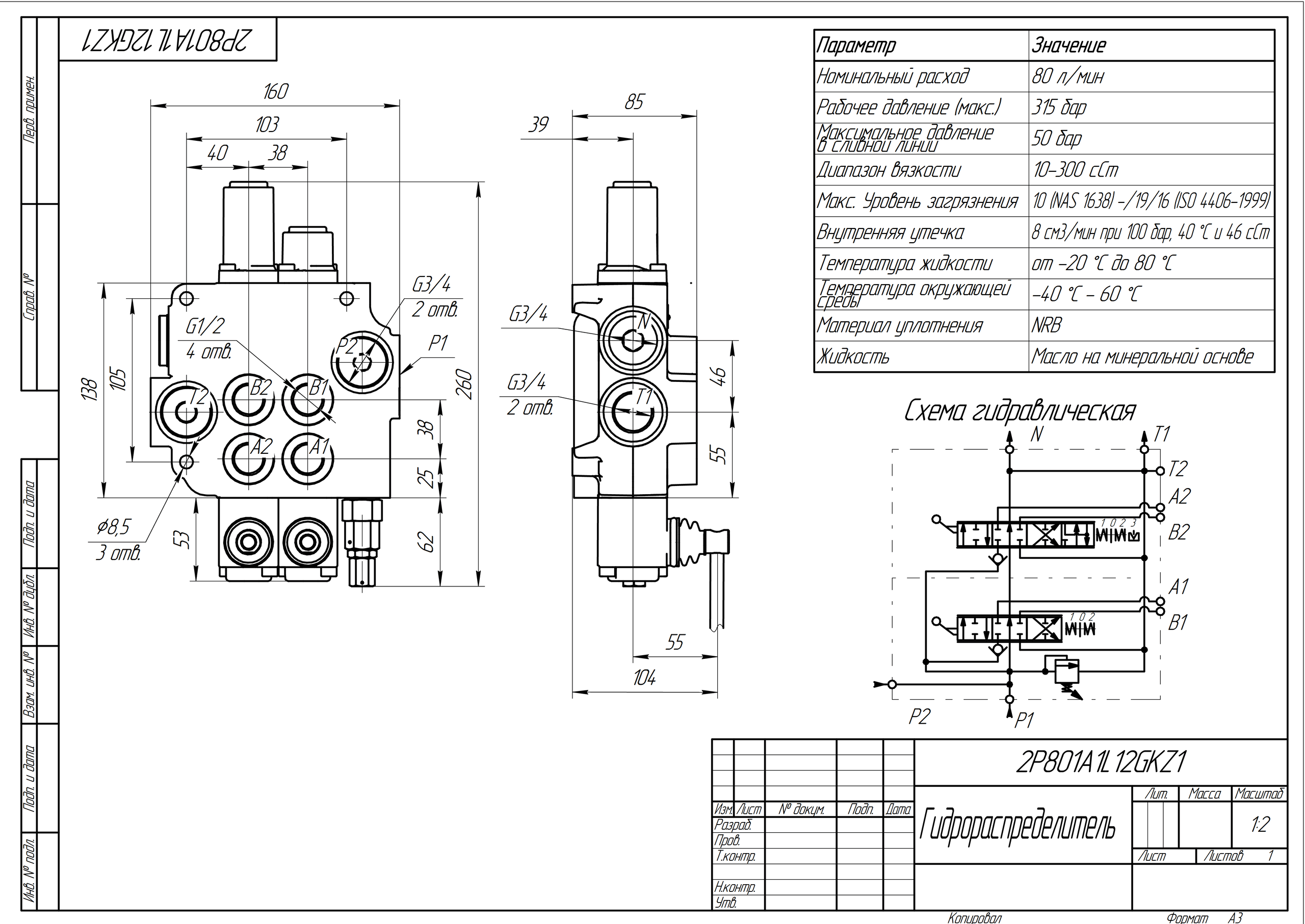
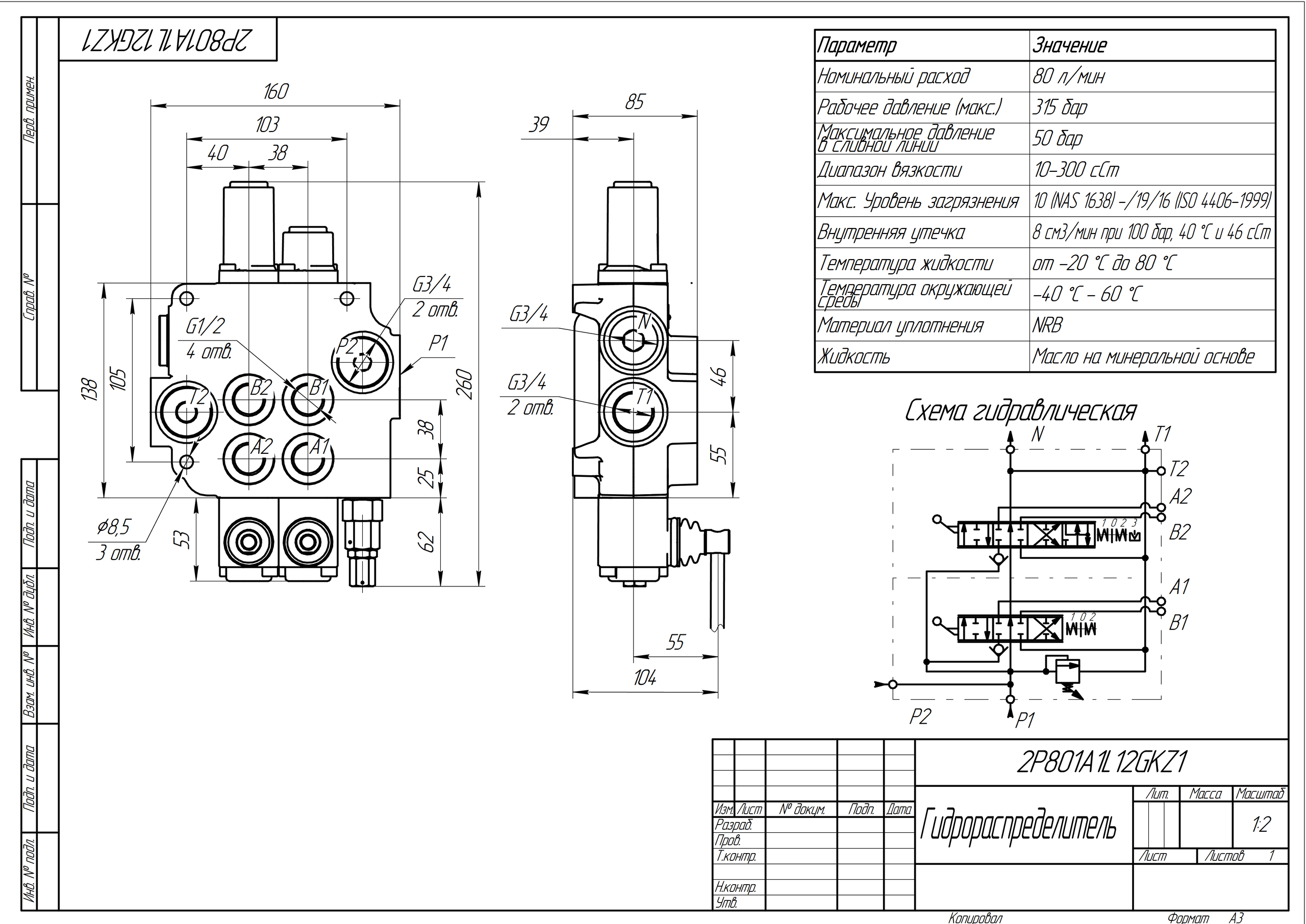
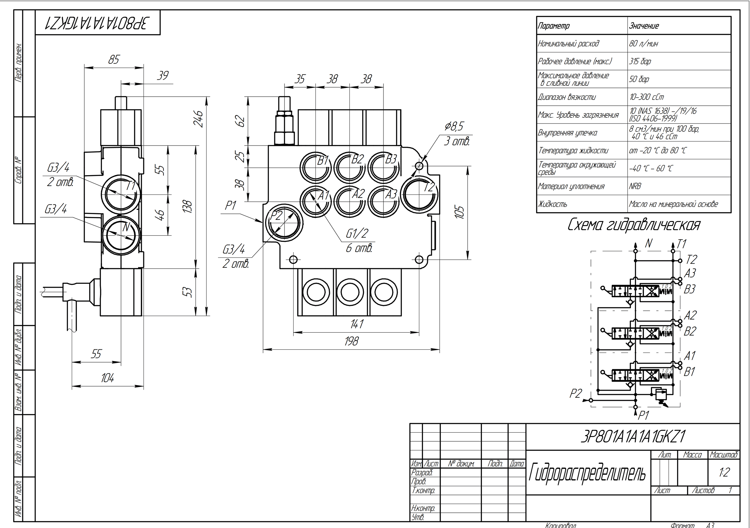
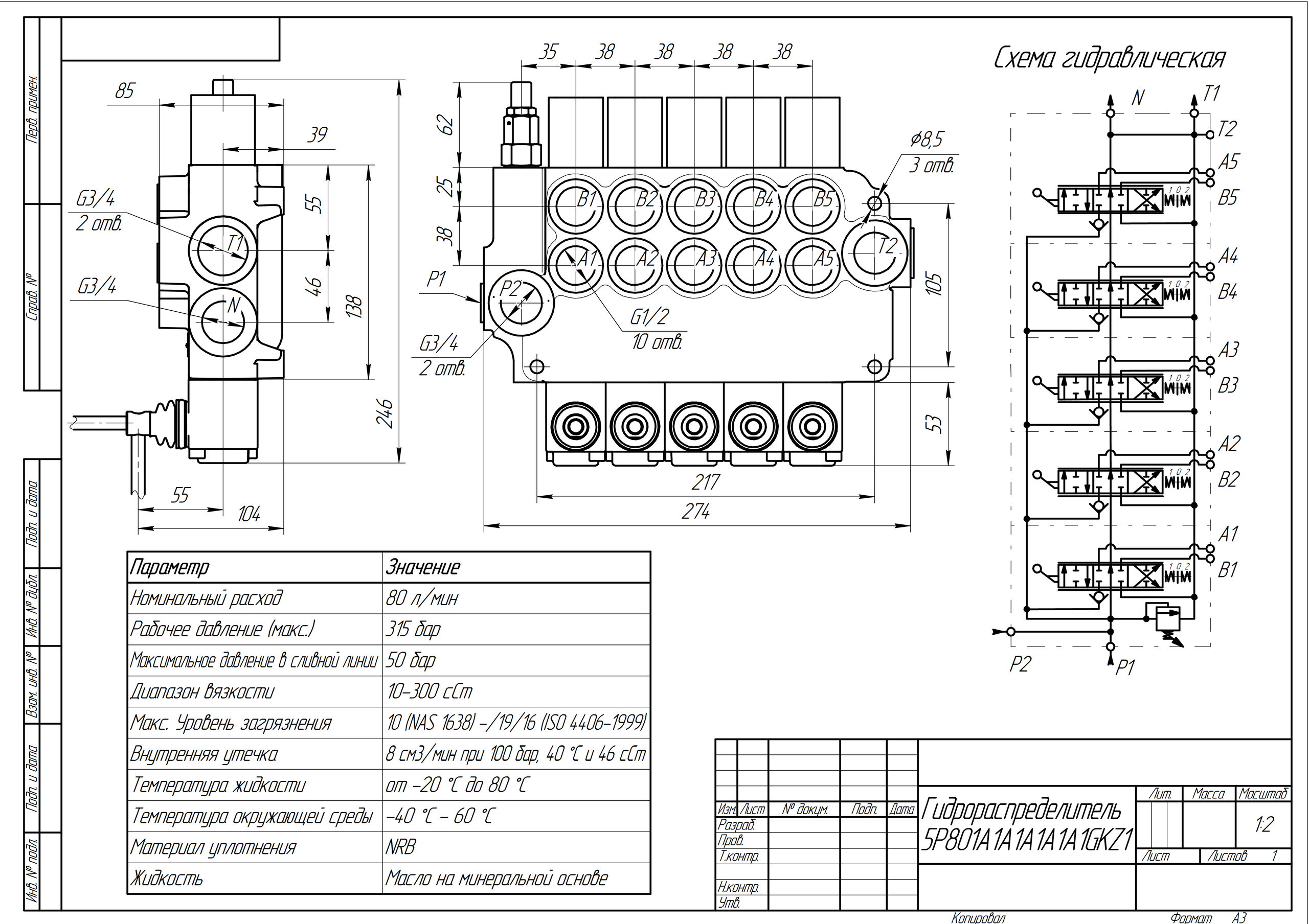
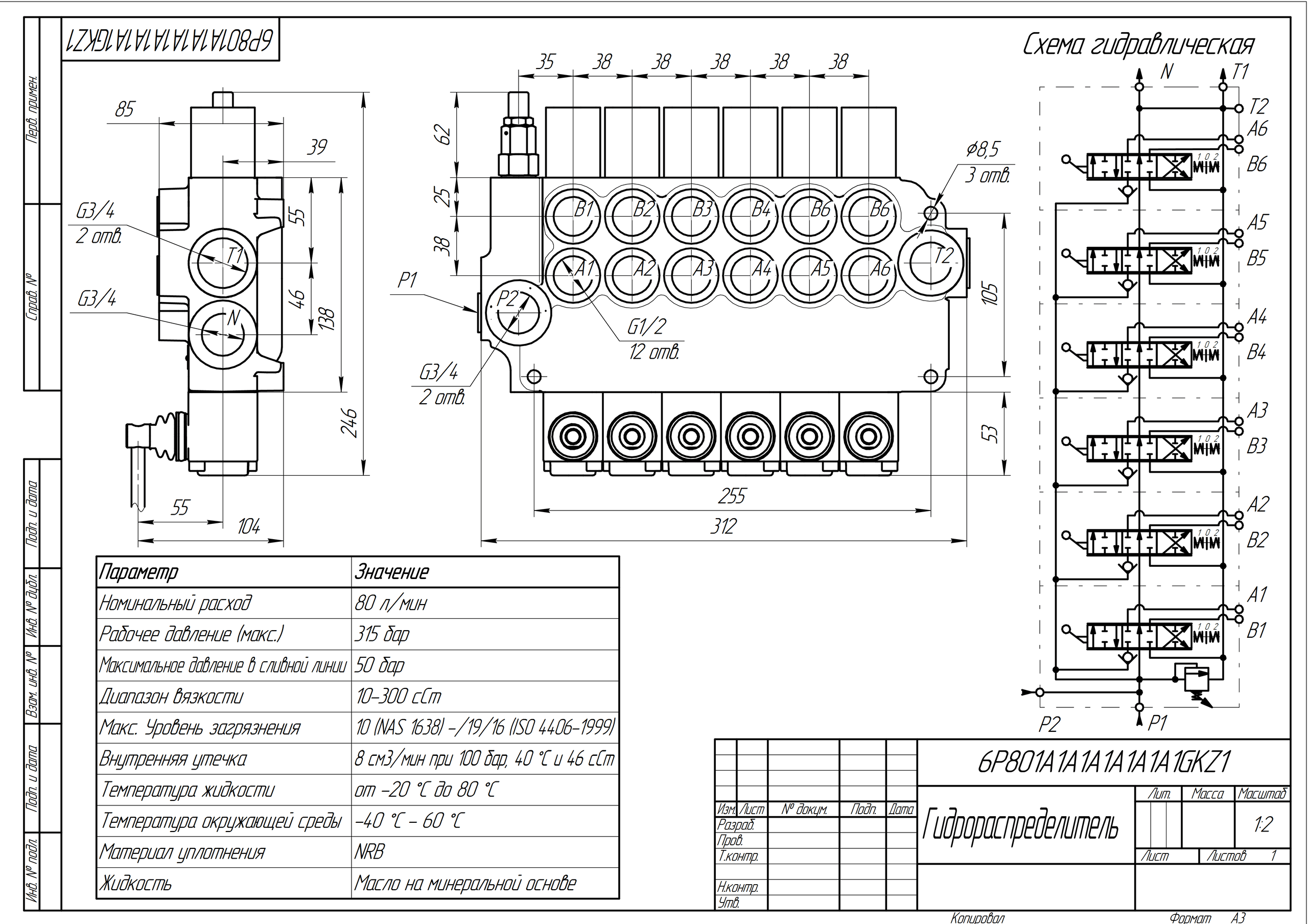
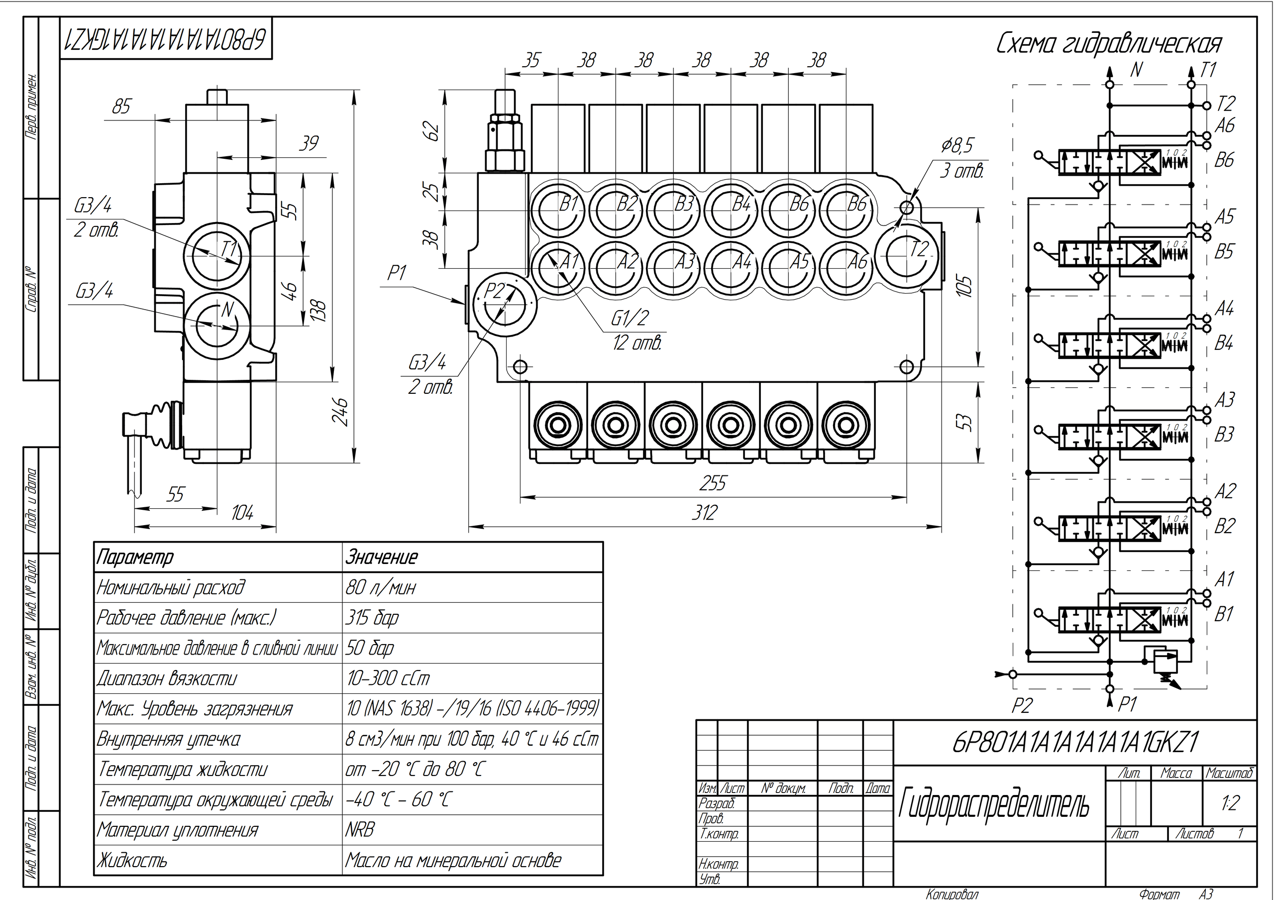
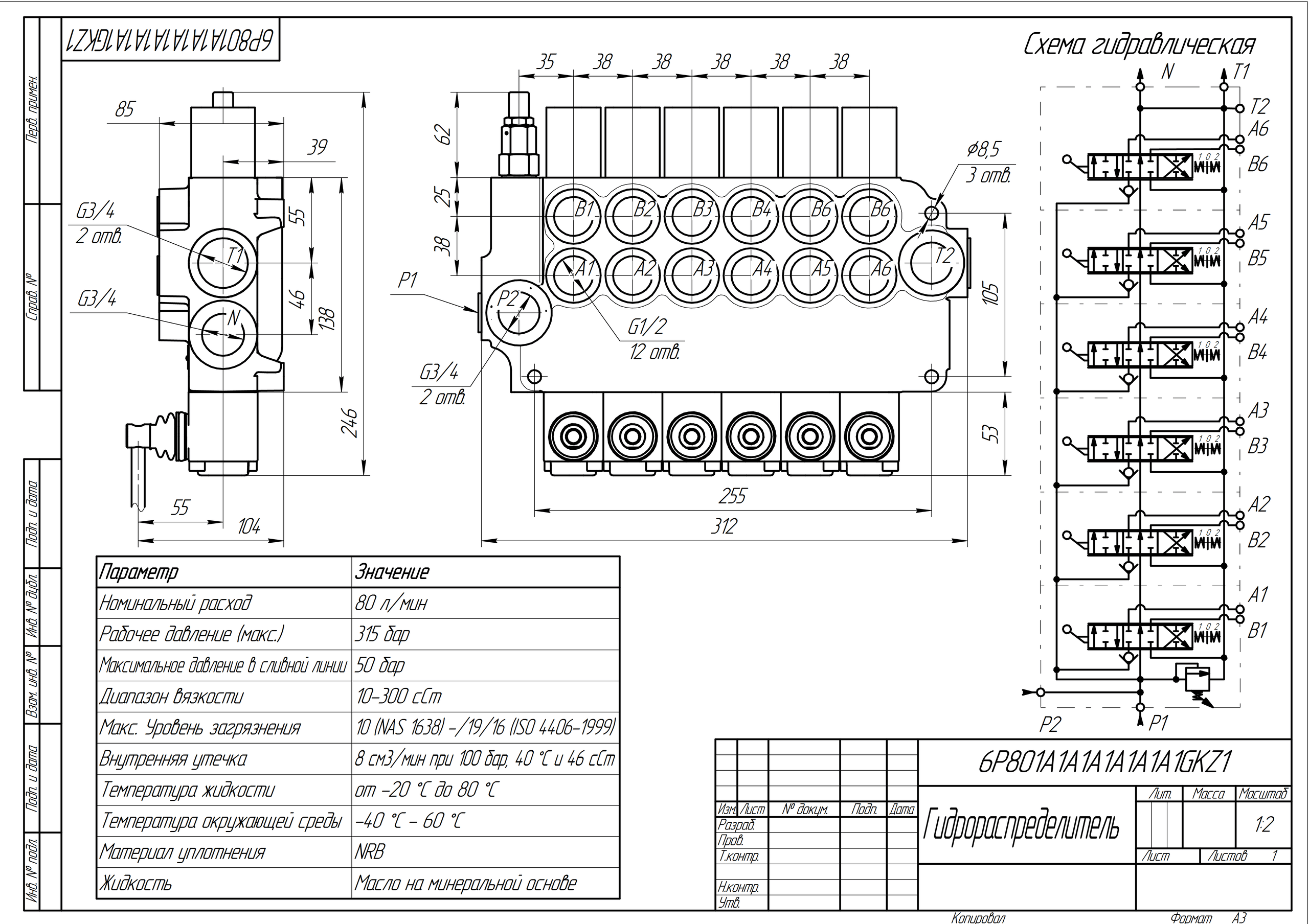
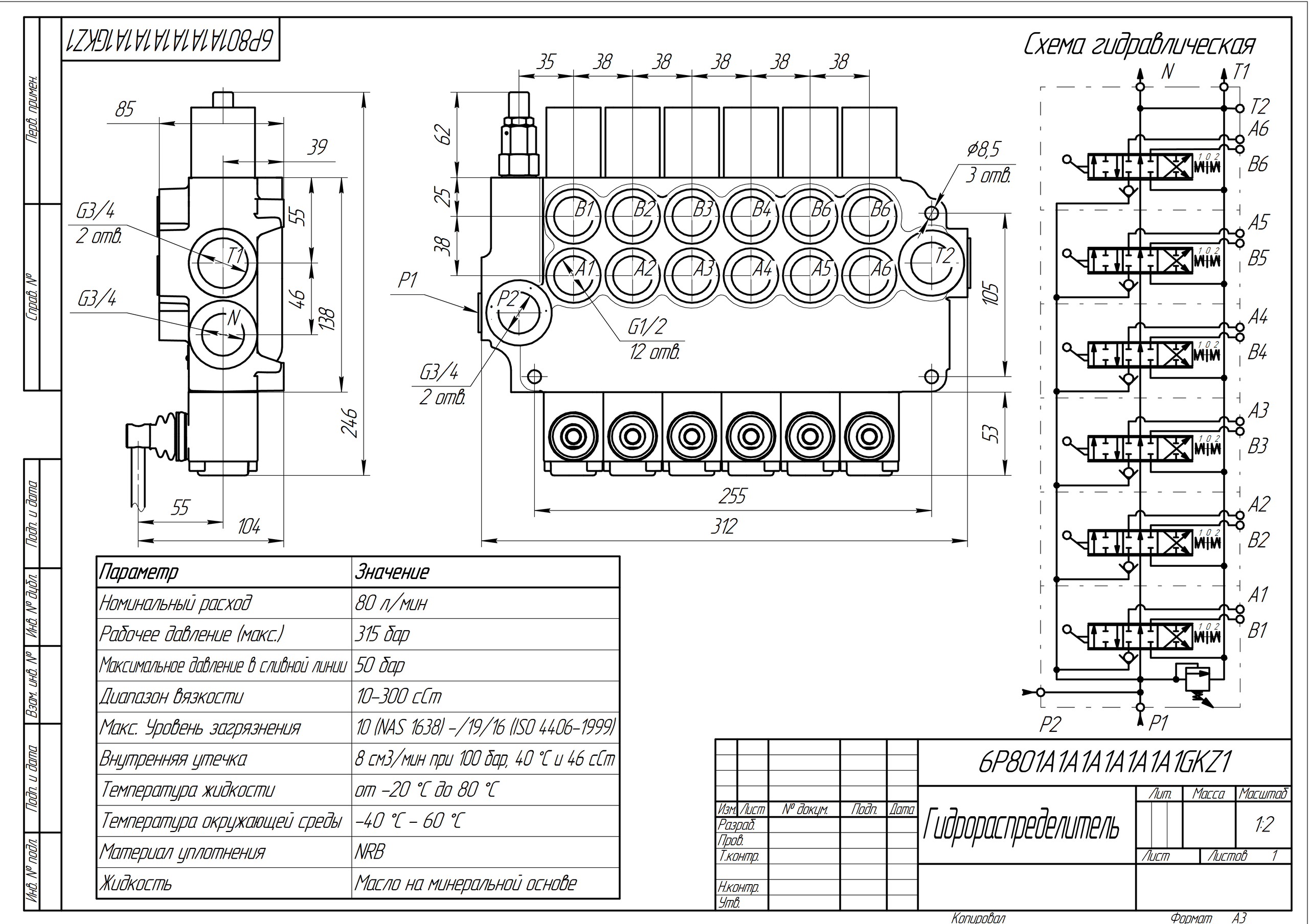
Гидрораспределители с ручным управлением моноблочные типа Р80 (Китай) 80л/мин, 315 бар 1-6 золотников
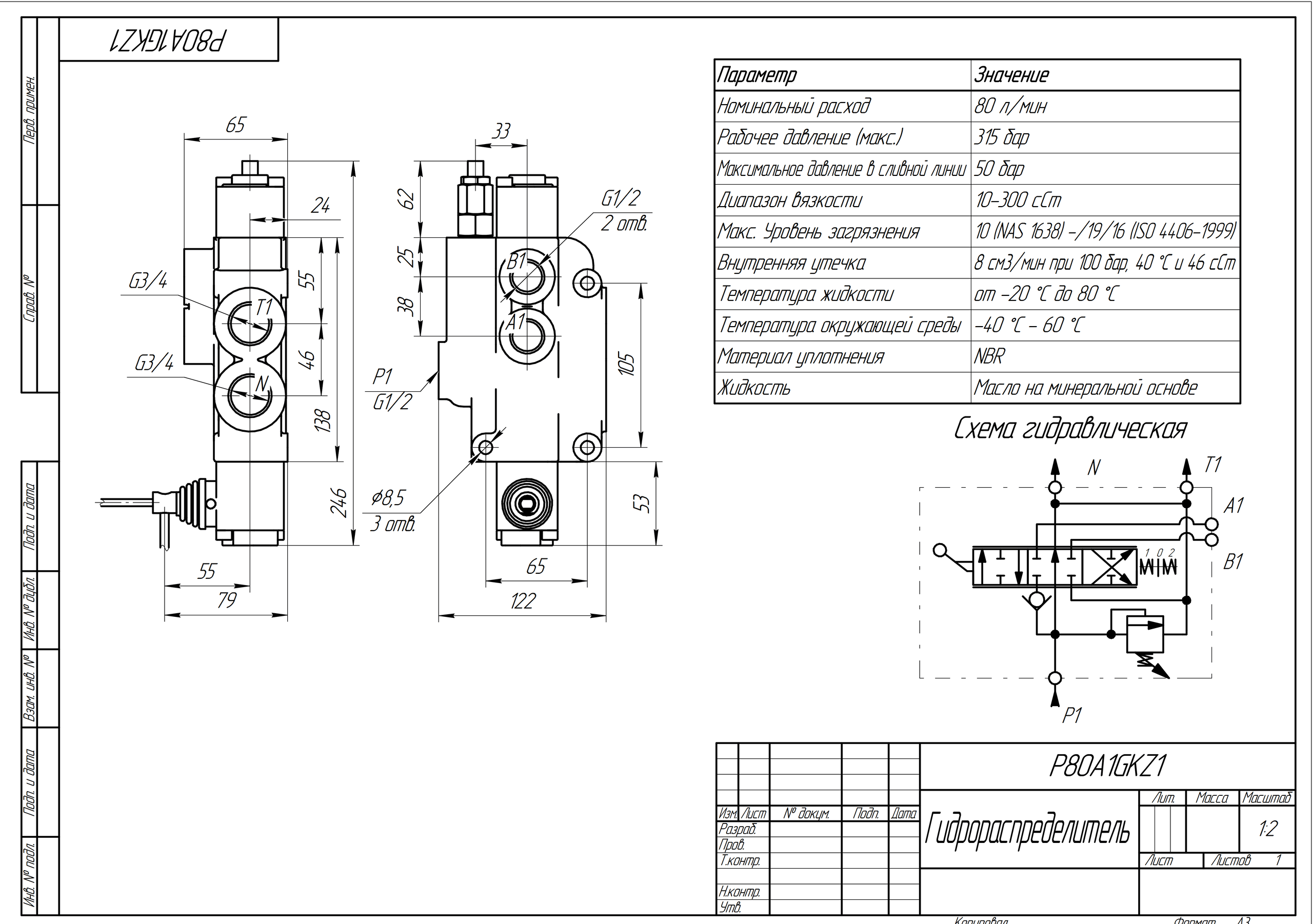
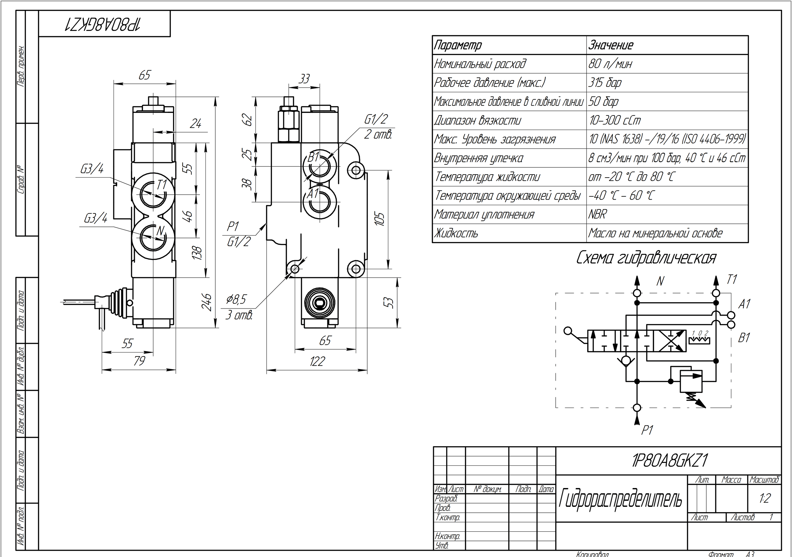
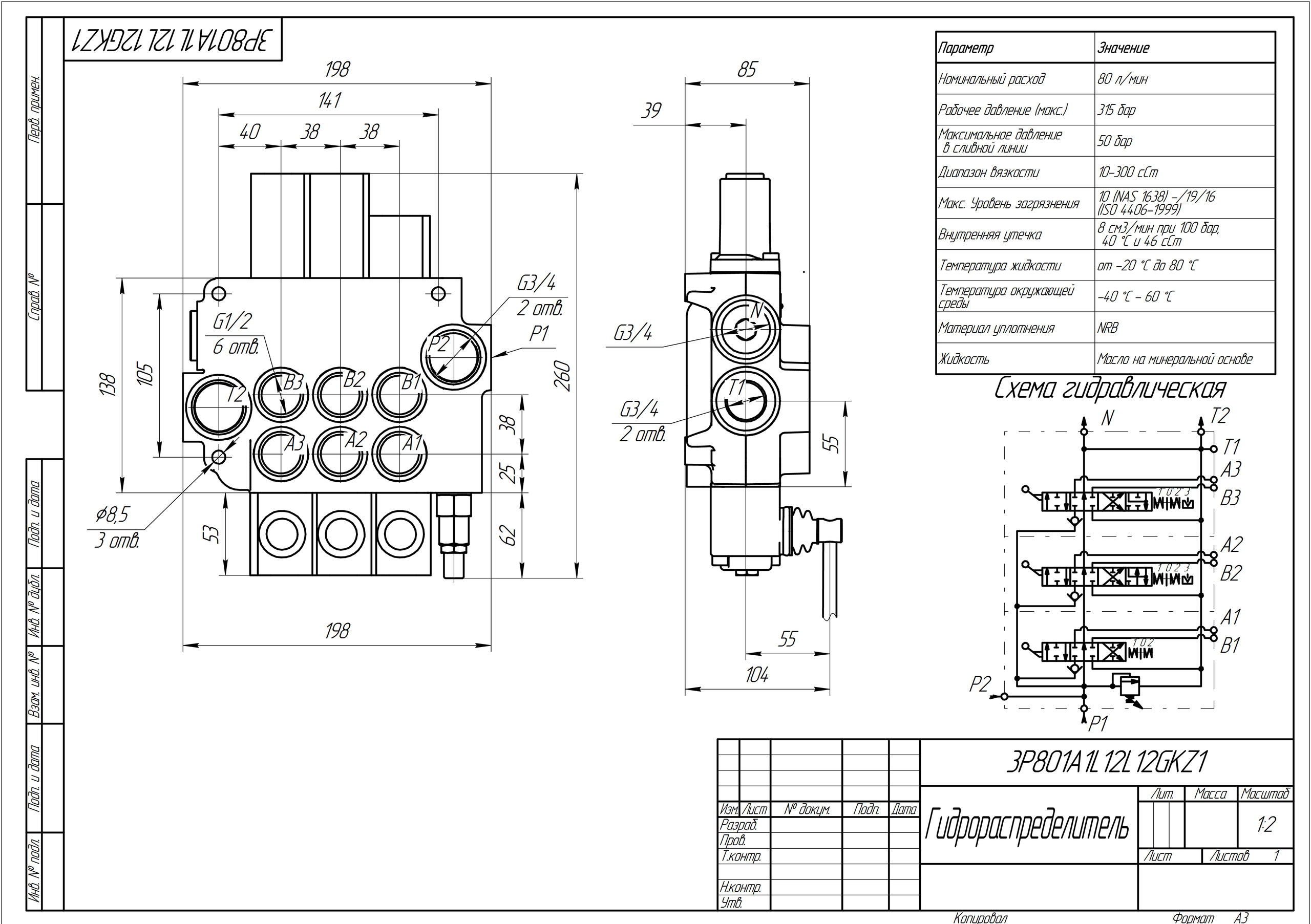
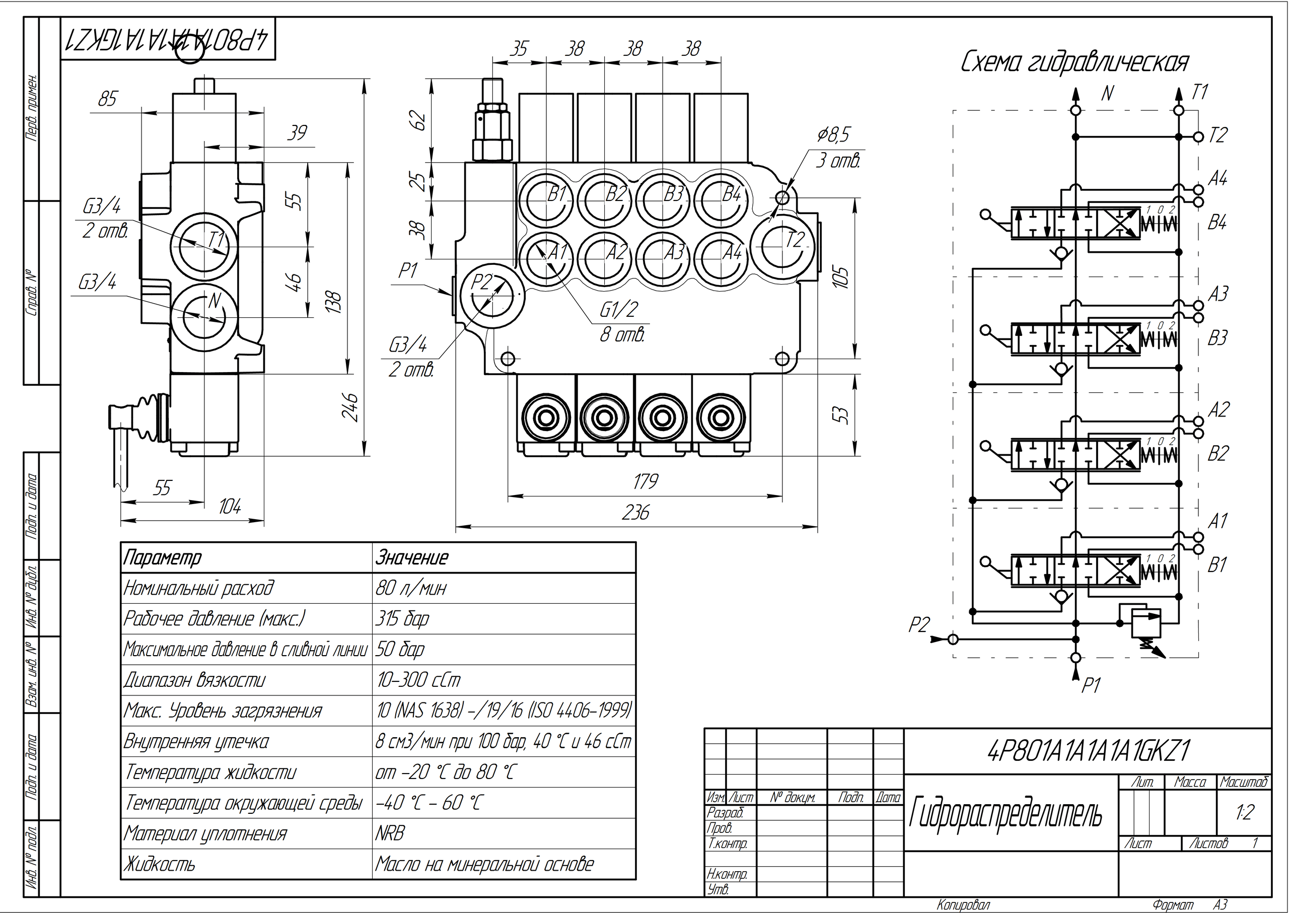
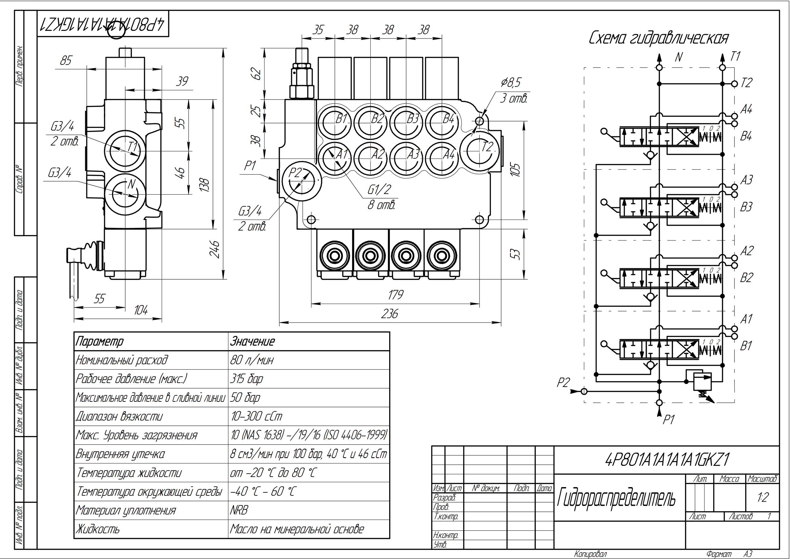
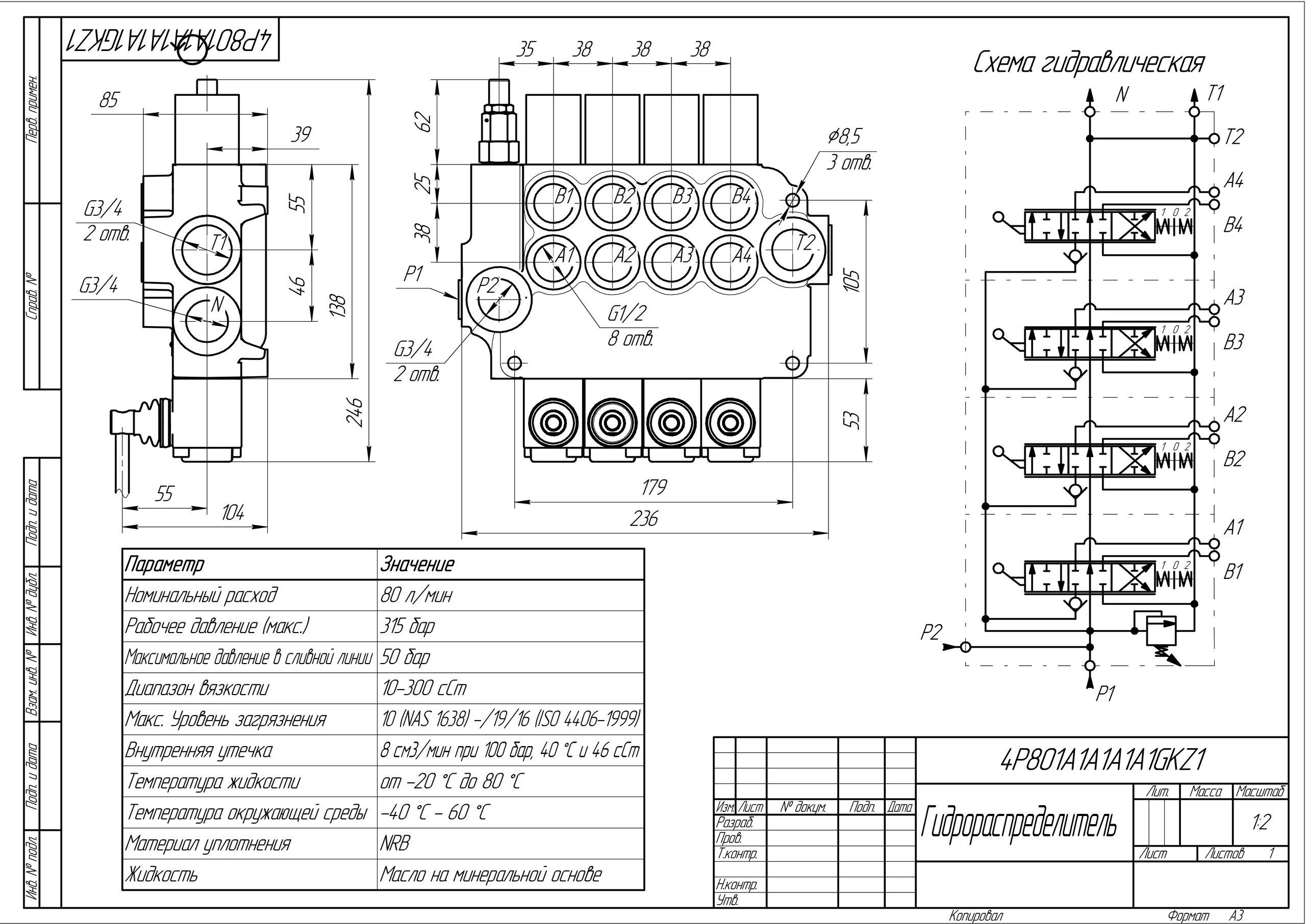
Гидрораспределители ручного управления типа Р80 представляют собой ключевые элементы гидравлических приводов, отвечающие за изменение направления потока рабочей жидкости. Помимо этого, они выполняют функции ограничения давления в гидролиниях и разгрузки насоса при нахождении золотников в нейтральной позиции.
Конструкция этих распределителей является моноблочной. Это означает, что все основные рабочие элементы – параллельно расположенные золотники и предохранительный клапан – интегрированы в единый литой корпус.
Сфера применения гидрораспределителей Р80 охватывает широкий спектр машин. Они успешно используются в гидроприводах сельскохозяйственной техники, дорожных машин различного назначения, а также на экскаваторах и других машинах, где применяются шестеренчатые или аксиально-поршневые насосы.
Oсновные показатели:
| Конструктивное исполнение | моноблок |
| Крепление | 3 болта M8 |
| Присоединительные отверстия | внутренние резьбы |
| Температура окружающей среды | -40C…+60C |
| Рабочая жидкость | минеральное гидравлическое масло |
| Кинематическая вязкость | 10…800 mm²/s |
| рекомендуемая | 10...300 mm²/s |
| Температура рабочей жидкости | - 20C…+80C |
| Тонкость фильтрации | 10 по NAS1638 |
| Давление max. bar | P = 250 бар, A, B = 315 bar, Т=50 бар |
| Утечки | 18 cm³/min при 120 bar |
| Расход рабочей жидкости | 80 л/мин |
| Ход золотника | ± 7 mm |
| Усилие на ручке | < 200 N |
P80 A1:

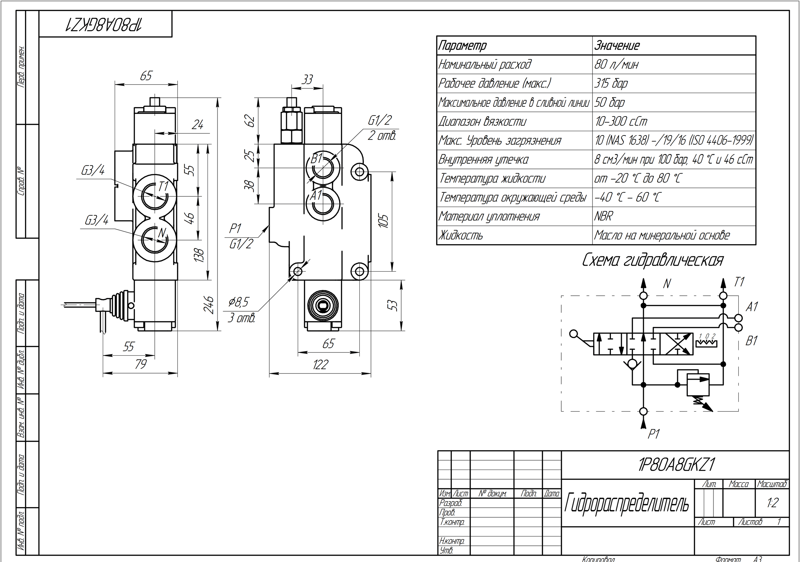
1Р80A8GKZ1:

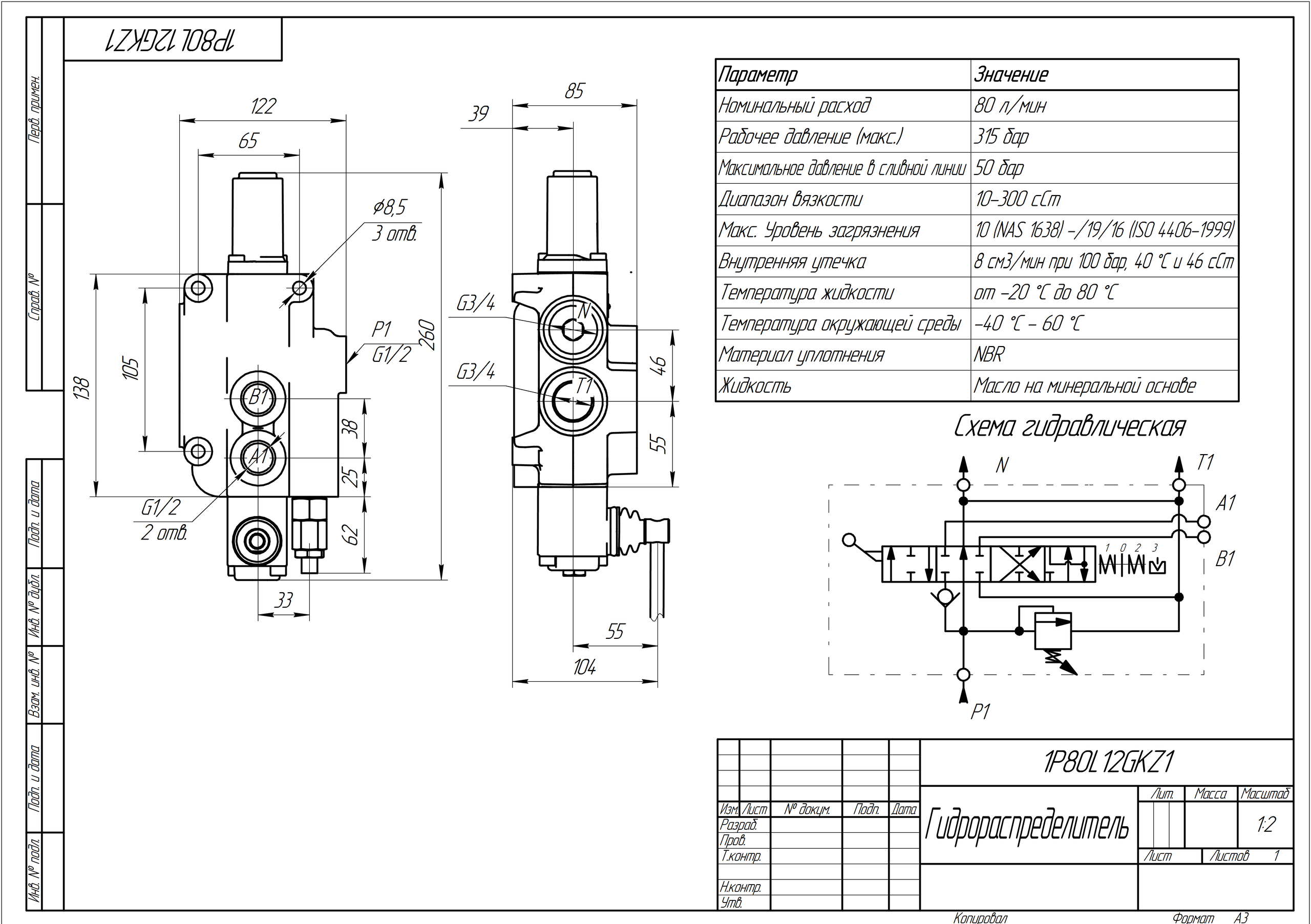
1Р80L12GKZ1:

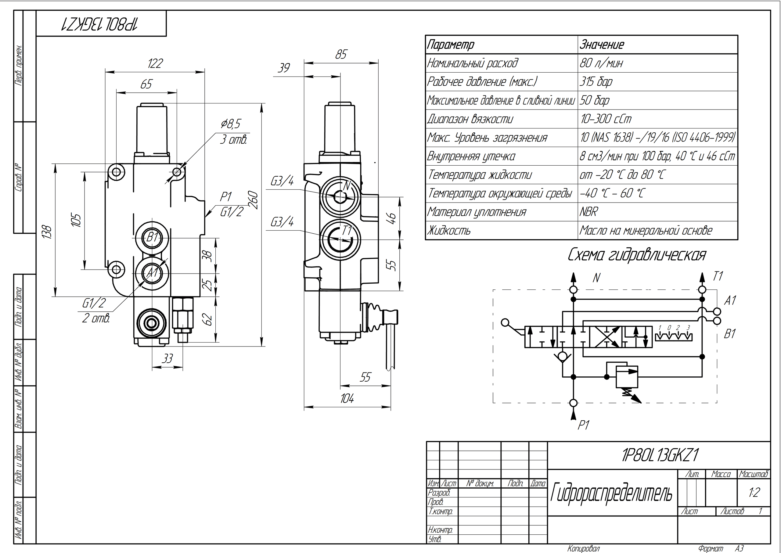
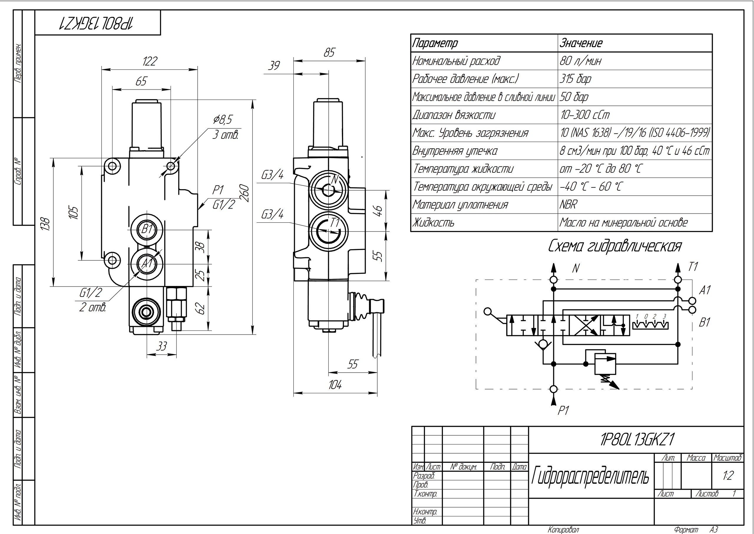
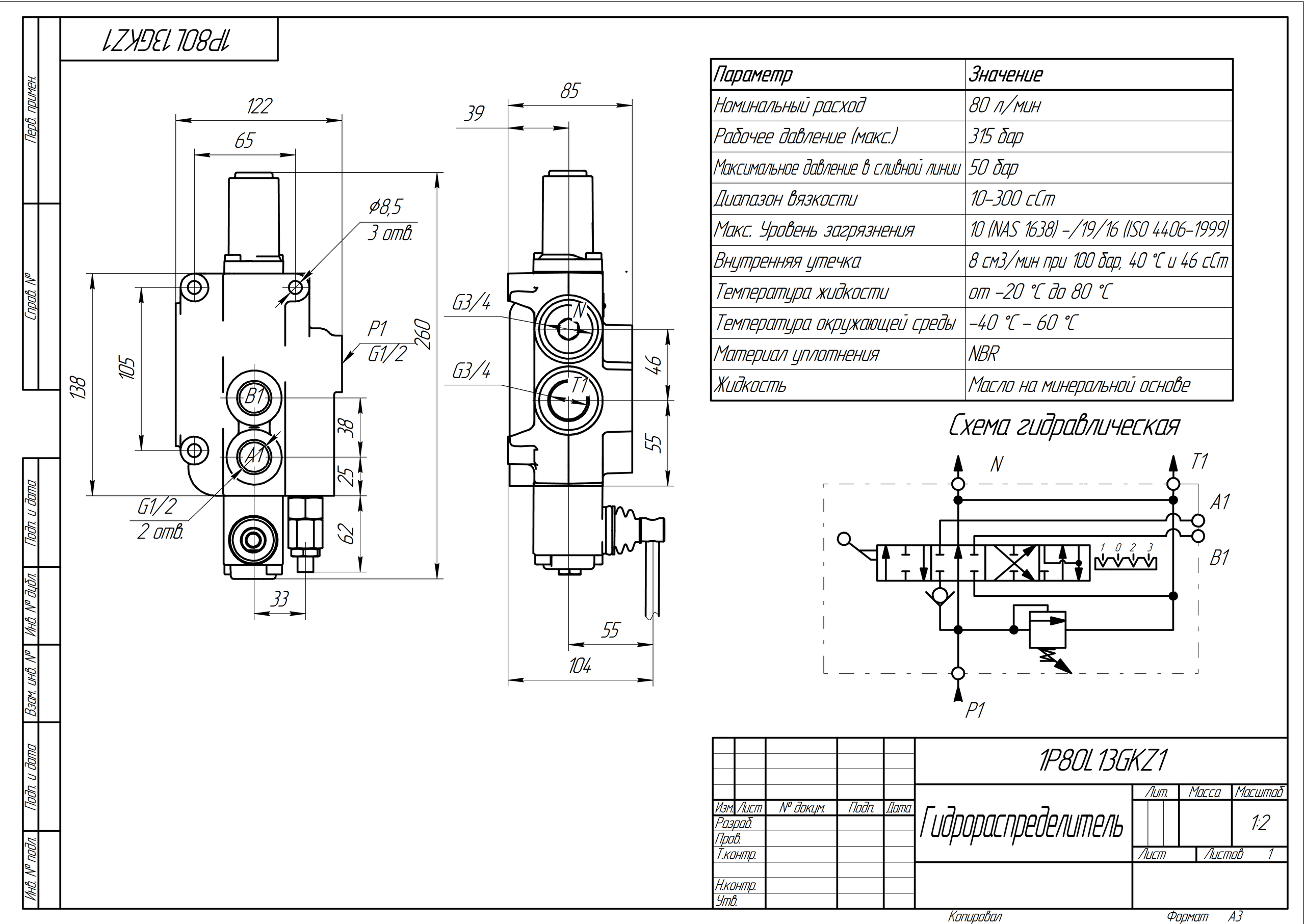
1Р80L13GKZ1:

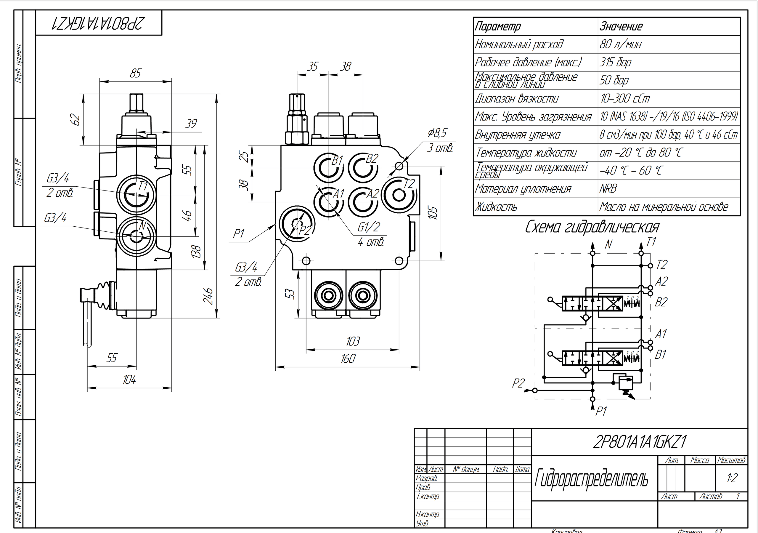
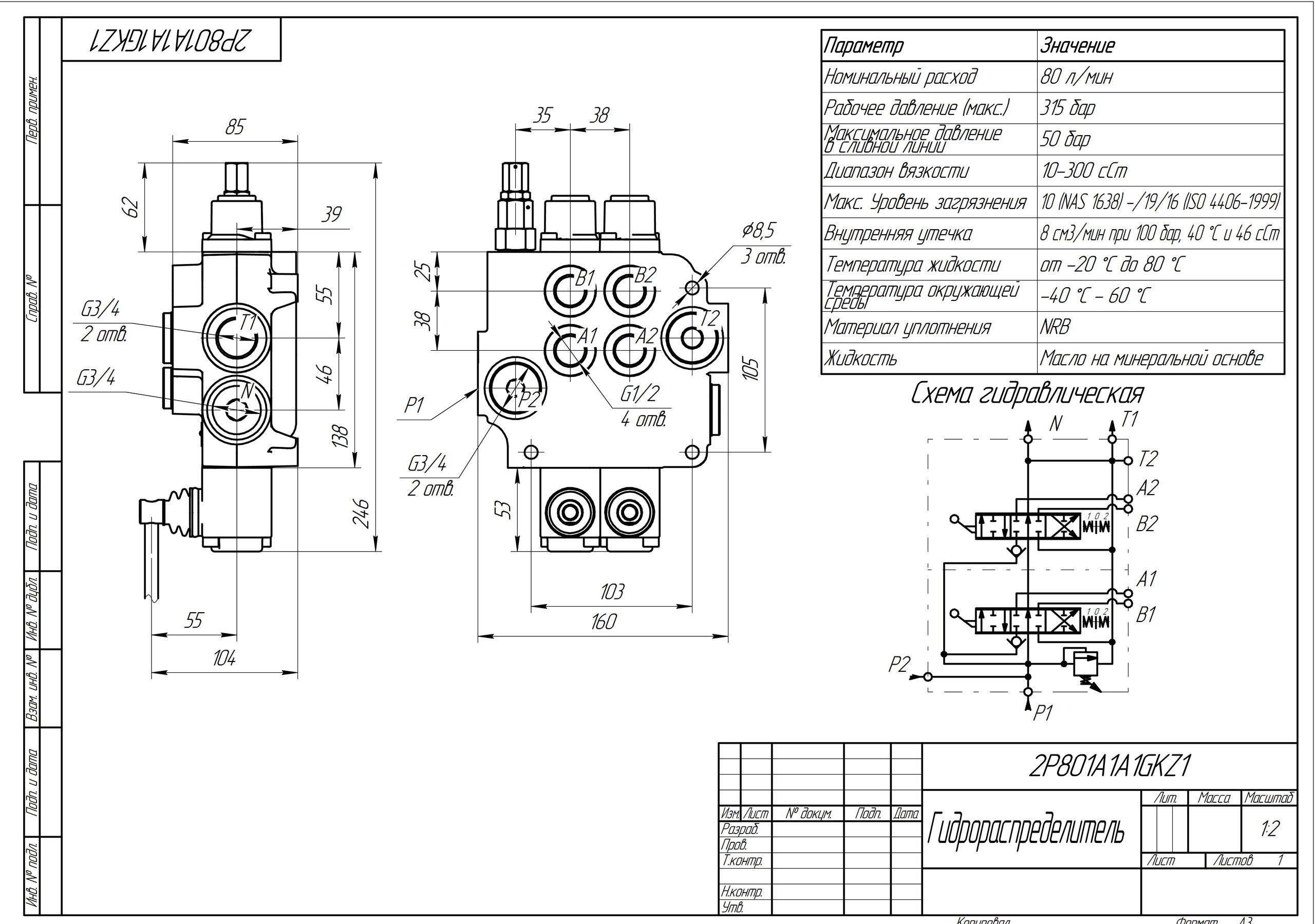
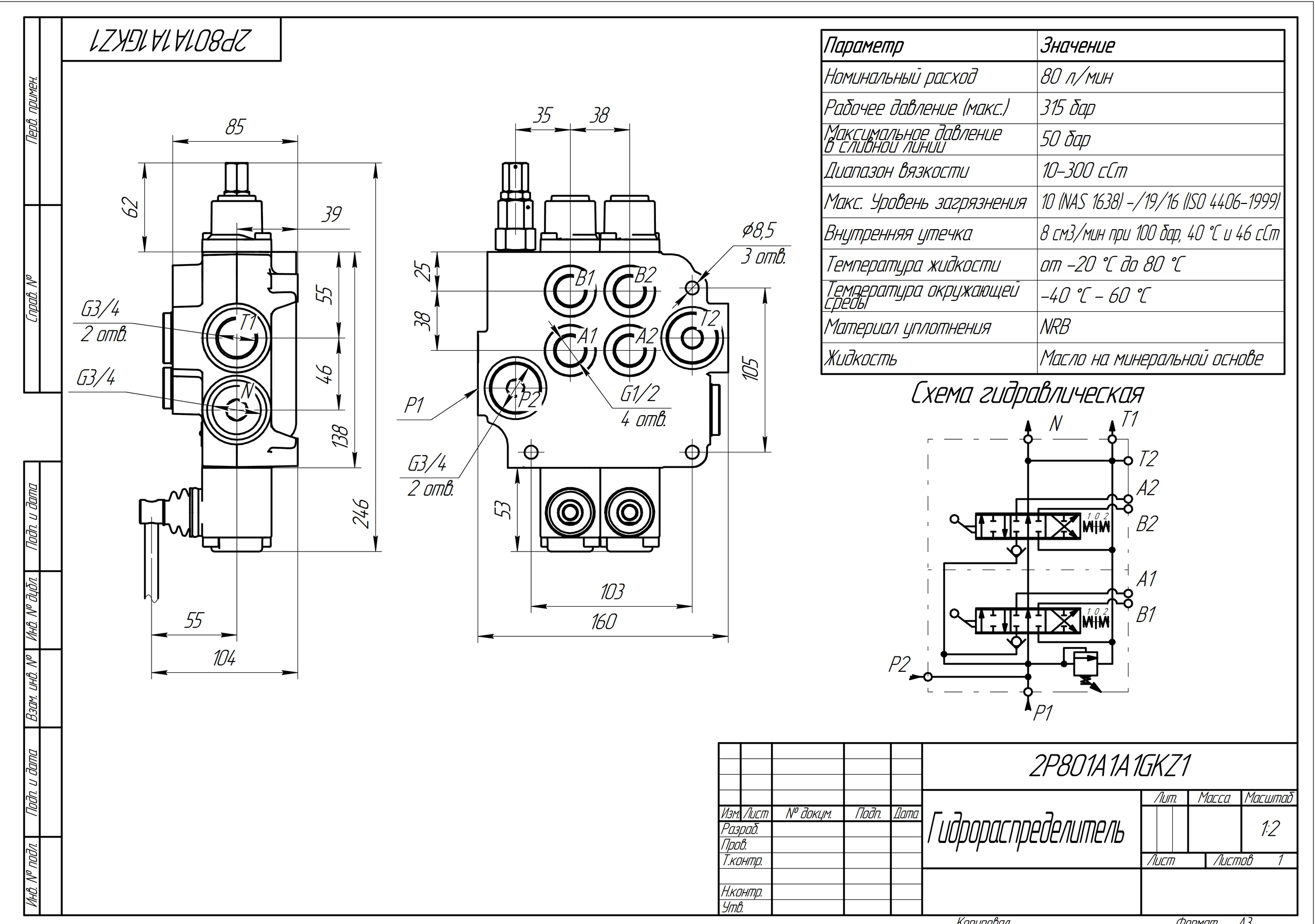
2P80 1A1A1:

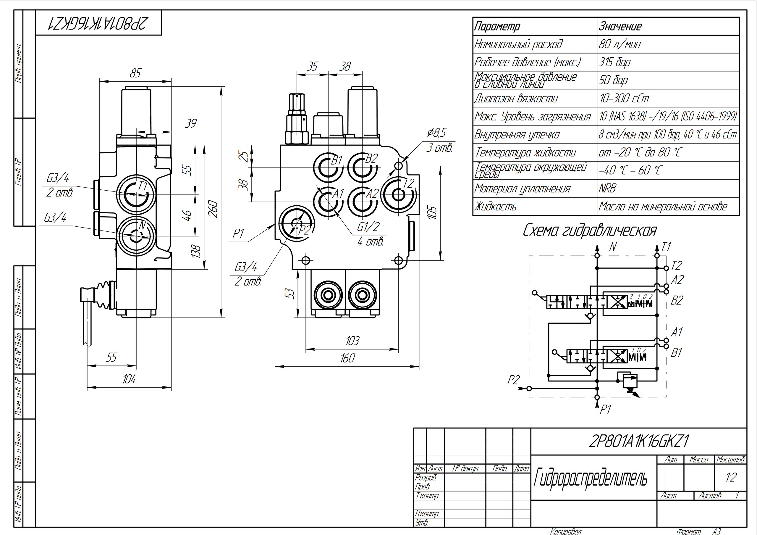
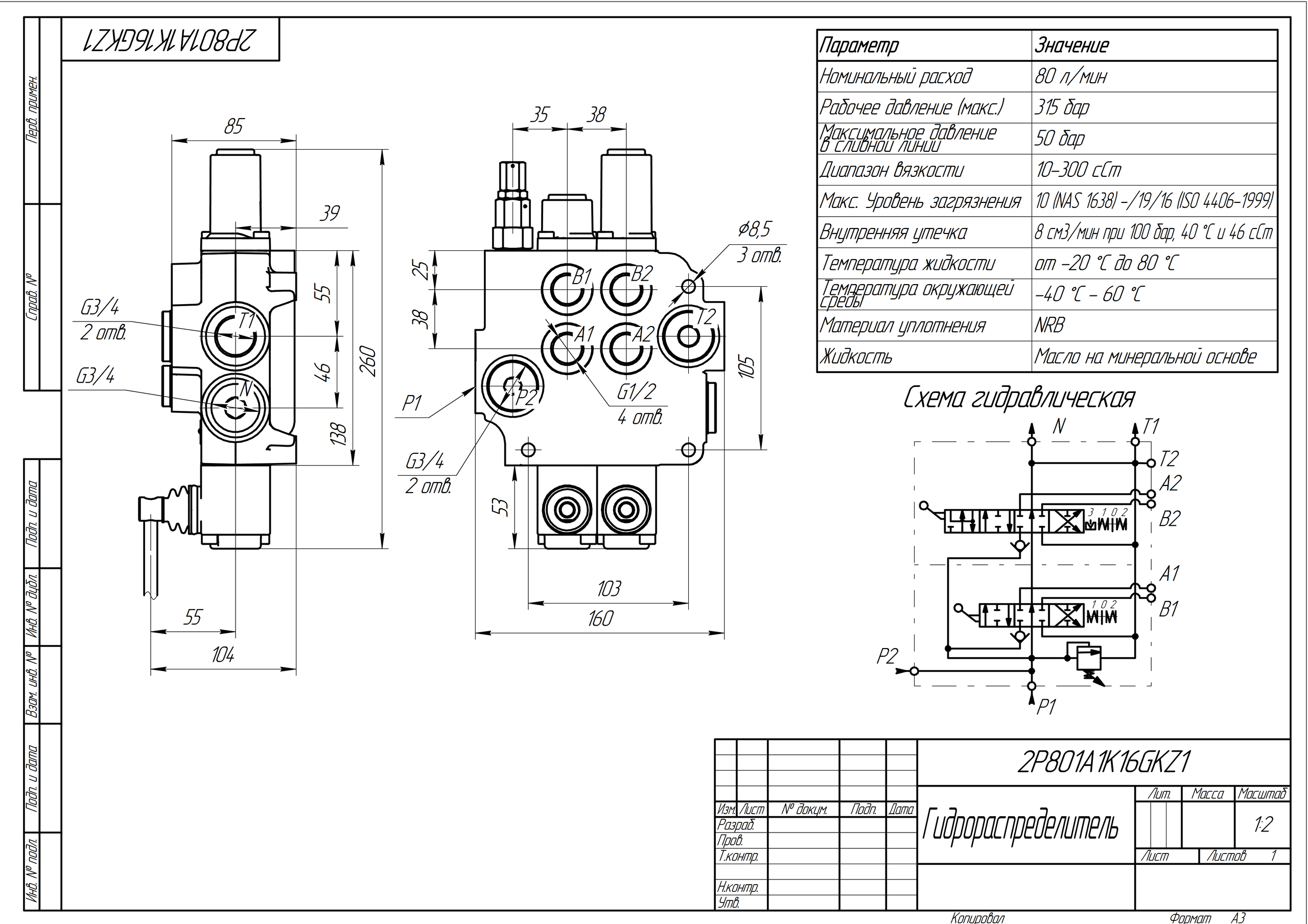
2P80 1A1K16:

2P80 1A1L12:

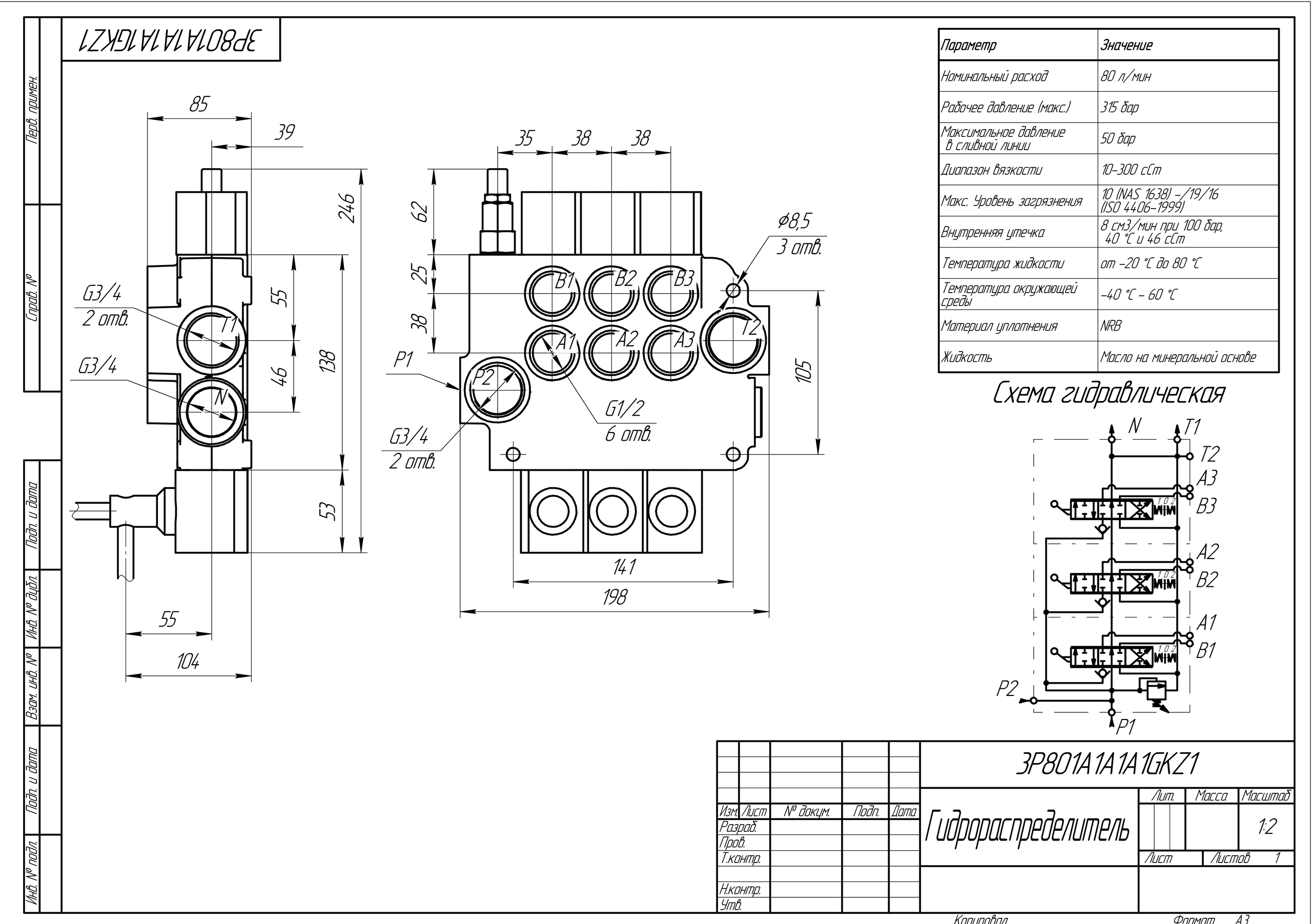
3P80 1A1A1A1:

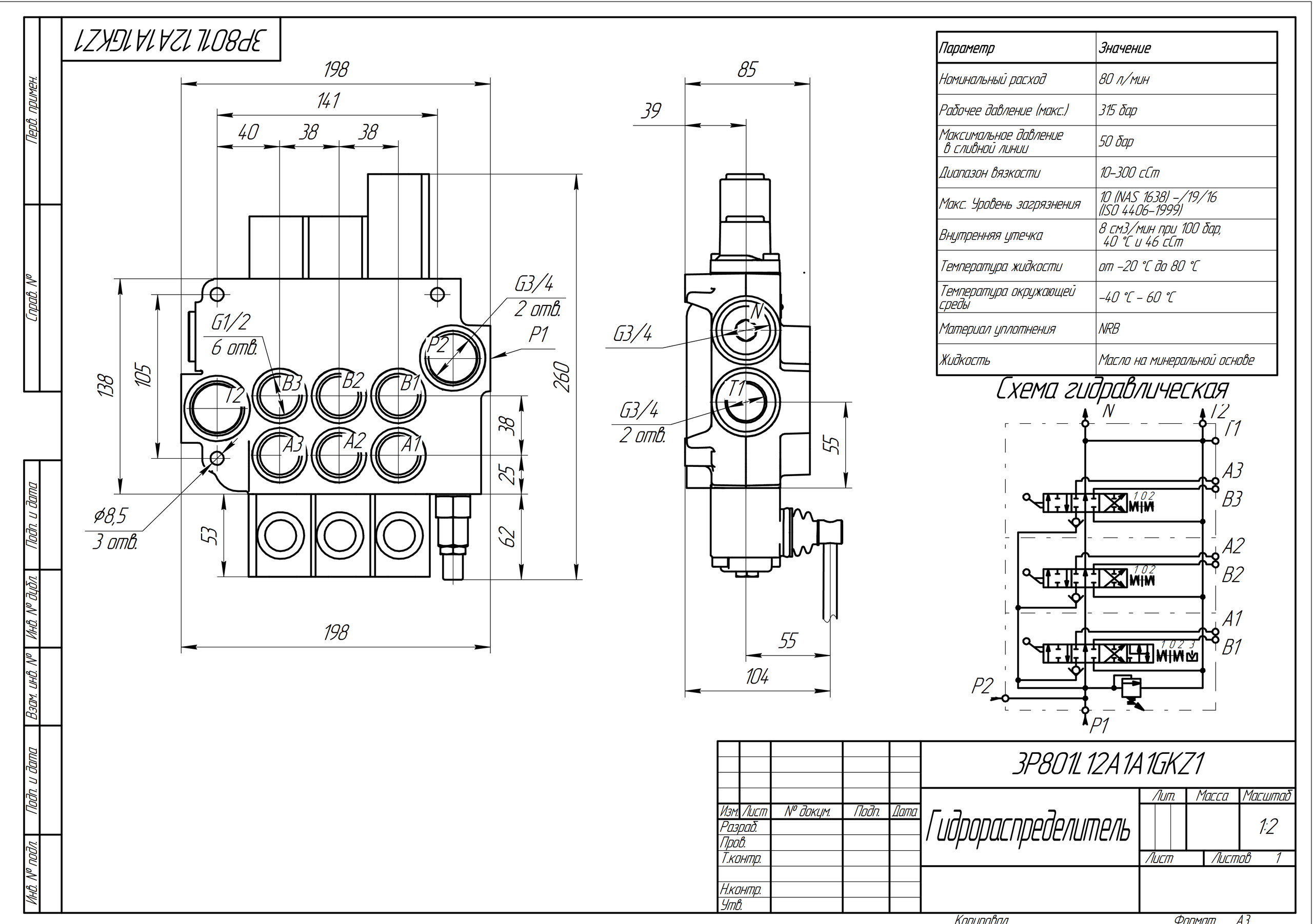
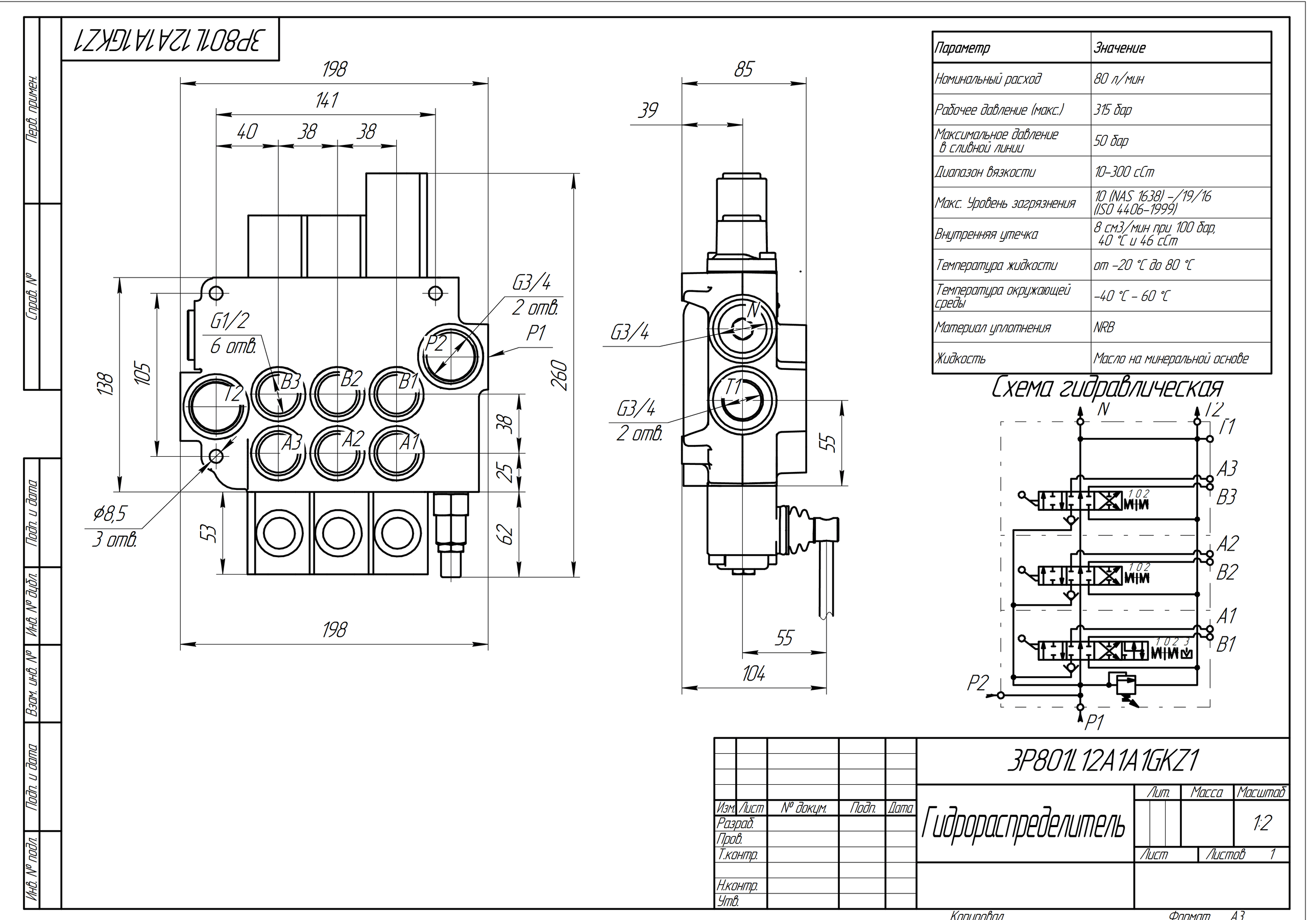
3P80 1L12A1A1:

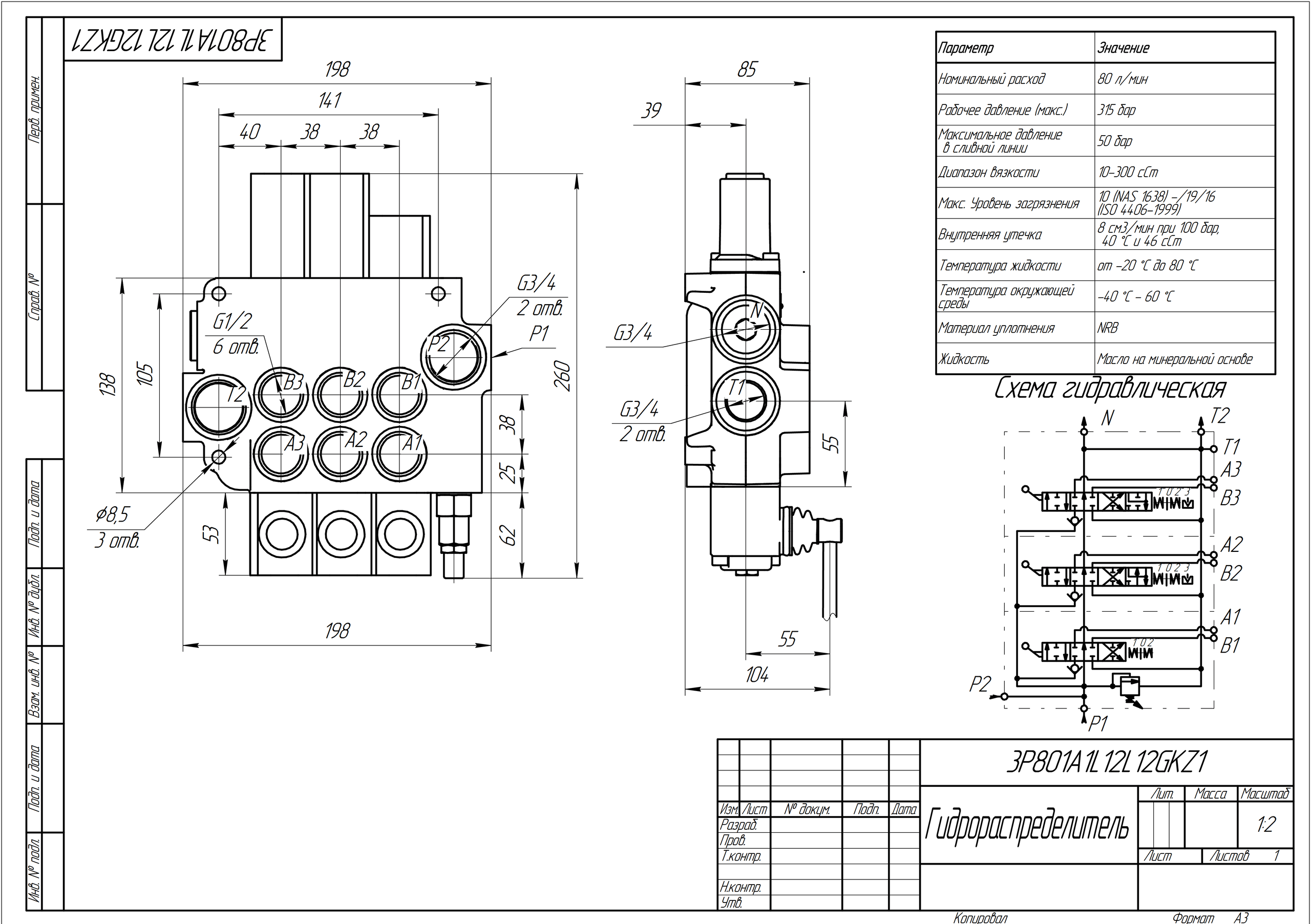
3P80 1A1L12L12:

4P80 1A1A1A1A1:

5P80 1A1A1A1A1A1:

6P80 1A1A1A1A1A1A1:

Ещё из раздела моноблочные гидрораспределители

