Гидрораспределители моноблочные с электроуправлением Z50..ES 250 бар, 50 л/мин 1-6 золотников
250 бар, 50 л/мин
1-6 золотников

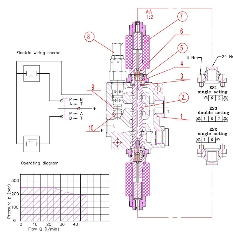
В корпусе встроен предохранительный клапан прямого действия. В среднем положении всех золотников, независимо от типа, происходит разгрузка напорной линии.
Данный тип гидрораспределителя компактен, имеет малый вес и невысокую стоимость.
Применяется в основном в мобильной строительной, коммунальной и сельскохозяйственной технике.
Заменяет гидрораспределитель МРЭ50
Скачать каталог.
Устройство:

Электромагнит:
Допуск по напряжению | ±10% |
Мощность | 37 W |
Магнит | class Н |
Цикл под нагрузкой | 100% |
Код для заказа:


1.Корпус
Тип | Описание |
01Z50 | 1 золотник |
02Z50 | 2 золотника |
03Z50 | 3 золотника |
04Z50 | 4 золотника |
05Z50 | 5 золотников |
06Z50 | 6 золотников |
2. Параметры золотника
Тип | Описание |
A | Двойного действия, трехпозиционный A и В перекрыты в среднем положении |
D | Двойного действия, трехпозиционный A и В сединены со сливом в среднем положении |
3.Управление
ES1 | Одностороннее управление P — A с пружинным возвратом в нейтральное положение |
ES2 | Одностороннее управление P — В с пружинным возвратом в нейтральное положение |
ES3 | Двухстороннее управление P — A (B) с пружинным возвратом в нейтральное положение |
4.Магнит
(с разъемом ISO 4400) | |
12VDC | Номинальное напряжение 12В постоянного тока |
24VDC | Номинальное напряжение 24В постоянного тока |
5. Резьбы
G | A, В - G3/8; P,T G1/2" |
производитель
Badestnost
Если вы хотите купить гидрораспределители моноблочные с электроуправлением Z50..ES , вы можете:
Позвонить: