Воздушно-масляные теплообменники СNC 100 LT 220V 100 л/мин, 29 кВт
100 л/мин, 29 кВт
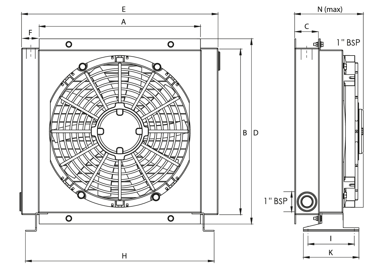
Теплообменник воздушно-масляного типа CNC 100 LT 220V предназначен для эффективного охлаждения масла в гидравлических системах. Он обладает однопоточной конструкцией и оснащен вентилятором диаметром 200 мм, что обеспечивает стабильный теплообмен. Присоединительный размер составляет BSP 1", что упрощает его интеграцию в различные системы. При номинальном расходе 100 л/мин теплообменник демонстрирует эффективность 0,37 кВт/°С. Работает от сети с напряжением 220 В, оснащен приводом мощностью 29 Вт, обеспечивающим скорость вращения вентилятора 1460 об/мин. Компактный и надежный, этот теплообменник идеально подходит для применения в условиях, требующих стабильного охлаждения масла.
| Параметр | Значение |
| Тип теплообменника | Однопоточный воздушно-масляный |
| Присоединительный размер | BSP 1" |
| Номинальный расход | 100 л/мин |
| Эффективность теплообмена | 0,37 кВт/°С при 100 л/мин |
| Диаметр вентилятора | 200 мм |
| Вольтаж | 220 В/1ф |
| Мощность привода | 29 Вт |
| Скорость вращения вентилятора | 1460 об/мин |
Габаритные размеры:

| A | B | C | D | E | F | H | I | K | N |
| 230 | 230 | 63 | 290 | 320 | 40 | 265 | 125 | 155 | 230 |
Если вы хотите купить воздушно-масляные теплообменники СNC 100 LT 220V , вы можете:
Позвонить:

