Обратный клапан серии VSBF 300 бар, до 60 л/мин
300 бар, до 60 л/мин
Обратный клапан VSBF предназначен для разблокировки тормоза в гидравлических системах и идеально подходит для использования с двигателями Danfoss серий OMP/OMR и OMS. Этот клапан обеспечивает надежное управление тормозной системой, поддерживая безопасное и эффективное функционирование гидравлических приводов.
Основные характеристики:
- Корпус: Изготовлен из стали с цинковым покрытием для защиты от коррозии.
- Внутренние компоненты: Закаленная и шлифованная сталь для увеличения срока службы и надежности.
- Уплотнения: Используются уплотнения из материала BUNA N, обеспечивающие герметичность и устойчивость к рабочим жидкостям.
- Соединения: Клапан имеет соединения G 1/2" для подключения к гидравлическим линиям и G 1/4" для тормозной линии.
- Максимальное давление: 300 бар, что позволяет использовать его в тяжелых условиях эксплуатации.
- Максимальный поток: От 40 до 60 л/мин в зависимости от модели, что обеспечивает эффективное управление тормозом.
Этот клапан идеально подходит для различных гидравлических систем, требующих надежного и эффективного управления тормозом.
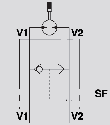
Гидравлическая схема: 
| ТИП | МАКС. ПОТОК (л/мин) | МАКС. ДАВЛЕНИЕ (бар) | ВЕС (кг) | V1 - V2 | SF |
| VSBF 1/2" OMP/OMR | 60 | 300 | 1,312 | G 1/2" | G 1/4" |
| VSBF 1/2" OMS | 40 | 300 | 1,018 | G 1/2" | G 1/4" |


производитель
Oleodinamica Marchesini
Если вы хотите купить обратный клапан серии VSBF , вы можете:
Позвонить:

