Клапан гидравлический "или" тип VU2P 450 бар, 150 л/мин
450 бар, 150 л/мин
Данный клапан используется для выбора линии с более высоким давлением
Корпус: сталь с цинковым покрытием.
Уплотнение Buna N
Запорный элемент: шарик
Зависимость перепада давления от расхода

| Код | ТИП | Макс. расход, л/мин | Макс. давление, бар |
| V0666 | VU2P 1/4" | 30 | 450 |
| V0668 | VU2P3/8" | 45 | 450 |
| Y0670 | VU2P 1/2" | 70 | 450 |
| V0680 | VU2P3/4" | 110 | 350 |
| V0685 | VU2P 1" | 150 | 300 |

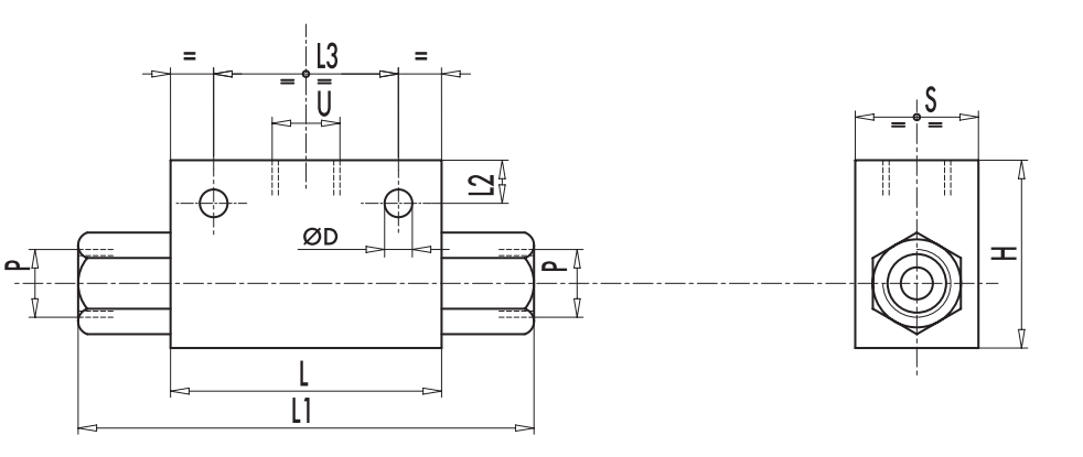
| КОД | ТИП | U-P GAS | L mm | Ll mm | L2 mm | L3 mm | H mm | S mm | 0D mm | Масса, кг |
| V0666 | VU2P 1/4" | Gl/4" | 60 | 104 | 9 | 44 | 40 | 30 | 8,5 | 0,560 |
| V0668 | VU2P3/8" | G3/8" | 60 | 104 | 9 | 44 | 40 | 30 | 8,5 | 0,530 |
| V0670 | VU2P 1/2" | Gl/2" | 60 | 104 | 12 | 44 | 50 | 30 | 8,5 | 0,652 |
| V0680 | VU2P3/4" | G3/4" | 80 | 127 | 12 | 44 | 58 | 35 | 8,5 | 1,086 |
| V0685 | VU2P 1" | Gl" | 80 | 126 | 11 | 60 | 80 | 50 | 10,5 | 1,870 |
Аналоги других производителей:
| Oleodinamica Marchesini | MTC (Walvoil) | Oleoweb | Luen | Gumec | HBS | VILLA | Bosch Rexroth |
| VU2P 1/4" | VT14 | VUSF140N | 13L01B0130020 | A100202.02.00 | SHV01 | VFC 0599059009 | |
| VU2P3/8" | VT38 | VUSF380N | 13L01B0130030 | A100302.01.00 | SHV02 | ||
| VU2P 1/2" | VT12 | VUSF120N | 13L01B0130040 | A100402.01.00 | SHV03 | ||
| VU2P3/4" | VT34 | 13L01B0130050 | SHV04 | ||||
| VU2P 1" | VT100 | 13L01B0130060 | SHV05 |
производитель
Oleodinamica Marchesini
Если вы хотите купить клапан гидравлический "или" тип VU2P , вы можете:
Позвонить:

