Концевой клапан тип V-101 NA нормально открытый, нажатие 350 бар, до 60 л/мин
нормально открытый, нажатие
350 бар, до 60 л/мин
| Корпус | сталь оцинков. |
| Внутренние части | сталь |
| Уплотнения | BUNA N standard |
| Утечки | минимальные утечки |
Характеристики потерь давления

| КОД | ТИП | Макс. расход | Макс. давление |
| CODE | TYPE | li. / min | Bar |
| V0817 | V- 101 3/8" NA | 45 | 350 |
| V0818 | V- 121 1/2" NA | 60 | 350 |

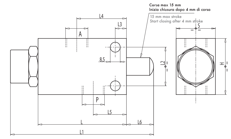
| КОД | ТИП | A-P | L | Ll | L2 | L3 | u | L5 | L6 | H | s | Масса |
| GAS | mm | mm | mm | mm | mm | mm | mm | mm | mm | Kg. | ||
| V0817 | V-101 3/8" NA | G 3/8" | 80 | 129 | 35 | 8 | 45 | 30 | 24 | 56 | 35 | 1,240 |
| V0818 | V-121 1/2" NA | G 1/2" | 80 | 129 | 35 | 8 | 45 | 30 | 24 | 62 | 35 | 1,380 |
производитель
Oleodinamica Marchesini
Если вы хотите купить концевой клапан тип V-101 NA , вы можете:
Позвонить:

