Концевой клапан тип VF-NC нормально закрытый, нажатие 350 бар, до 120 л/мин
нормально закрытый, нажатие
350 бар, до 120 л/мин
| Корпус | сталь оцинков. |
| Внутренние части | сталь |
| Уплотнения | BUNA N standard |
| Утечки | минимальные утечки |
Характеристики потерь давления

| КОД | ТИП | Расход. макс. | Давление макс. |
| li. / min | Bar | ||
| V0827 | V- 101 3/8" NC | 50 | 350 |
| V0828 | V- 121 1/2" NC | 70 | 350 |
| V0829 | V - 201 3/4" NC | 100 | 350 |

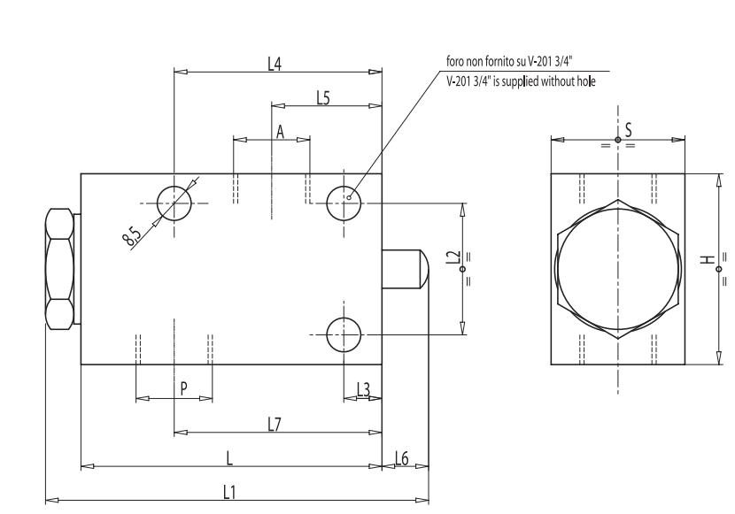
| CODICE CODE | SIGLA TYPE | A-P GAS | L mm | Ll mm | L2 mm | L3 mm | u mm | L5 mm | L6 mm | L 7 mm | H mm | s mm | Масса, кг. |
| V0827 | V-101 3/8" NC | G 3/8" | 80 | 105 | 35 | 10 | 55 | 30 | 14 | 55 | 50 | 35 | 0,962 |
| V0828 | V-121 1/2" NC | G 1/2" | 80 | 105 | 35 | 10 | 55 | 28,5 | 14 | 55 | 50 | 35 | 0,934 |
| V0829 | V-201 3/4" NC | G 3/4" | 88 | 115 | 50 | 20 | 68 | 23 | 14 | 61 | 70 | 45 | 0,860 |
Аналоги других производителей:
| Oleodinamica Marchesini | MTC (Walvoil) | Oleoweb | Luen | Gumec | HBS | VILLA | Bosch Rexroth |
| V- 101 3/8" NC | FCS02C | FCM-380 | 20L06C013C030 | A200301.02.00 | ESCS02 | ||
| V- 121 1/2" NC | FCS03C | FCM-120 | 20L06C013C040 | ESCS03 | |||
| V - 201 3/4" NC |
|
|
производитель
Oleodinamica Marchesini
Если вы хотите купить концевой клапан тип VF-NC , вы можете:
Позвонить:

