Концевой клапан тип V-FCR 2T нормально закрытый, нажатие-вытягивание 350 бар, до 120 л/мин
нормально закрытый, нажатие-вытягивание
350 бар, до 120 л/мин
| Корпус | чугун |
| Внутренние части | сталь |
| Уплотнения | BUNA N standard |
| Утечки | минимальные утечки |
Характеристики потерь давления

| КОД | ТИП | Макс. расход | Макс. давление | Начало закрытия | Усилие | Макс.ход | Усилие |
| li. / min | Bar | mm | Kg (±10%) | mm | Kg (±10%) | ||
| V0820 | V-FCR 2T 60 | 60 | 350 | 7 | 6,5 | 20,5 | 18 |
| V0822 | V-FCR 2T 80 | 80 | 350 | 7 | 6,5 | 20,5 | 18 |
| V0823 | V-FCR 2T 120 | 120 | 350 | 9 | 33 | 15,5 | 50 |

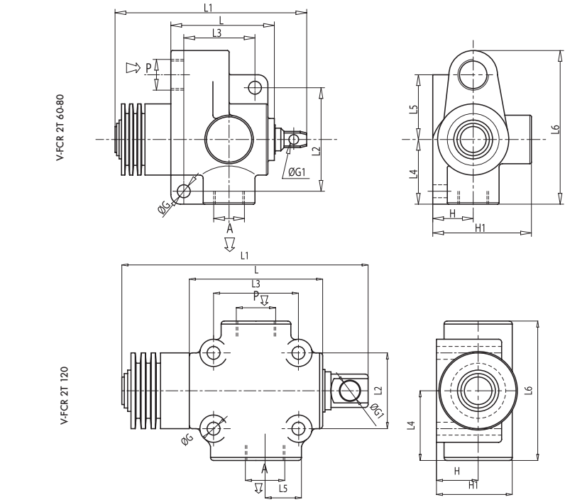
| КОД | ТИП | A-P GAS | L mm | Ll mm | L2 mm | L3 mm | L4 mm | L5 mm | L6 mm | 0G mm | 0G1 mm | H mm | HI mm | Масса, кг |
| V0820 | V-FCR 2T 60 | G 3/8" | 69 | 130 | 66 | 45 | 45 | 41 | 103 | 8,5 | 6,5 | 26 | 68 | 1,648 |
| V0822 | V-FCR 2T 80 | G 1/2" | 69 | 130 | 66 | 45 | 45 | 41 | 103 | 8,5 | 6,5 | 26 | 68 | 1,652 |
| V0823 | V-FCR 2T 120 | G 3/4" | 88 | 179 | 50 | 56 | 46 | 23,5 | 92 | 8,5 | 13 | 27,5 | 50 | 2,204 |
Аналоги других производителей:
| Oleodinamica Marchesini | MTC (Walvoil) | Oleoweb | Luen | Gumec | HBS | VILLA | Bosch Rexroth |
| V-FCR 2T 60 | FCT-380-A | 20T02C019C030 | |||||
| V-FCR 2T 80 | FCT-120-A | 20T02C019C040 | |||||
| V-FCR 2T 120 | FCT-340-A | 20T02C019C050 |
производитель
Oleodinamica Marchesini
Если вы хотите купить концевой клапан тип V-FCR 2T , вы можете:
Позвонить:

