Переключатели минометров тип ПМ 350 бар
350 бар
Переключатели предназначены для последовательного подключения манометра к полостям, в которых необходимо замерять давление, с последующей разгрузкой его в сливную магистраль. Применяются в гидросистемах и системах смазки станков, кузнечно-прессового, металлургического, литейного оборудования и других машин.В зависимости от конструктивного исполнения переключатели могут иметь два или шесть отверстий для подвода давления от магистралей, в которых замеряется давление; одно отверстие — для присоединения манометра и другое — для соединения манометра со сливом.
Переключатели манометров имеют два исполнения по присоединению: стыковое, резьбовое.
Двухточечные переключатели манометров имеют ют два исполнения по способу монтажа: с креплением на торцевую плоскость, с креплением на боковую плоскость.
Технические характеристики:
| Параметр | ПМ6-320Х4 | ПМ6-С320Х4 | ПМ2.1-320X4 | ПМ2.2-320Х4 | ПМ2.1-С320Х4 | ПМ2.2-С320Х4 |
| Условное графическое обозначение | ![]() | ![]() | ||||
| Наибольшее число точек контроля давления | 6 | 2 | ||||
| Давление, МПа: номинальное максимальное | 32 35 | |||||
| Внутренняя герметичность (максимальные внутренние утечки), см3/мин, не более | 50 | |||||
| Масса, кг | 1,7 | 1,4 | ||||
Структура условного обозначения
Устройство и принцип работы
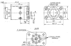
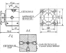
Конструкция переключателя манометра типа ПМ6-320Х4 представлена на рисунке. В расточке корпуса 1 установлен золотник 2, имеющий возможность перемещаться в продольном и вращательном направлениях. На бурте золотника выполнепо шесть продольных пазов, служащих для фиксации золотника в одном из шести положений. Фиксация его осуществляется при помощи шарика 3; расположенного в расточке фланца 4. Управление переключателем осуществляется маховичком 5, закрепленным на золотнике штифтом. Уплотняется золотник манжетой 6. Переключатель манометра типа ПМ6-С320Х4 отличается конструкцией корпуса.
В оттянутом положении маховичка посредством сверлений в золотнике обеспечивается сообщение манометра со сливом, и запирание линий, связанных с точками замера, давления (это положение изображено на рисунке). В утопленном положении маховичка манометр сообщается с одной из точек замера, а слив перекрывается. Вращением маховичка можно последовательно контролировать, давление во всех шести точках замера давления (при переходе от одной точки к другой соришь манометр со сливом необязательно).
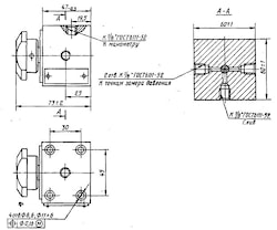
Переключатель манометра типа ПМ2-1-320X4 приведен на рисунке. В расточке корпуса 1 установлен золотник 2, имеющий возможность перемещения только во вращательном направлении. На бурте золотника выполнены три продольных паза, предназначенных для фиксации золотника в трех положениях при помощи фиксирующего шарика 3. В крайних положениях маховичка обеспечивается сообщение манометра с одной двух контролируемых линий, при этом в обоих положениях слив перекрыт. В среднем положении маховичка манометр сообщается со сливом, а контролируемые линии перекрыты. Крайние: положения ограничены упорами.
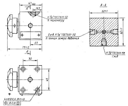
Исполнения переключателей манометров типов. ПМ2-2-320Х4, ПМ2-1-С320Х4, ПШ-2-С320Х4 отличаются только конструкцией корпусов.
Габаритные и присоединительные размеры переключателей манометра типа ПМ6-320

Габаритные и присоединительные размеры переключателей манометра типа ПМ6-С320

Габаритные и присоединительные размеры переключателей манометра типа ПМ2.1-320

Габаритные и присоединительные размеры переключателей манометра типа ПМ2.2-320

Габаритные и присоединительные размеры переключателей манометра типа ПМ2.1-С320

Габаритные и присоединительные размеры переключателей манометра типа ПМ2.2-С320

Монтаж и эксплуатация
Переключатели манометров, резьбового исполнения устанавливаются на щитах или кронштейнах. Для присоединения трубопроводов рекомендуется применять штуцеры по нормали станкостроения ОСТ2 Г91-14—78. Присоединительные отверстия отверстия имеют коническую резьбу К 1/4".
Переключатели манометра стыкового исполнения устанавливаются непосредственна на гидропанели, имеющие, соответственно выполненные посадочные плоскости. Уплотнение обеспечивается уплотнительными кольцами по ГОСТ 9833—73.
Двухточечные переключатели манометра (стыкового и резьбового исполнений присоединения) имеют два способа монтажа: крепление на торцевую плоскость, крепление на боковую плоскость.
Если вы хотите купить переключатели минометров тип ПМ , вы можете:
Позвонить:



