Шестеренные насосы с внутренним зацеплением IGP1 315 бар, 3,5 - 10 см3
315 бар, 3,5 - 10 см3
| Тип | Подача за оборот (мл/об) | Скорость вращения вала (об/мин) | Номинальное давление, Мпа | Максимальное давление, Мпа кратковрем. | |
| мин | макс | ||||
| IGP-1-3.5 | 3 6 | 400 | 3000 | 31.5 | 33 |
| IGP-1-5 | 5.2 | 400 | 3000 | 31.5 | 33 |
| ЮР-1-6.З | 6.4 | 400 | 3000 | 31.5 | 33 |
| IGP-1-8 | 8.2 | 400 | 3000 | 31.5 | 33 |
| IGP-1-10 | 10.2 | 400 | 3000 | 31.5 | 33 |

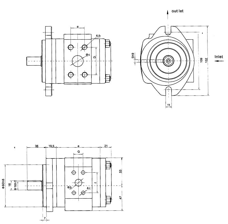
| Тип | a | ⌀b | ⌀С | d | e | f | g | h | i | Kg |
| IGP-1-3.5 | 66 | 9 | 14 | 38.1 | 17.5 | 38.1 | 17.5 | M8X13 | M8X13 | 4.8 |
| IGP-1-5 | 70 | 11 | 14 | 38.1 | 175 | 38.1 | 17.5 | M8X13 | M8X13 | 5.0 |
| IGP-1-6.3 | 73 | 11 | 19 | 47.5 | 22 | 38.1 | I7.5 | M10X15 | M8X13 | 5.2 |
| IGP-1-8 | 77.5 | 13 | 19 | 47.5 | 22 | 38.1 | 17.5 | M10X15 | M8X13 | 54 |
| IGP-1-10 | 82.5 | 13 | 21 | 52.4 | 13.2 | 38.1 | 17,5 | M10X15 | M8X13 | 5 6 |

Если вы хотите купить шестеренные насосы с внутренним зацеплением IGP1 , вы можете:
Позвонить:

