Муфты с упругим элементом тип NM
Соединительные муфты с упругим элементом предназначены для передачи крутящего момента/Соединительные муфты защищают привод машины от колебаний смягчают толчки и удары. Компенсируют взаимные смещения валов уменьшая тем самым радиальные нагрузки.
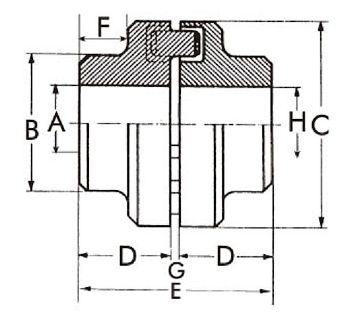
Размеры соединительных муфт типа NM

| Модель | Диаметр (А) | Диаметр вала | Количество зубьев | Диаметр (B) | Диаметр (С) | (F) | (P) | (E) | Масса | |
| минимальный | максимальный | |||||||||
| NM-50 | 6 | 8 | 19 | 4 | 33 | 50 | 13 | 25 | 52 | 0.45 |
| NM-67 | 8 | 10 | 28 | 4 | 46 | 67 | 15 | 30 | 62.5 | 0.92 |
| NM-82 | 8 | 10 | 32 | 4 | 53 | 82 | 24 | 40 | 83 | 1.68 |
| NM-97 | 10 | 12 | 42 | 5 | 69 | 97 | 30 | 50 | 103 | 3.37 |
| NM-112 | 10 | 12 | 48 | 6 | 79 | 112 | 38 | 60 | 123.5 | 5.05 |
| NM-128 | 15 | 19 | 55 | 6 | 90 | 128 | 45 | 70 | 143.5 | 7.86 |
| NM-148 | 21 | 24 | 65 | 7 | 107 | 148 | 52 | 80 | 163.5 | 12.35 |
| NM-168 | 25 | 28 | 75 | 8 | 124 | 168 | 56 | 90 | 183.5 | 18.35 |
| NM-194 | 30 | 32 | 85 | 9 | 140 | 194 | 62 | 100 | 203.5 | 26.45 |
| NM-214 | 35 | 38 | 95 | 9 | 157 | 214 | 68 | 110 | 224 | 36.9 |
| NM-240 | 40 | 42 | 110 | 10 | | 179 | 240 | 75 | 120 | 244 | 46.9 |
Технические характеристики муфт с упругим элементом:
| Модель | Момент, Nm | Частота вращения об/мин | Допустимое отклонение | Момент инерции GD2 | |||
| номинальный | максимальный | макс. | осевое, мм | радиальное, мм | угловое | кг*м2 | |
| NM-50 | 14 | 23 | 12,500 | 2 + 0.5 | 0.6 + 0.2 | 2° | 0.0001 |
| NM-67 | 23 | 40 | 10,000 | 2.5 + 0.5 | 0.8 + 0.2 | 2° | 0.0002 |
| NM-82 | 52 | 90 | 8,000 | 3±1 | 0.8+0.2 | 2° | 0.0006 |
| NM-97 | 108 | 190 | 7,000 | 3 + 1 | 1±0.2 | 2° | 0.0016 |
| NM-112 | 173 | 300 | 6,000 | 3.5+1 | 1±0.2 | 2° | 0.0032 |
| NM-128 | 278 | 480 | 5,000 | 3.5+1 | 1.2 + 0.2 | 2° | 0.0065 |
| NM-148 | 427 | 750 | 4,500 | 3.5±1 | 1.2 + 0.2 | 2° | 0.0135 |
| NM-168 | 712 | 1250 | 4,000 | 3.5+1.5 | 1.2+0.2 | 2° | 0.0258 |
| NM-194 | 1175 | 2010 | 3,500 | 3.5±1.5 | 1.5+0.2 | 2° | 0.0518 |
| NM-214 | 1710 | 3000 | 3,000 | 4±2 | 1.5 + 0.2 | 2° | 0.0855 |
| NM-240 | 2736 | 4800 | 2,750 | 4±2 | 1.5 + 0.2 | 2° | 0.1363 |
производитель
FLAIR
Если вы хотите купить муфты с упругим элементом тип NM , вы можете:
Позвонить:

