Универсальный гидроагрегат для промышленных исполнительных механизмов 4,0 кВт, 16 л/мин, 160 бар
Многофункциональная гидравлическая станция для промышленных гидроприводов обеспечивает точное управление исполнительными механизмами и защиту основных компонентов. Станция оснащена гидрораспределителями, гидрозамками и предохранительными клапанами, которые обеспечивают безопасную работу при любых режимах нагрузки. Системы фильтрации, манометры и маслоуказатели позволяют контролировать состояние рабочей жидкости и давление в линии, а разгрузочный режим снижает энергопотери и повышает долговечность установки. По требованию заказчика возможна индивидуальная комплектация и доработка.
Технические характеристики
| Наименование параметров | Значение |
| Электродвигатель | |
| Мощность, кВт | 4,0 |
| Напряжение, В | 380 |
| Частота вращения, об/мин | 1450 |
| Насос шестеренный | |
| Рабочий объём, см3 | 11,0 |
| Максимальное рабочее давление, бар | 160 |
| Подача, л/мин | 16 |
| Направление вращения | левое |
| Бак объём, л | 100 |
| Размещение | горизонтально |
| Гидрораспределители Р1-Р3 | |
| Тип управления | электромагнитный |
| Температура окружающей среды, °С: | |
| Минимальная | - 40 |
| Максимальная | +40 |
| Основные марки рабочей жидкости: | |
| Зимой | МГ-15В ТУ 38.101479-00 |
| Летом | МГЕ-46В ТУ 38.001347-83 |
| Фильтр заливной с сапуном | |
| Номинальная тонкость фильтрации, мкм | 40 |
| Фильтр сливной | |
| Номинальная тонкость фильтрации, мкм | 30 |
| Класс чистоты рабочей жидкости по ГОСТ 17216-71, не ниже | 10 |
| Количество заливаемой раб. жидкости *, л | 80 |
| Масса гидроустановки, не более, кг | 85 |
| Масса гидроустановки с раб. жидкостью, не более, кг | 157 |
| Габаритные размеры, не более, мм | |
| a | 720 |
| b | 520 |
| c | 820 |
Гидравлическая установка состоит из компактно расположенных компонентов. На крышке гидравлического бака установлен электродвигатель, который крепится посредством колокола. С помощью колокола и муфты к двигателю крепится гидронасос, который установлен внутри гидробака. Плиты монтажные с гидравлическими элементами и манометрами, сливной фильтр и фильтр заливной с сапуном расположены на крышке гидравлического бака. Спереди бака установлены маслоуказатель и сливная пробка.

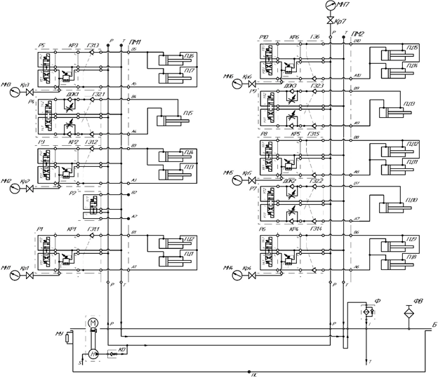
Рис. 1 – Схема гидравлическая принципиальная

| 1. Бак гидравлический Б; | 2. Пробка сливная ПС; |
| 3. Маслоуказатель МУ; | 4. Фильтр вентиляционно-заливной ФВ; |
| 5. Колокол; | 6. Электродвигатель М; |
| 7. Манометр МН1 с краном Кр1; | 8. Манометр МН2 с краном Кр2; |
| 9. Манометр МН3 с краном Кр3; | 10. Плита монтажная ПМ1; |
| 11. Манометр МН4 с краном Кр4; | 12. Манометр МН5 с краном Кр5; |
| 13. Манометр МН6 с краном Кр6; | 14. Плита монтажная ПМ2; |
| 15. Манометр МН7 с краном Кр7; | 16. Клапан предохранительный КП; |
| 17. Гидрораспределитель Р1; | 18. Клапан редукционный КР1; |
| 19. Гидрозамок ГЗ1; | 20. Гидрораспределитель Р2; |
| 21. Гидрораспределитель Р3; | 22. Клапан редукционный КР2; |
| 23. Гидрозамок ГЗ2; | 24. Гидрораспределитель Р4; |
| 25. Гидрораспределитель Р5; | 26. Клапан редукционный КР3; |
| 27. Гидрозамок ГЗ3; | 28. Гидрораспределитель Р6; |
| 29. Клапан редукционный КР4; | 30. Гидрозамок ГЗ4; |
| 31. Гидрораспределитель Р7; | 32. Гидрораспределитель Р8; |
| 33. Клапан редукционный КР5; | 34. Гидрозамок ГЗ5; |
| 35. Гидрораспределитель Р9; | 36. Гидрораспределитель Р10; |
| 37. Клапан редукционный КР6; | 38. Гидрозамок ГЗ6; |
| 39. Фильтр сливной Ф. |
Принцип работы установки гидравлической
Шестеренный насос Н, приводимый во вращение электродвигателем М, всасывает из бака Б гидравлическое масло и нагнетает его через обратный клапан КО под давлением в напорную линию. Далее масло попадает в плиты монтажные ПМ1 и ПМ2 (гидрораспределители Р1-Р10). Гидрораспределитель Р2 предназначен для режима разгрузки – линии Р и Т соединены между собой, гидростанция включена, гидроспределители Р1, Р3-Р10 находятся в нейтральном положении (т.е. исполнительные органы находятся в покое, электрический сигнал не подается на электромагниты гидрораспределителей Р1, Р3-Р10). В режиме разгрузке наблюдаются наименьшие потери энергии установки гидравлической. Гидрораспределители Р1, Р3-Р10 направляют рабочую жидкость к исполнительным органам ГЦ1-ГЦ15 и при подачи электрического сигнала на один или второй магнит распределителя происходит выдвижение или втягивание выходного звена исполнительного органа.
Гидрозамки ГЗ1-ГЗ6 предназначены для свободного пропускания потока в одном направлении и управляемого принудительного пропускания потока в обратном направлении. Клапана КР1-КР6 предназначены для снижения давления в соответствующей линии относительно общего давления в гидросистеме.
В плите монтажной ПМ2 установлен клапан предохранительный КП, который предназначен для ограничения давления в гидросистеме и защиты основных компонентов от разрушения. Для очистки рабочей жидкости от загрязнений в сливной линии установлен фильтр Ф. Для измерения давления в установки гидравлической присутствуют манометры МН1-МН6 (установлены с кранами Кр1-Кр6 соответственно) – для измерения в соответствующих линиях и МН7 с краном Кр7 – для измерения в общей напорной линии. Для индикации уровня масла в гидравлическом баке предназначен маслоуказатель МУ. Заливается масло через фильтр заливной с сапуном ФВ. Сливается через пробку сливную ПС.
производитель
GPA

