Регулируемый радиально-поршневой насос 50НРР ...С

Следящий механизм изменения подачи обеспечивает установку любой подачи поршневого насоса от нуля до номинальной в зависимости от положения задающего устройства как на работающем, так и на неработающем насосе.
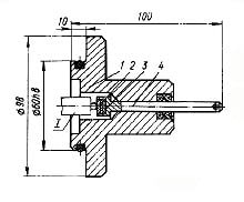
Устройство следящего механизма изменения подачи
1 - корпус;
2 - заглушка;
3 - шайба;
4 - шток; I - тяга.
Принцип работы регулируемого радиально-поршневого насоса со следящим механизмом
Задающее устройство сообщает штоку возвратно-поступательное движение. Шток через заглушку и шарик перемещает тягу распределительной вьулки внутрь наосса. Обратное перемещение штока осуществляется пружиной, установленной на тяге.
Параметры регулирования:
- усиление перемещения выходного штока механизма на увеличение подачи, движение в сторону насоса, не более 170Н;
- рабочий ход штока механизма, не более 20мм;
- допустимое число переключений – 40 в минуту.
Технические характеристики насосов 50НРР ... С
Наименование насоса по ТУ | Подача (расход) | Давление | Частота вращения | Мощность | Длина | Ширина | Высота | Масса |
л/мин | МПА | сˉ¹ | КВт | мм | мм | мм | кг | |
50НРР125С | 159 | 50 | 25 | 143 | 687 | 380 | 458 | 220 |
50НРР250СК | 211 | 50 | 16,6 | 190 | 817 | 445 | 530 | 370 |
50НРР500СК | 423 | 50 | 16,6 | 380 | 903 | 500 | 592 | 515 |
Базовое исполнение насосов - фланцевое. Насосы с рабочим объемом 250 и 500 см³ могут быть изготовлены с креплением на лапах, в этом случае в обозначении насоса стоит буква "К".
производитель
Гидропривод (г. Харьков)
Если вы хотите купить регулируемый радиально-поршневой насос 50НРР ...С , вы можете:
Позвонить:
Ещё из раздела насосы радиально-поршневые регулируемые 50НРР
Наименование параметра Значение параметра для типоразмеров 125 250 500 1. Номинальный рабочий объем насоса, см³: – радиально-поршневого 125 250 500 – шестеренного 28 28 28 2. Частота вращения, сˉ¹: – номинальная 25 16,6 16,6 – максимальная 25 25 ...