Колокола насос-мотор серии LMH для бензиновых моторов Хонда до 13,5 кВт
до 13,5 кВт
Колокола насос-мотор серии "LMH" применяются для соединения шестеренных насосов с прямоугольными фланцами с фланцами бензиновых моторов типа Хонда.
Материал - алюминий.
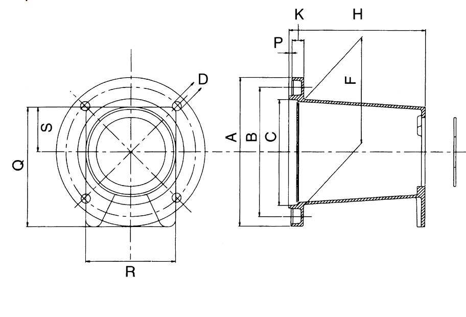
Габаритные размеры:

| Мощность двигателя | Вал | Код насоса | Муфта | Размеры (мм) | |||||||||||
| кВт | HP | ∅18 ch.5 | U1P | LMH151 | A | B | C | D | F | H | K | P | Q | R | S |
| 2.2÷4 | 3÷5.5 | 110 | 92 | 78.5 | 9 | 78 | 98 | 12 | 3 | 90 | 70 | 34 | |||
| 1C | LMH152 | ||||||||||||||
| 1M | LMH152 | ||||||||||||||
| ∅19.05 ch.4.76 | U1P | LMH151 | |||||||||||||
| 1C | LMH152 | ||||||||||||||
| 1M | LMH152 | ||||||||||||||
| 5÷13.5 | 7÷18 | ∅25 ch.7 | U1P | LMH401 | 146 | 127 | 110 | 9 | 110 | 134 | 12 | 3 | 118 | 91 | 43.5 |
| 1C | LMH402 | ||||||||||||||
| 1M | LMH402 | ||||||||||||||
| 2 | LMH403 | ||||||||||||||
| ZF | LMH404 | ||||||||||||||
| ∅25.4 ch.6.35 | U1P | LMH401 | |||||||||||||
| 1C | LMH402 | ||||||||||||||
| 1M | LMH402 | ||||||||||||||
| 2 | LMH403 | ||||||||||||||
| ZF | LMH404 | ||||||||||||||
Если вы хотите купить колокола насос-мотор серии LMH для бензиновых моторов Хонда , вы можете:
Позвонить:

